GM Service Manual Online
For 1990-2009 cars only
Makes
🢒
Cadillac
🢒
2001
🢒
DeVille
🢒 Power and Ground
Power and Ground
Power and Ground
Master Electrical Component List
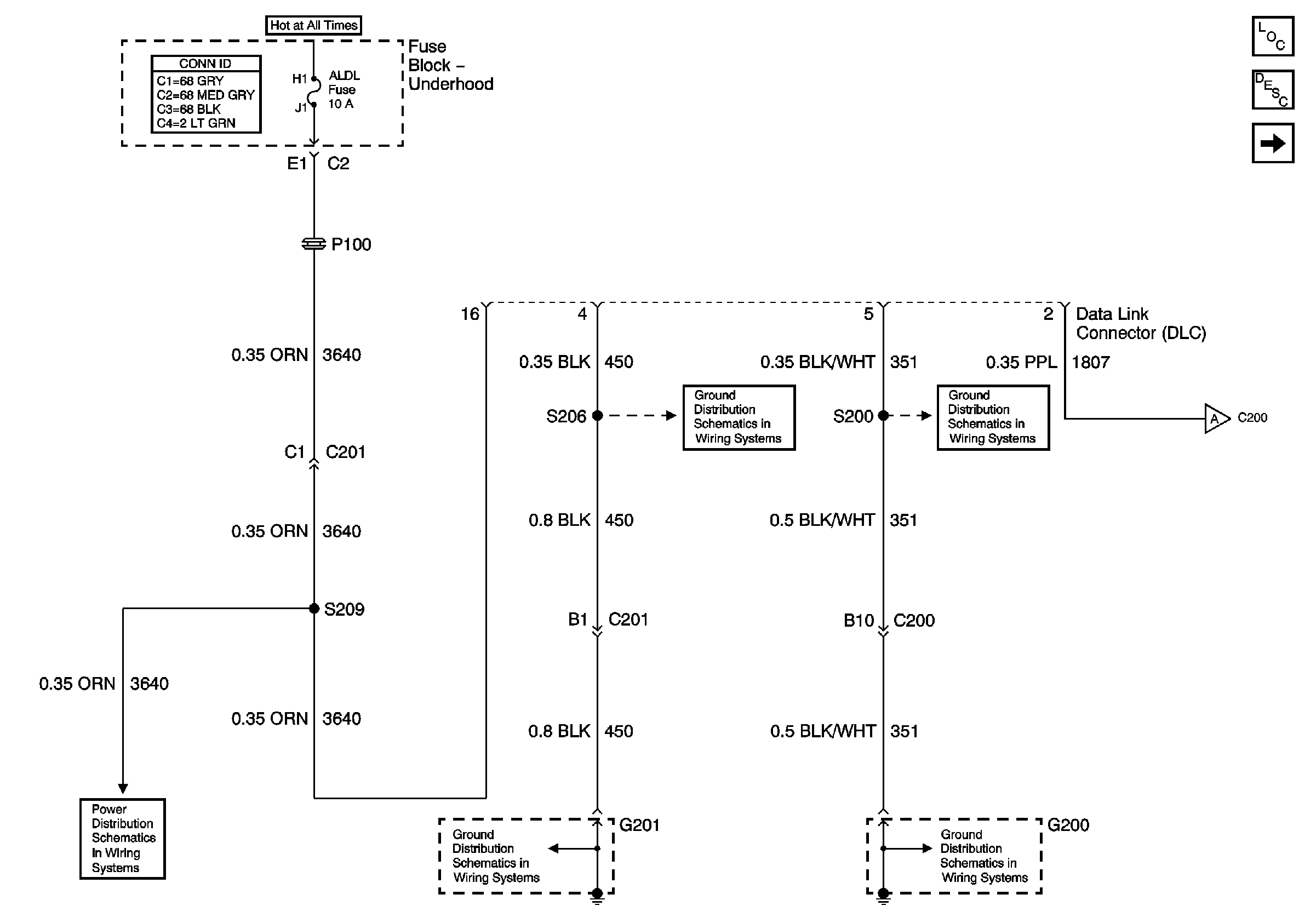
Data Link Communications Description and Operation
Class 2 Serial Data (1 of 3)
G200
G200
G201 IP Harness and Console Harness
G201 IP Harness and Console Harness
ALDL, PCM BATT, IP Fuses