GM Service Manual Online
For 1990-2009 cars only
Makes
🢒
Cadillac
🢒
2001
🢒
DeVille
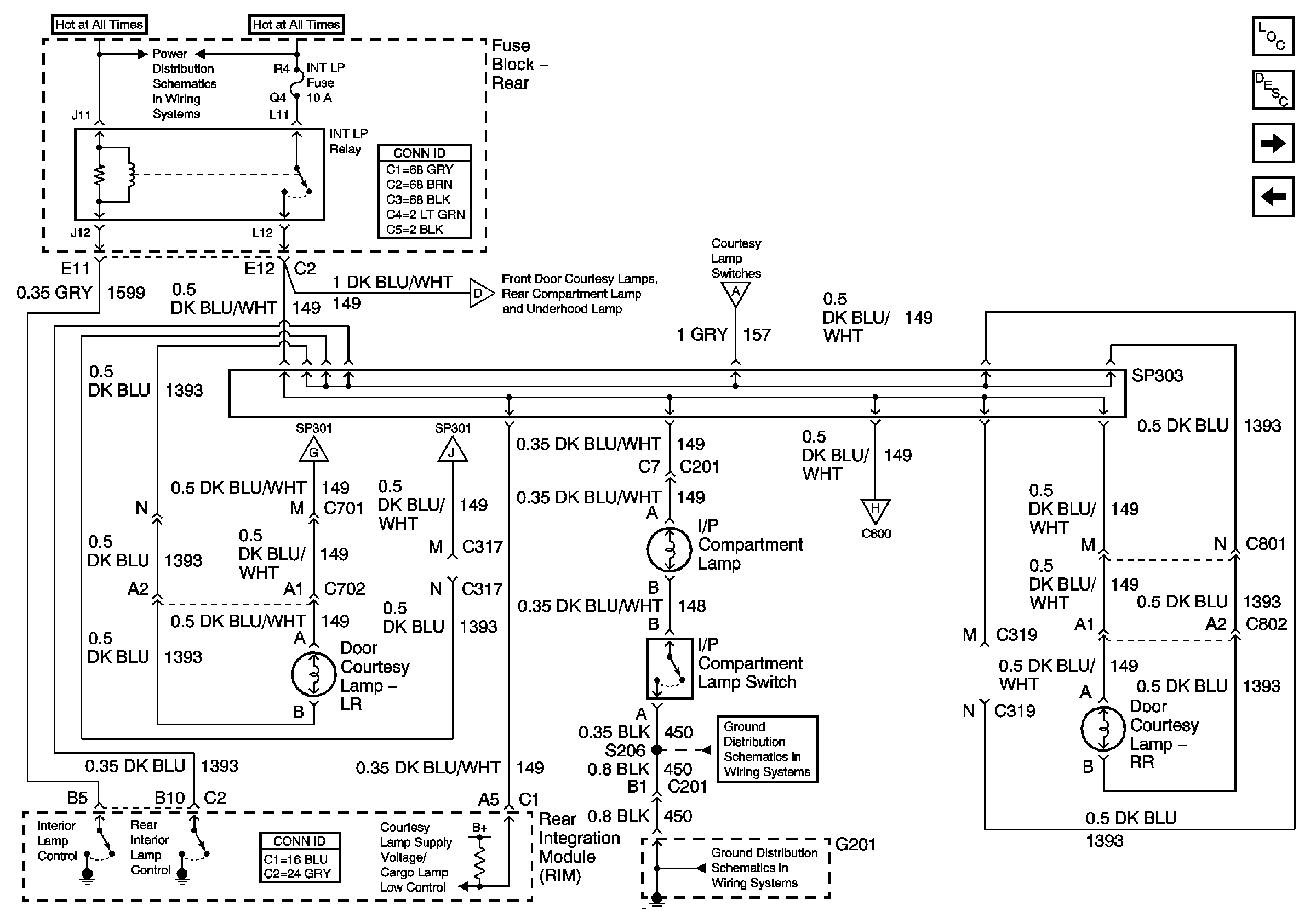
🢒 Interior Lamp Relay and Rear Door Courtesy Lamps
Interior Lamp Relay and Rear Door Courtesy Lamps
Interior Lamp Relay and Rear Door Courtesy Lamps
Master Electrical Component List
Interior Lighting Systems Description and Operation
Front Door Courtesy Lamps, Rear Compartment, and Underhood Lamps
Door Opens Inputs (w/B9Q)
G201 IP Harness and Console Harness
G201 IP Harness and Console Harness
Rear Fuse Block Battery Voltage