GM Service Manual Online
For 1990-2009 cars only
Makes
🢒
Cadillac
🢒
2001
🢒
DeVille
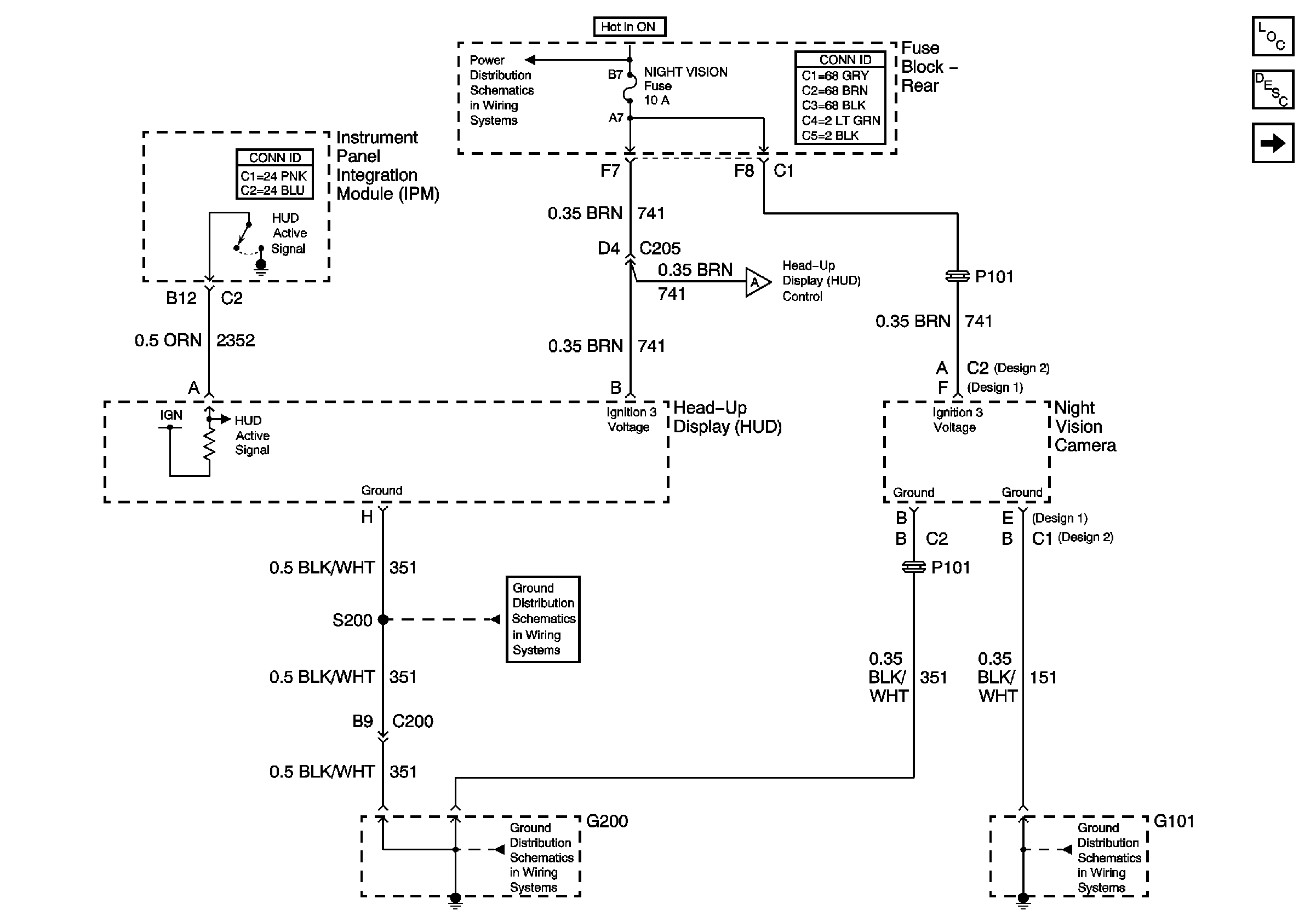
🢒 HUD and Night Vision Camera - Power and Ground
HUD and Night Vision Camera - Power and Ground
HUD and Night Vision Camera -- Power and Ground
Master Electrical Component List
Instrument Cluster Description and Operation
HUD Switch and Night Vision Camera Video Circuits
G101
G200
G200
ELC, Night Vision, HVAC, ABS Fuses