GM Service Manual Online
For 1990-2009 cars only
Makes
🢒
Cadillac
🢒
2001
🢒
DeVille
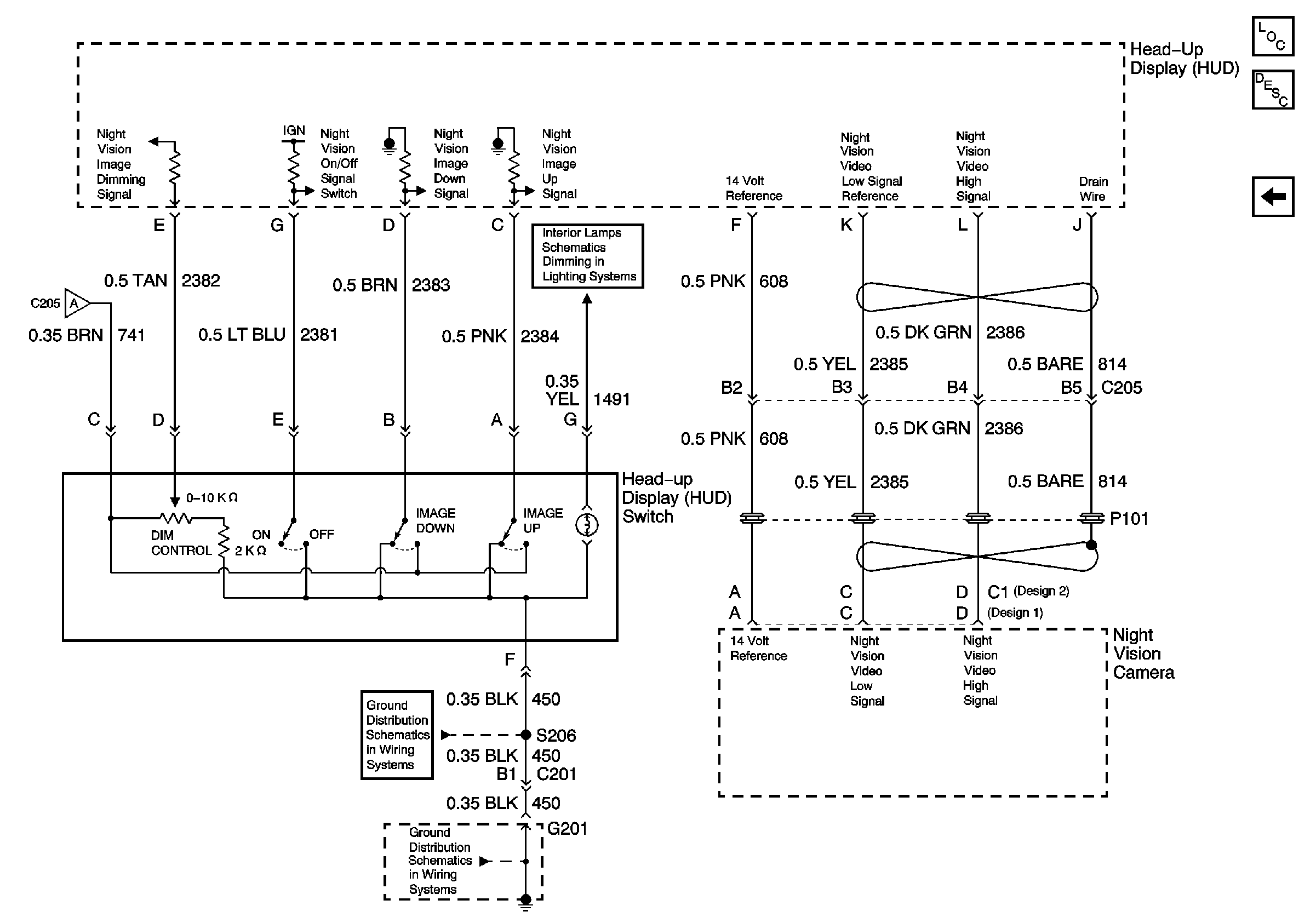
🢒 HUD Switch and Night Vision Camera Video Circuits
HUD Switch and Night Vision Camera Video Circuits
HUD Switch and Night Vision Camera Video Circuits
Master Electrical Component List
HUD and Night Vision Camera - Power and Ground
G201 IP Harness and Console Harness
G201 IP Harness and Console Harness
Instrument Panel Dimming