GM Service Manual Online
For 1990-2009 cars only
Makes
🢒
Cadillac
🢒
2001
🢒
DeVille
🢒 Power, Ground, Motors Sensors, Switch and MSM (w/A45/AL2)
Power, Ground, Motors Sensors, Switch and MSM (w/A45/AL2)
Driver Seat Switch (w/A45/AL2)
Master Electrical Component List
Memory Seats Description and Operation
Power, Ground, Massage Module, MSM Switch (w/A45/AM3)
Right Seat Lumbar Massage (AM3)
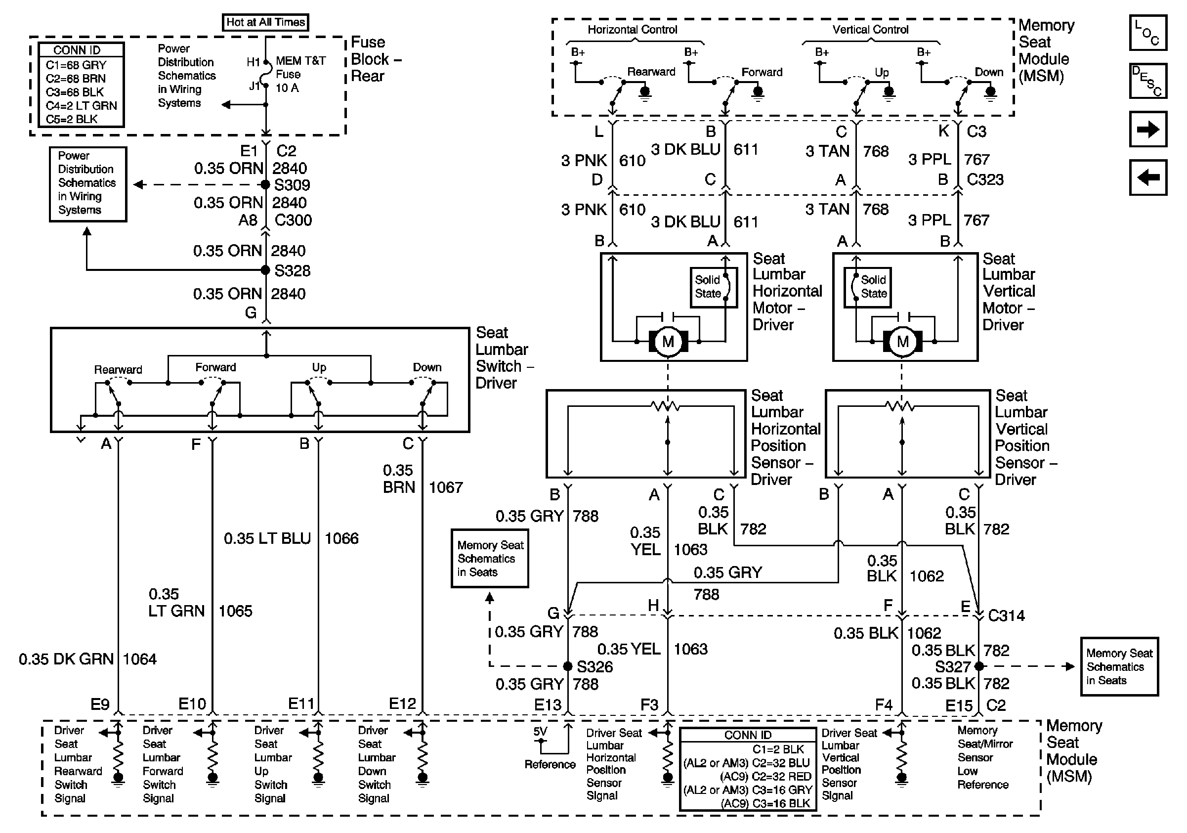
Front/Rear Vertical, Horizontal Motors, Position Sensors (w/A45/AL2)
Front/Rear Vertical, Horizontal Motors, Position Sensors (w/A45/AL2)
MEM TT, RRLUM/ANT, and HTDST LF Fuses
MEM TT, RRLUM/ANT, and HTDST LF Fuses