GM Service Manual Online
For 1990-2009 cars only
Figure 1:

Power Seat


Object Number: 1338497  Size: FS
Master Electrical Component List
Power Seats System Description and Operation
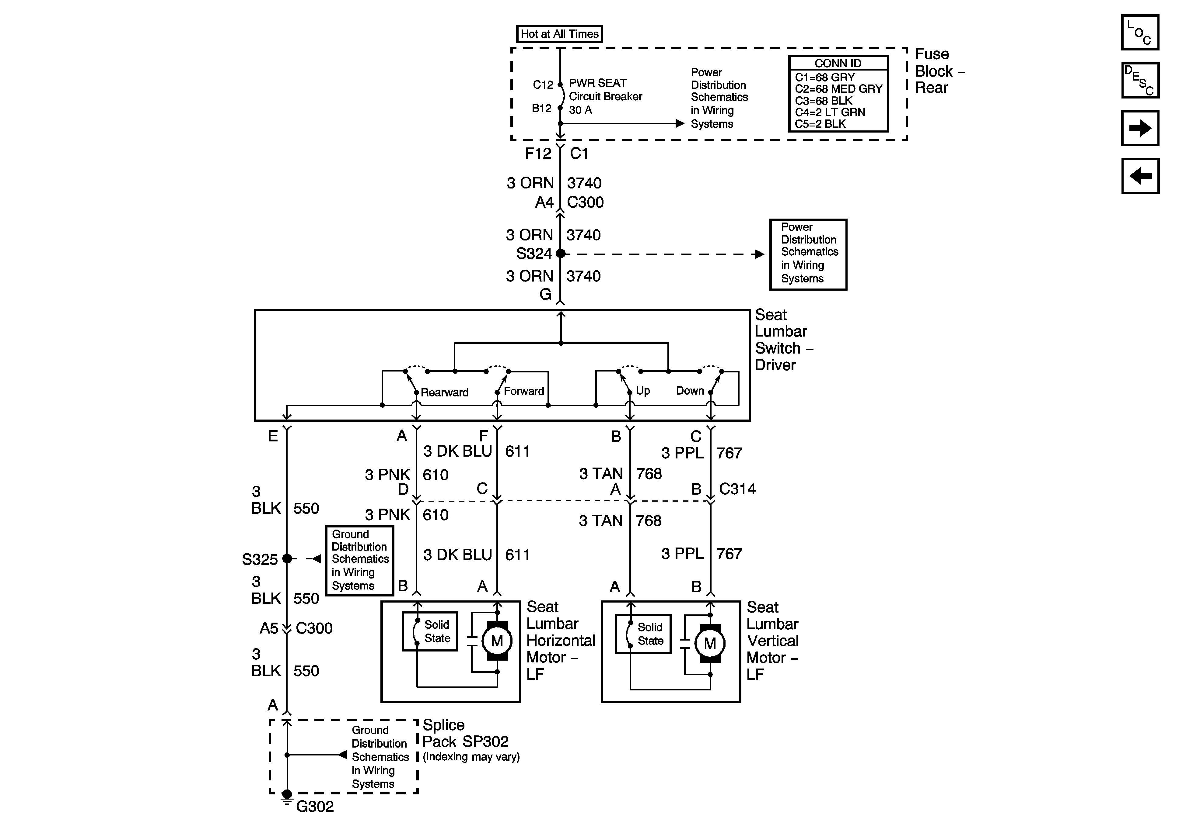
Power Lumbar Seat
Rear Fuse Block- NAV Fuse and PWR SEAT Circuit Breaker
G302 (2 of 3)
G302 (2 of 3)
Figure 2:

Power Lumbar Seat


Object Number: 1338512  Size: FS
Master Electrical Component List
Power Seats System Description and Operation
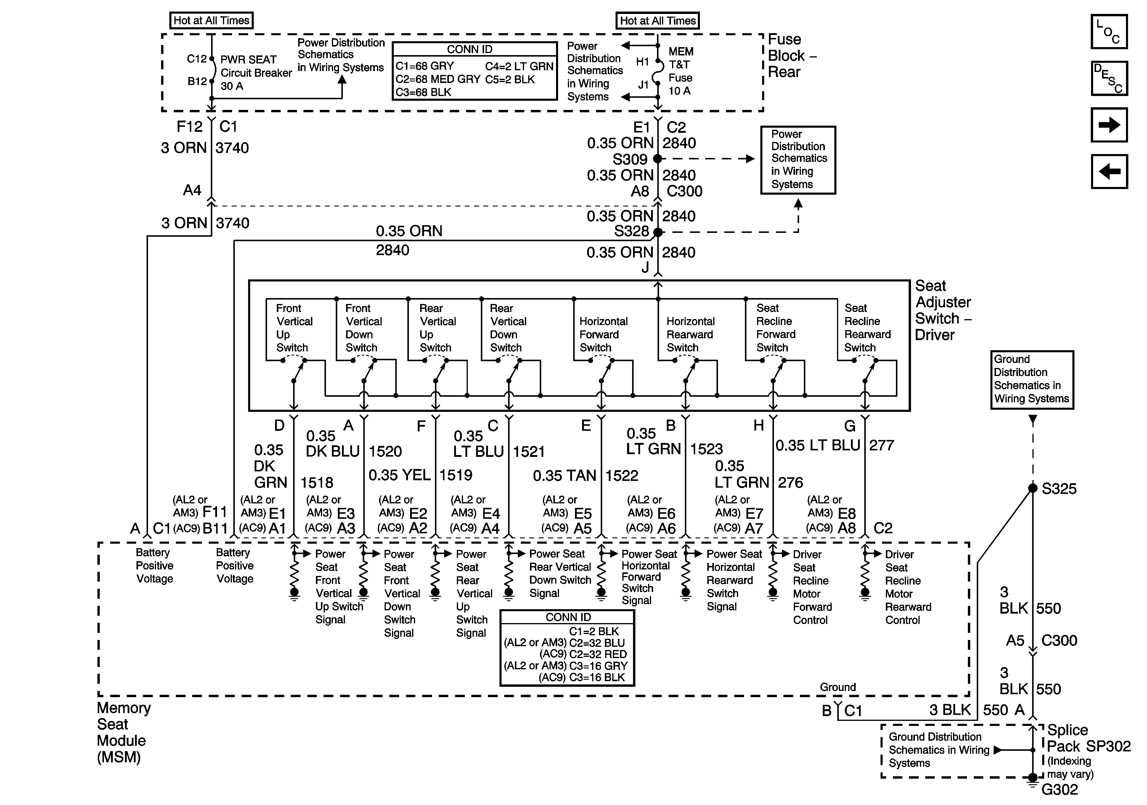
Massaging Lumbar Seat (w/ AM3)
Power Seat
Rear Fuse Block- NAV Fuse and PWR SEAT Circuit Breaker
Rear Fuse Block- NAV Fuse and PWR SEAT Circuit Breaker
G302 (2 of 3)
G302 (2 of 3)
Figure 3:

Massaging Lumbar Seat (w/AC9)


Object Number: 804183  Size: FS
Master Electrical Component List
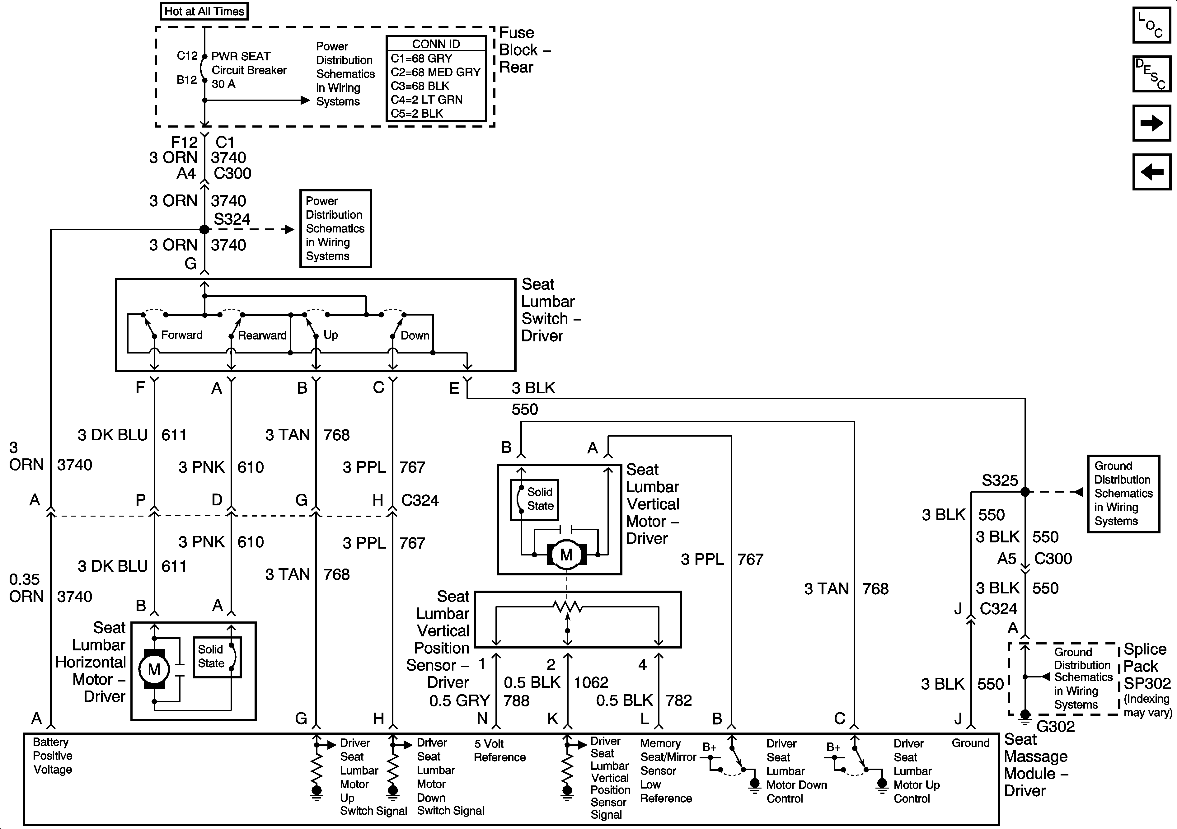
Lumbar Support Description and Operation Massaging Lumbar-AM3 with Memory-A45
Memory Lumbar Seat (w/ A45/AL2)
Power Lumbar Seat
G302 (2 of 3)
G302 (2 of 3)
Rear Fuse Block- NAV Fuse and PWR SEAT Circuit Breaker
Rear Fuse Block- NAV Fuse and PWR SEAT Circuit Breaker
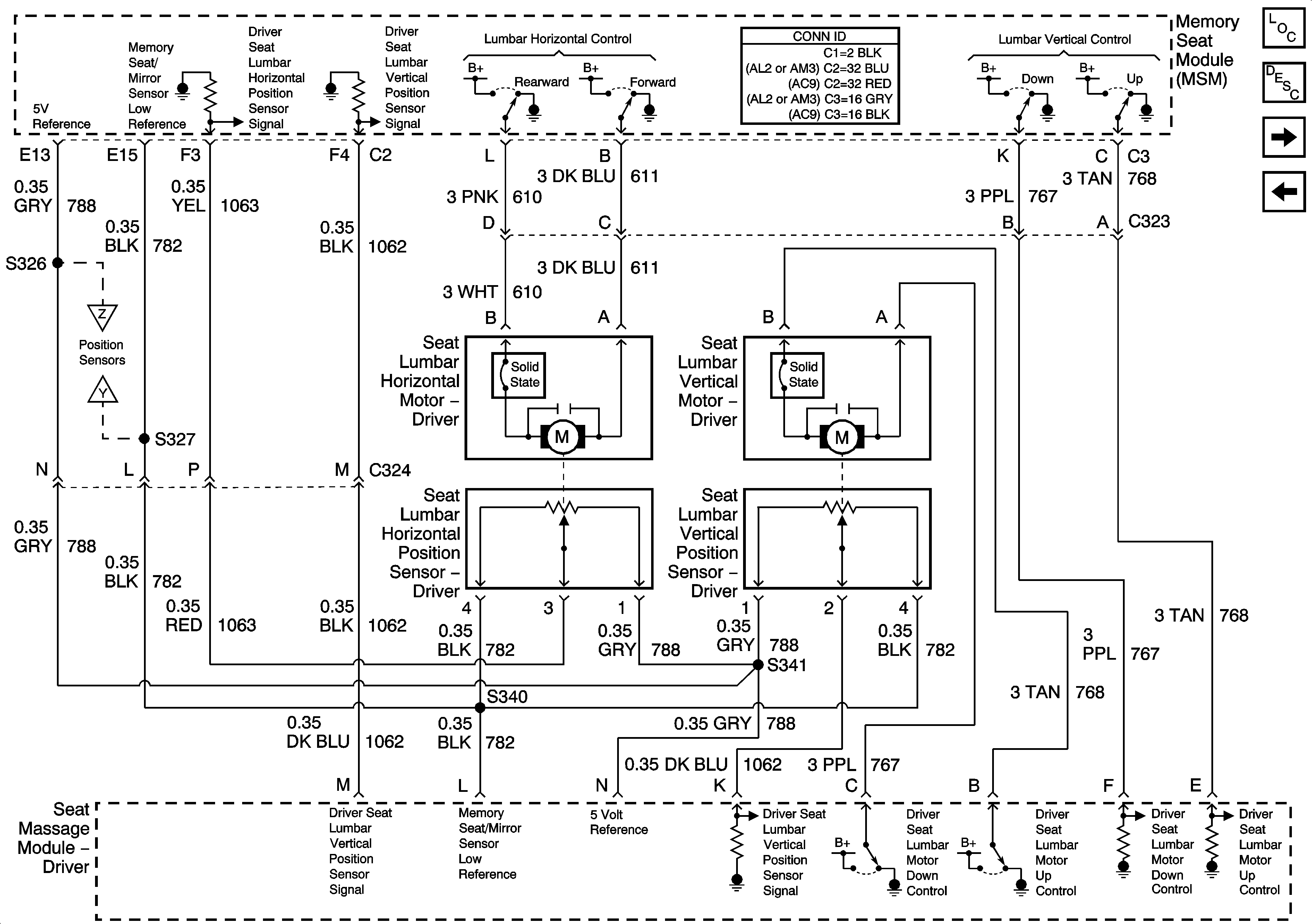
Figure 4:

Memory Lumbar Seat (w/A45/AL2)


Object Number: 1338525  Size: FS
Master Electrical Component List
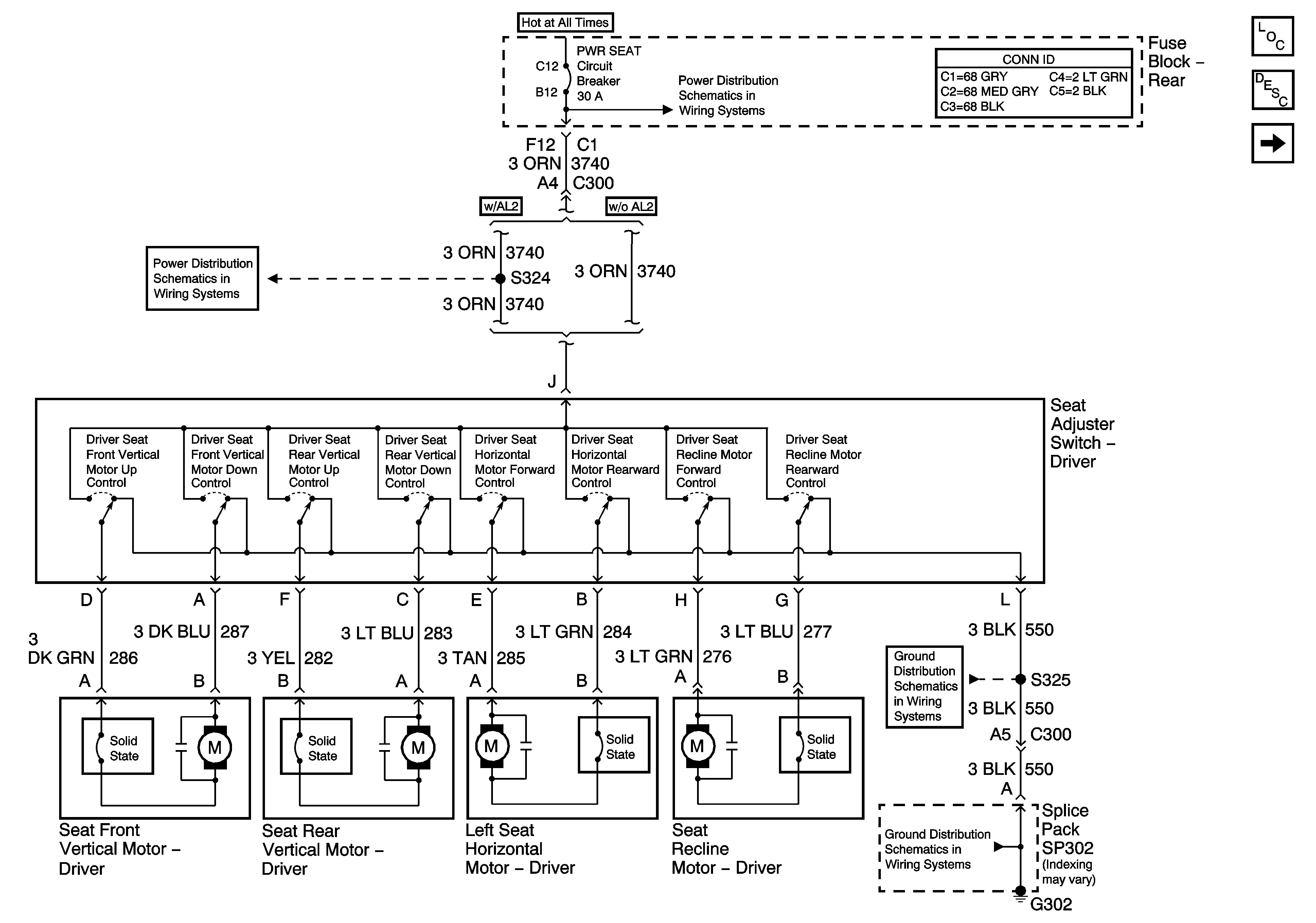
Lumbar Support Description and Operation with A45
Seat Switch w/ Memory Massaging Lumbar (w/ A45/AM3)
Massaging Lumbar Seat (w/ AM3)
Vertical and Horizontal Position Sensors (w/ A45)
Vertical and Horizontal Position Sensors (w/ A45)
Rear Fuse Block- MEM TT, RRLUM/PWR ANT, HTDST LF Fuses
Rear Fuse Block- MEM TT, RRLUM/PWR ANT, HTDST LF Fuses
Figure 5:

Seat Switch w/ Memory Massaging Lumbar (w/A45,AM3)


Object Number: 804214  Size: FS
Master Electrical Component List
Lumbar Support Description and Operation Massaging Lumbar-AM3 with Memory-A45
Position Sensors w/ Memory Massaging Lumbar (w/ A45/AM3)
Memory Lumbar Seat (w/ A45/AL2)
G302 (2 of 3)
G302 (2 of 3)
Rear Fuse Block- NAV Fuse and PWR SEAT Circuit Breaker
Rear Fuse Block- NAV Fuse and PWR SEAT Circuit Breaker
Rear Fuse Block- MEM TT, RRLUM/PWR ANT, HTDST LF Fuses
Rear Fuse Block- MEM TT, RRLUM/PWR ANT, HTDST LF Fuses
Figure 6:

Position Sensors w/ Memory Massaging Lumbar (w/A45,AM3)


Object Number: 1338529  Size: FS
Master Electrical Component List
Lumbar Support Description and Operation Massaging Lumbar-AM3 with Memory-A45
Heated Seat Switch (w/ KA1)
Seat Switch w/ Memory Massaging Lumbar (w/ A45/AM3)
Vertical and Horizontal Position Sensors (w/ A45)
Figure 7:

Heated Seat Switch (w/ KA1)


Object Number: 1241357  Size: FS
Master Electrical Component List
Heated Seats Description and Operation
Climate Control Seat Module (w/ KA1)
Position Sensors w/ Memory Massaging Lumbar (w/ A45/AM3)
Figure 8:

Climate Control Seat Module (w/KA1)


Object Number: 1241359  Size: FS
Master Electrical Component List
Heated Seats Description and Operation
Power and Ground (w/ A45)
Heated Seat Switch (w/ KA1)
Rear Fuse Block- IGN 3 Relay, IGN 3 RR Fuse
G302 (2 of 3)
G302 (2 of 3)
Figure 9:

Power and Ground (w/A45)


Object Number: 1338539  Size: FS
Master Electrical Component List
Memory Seats Description and Operation
Memory/Personalization Function Switch (w/ A45)
Climate Control Seat Module (w/ KA1)
G302 (2 of 3)
G302 (2 of 3)
Rear Fuse Block- NAV Fuse and PWR SEAT Circuit Breaker
Rear Fuse Block- MEM TT, RRLUM/PWR ANT, HTDST LF Fuses
Figure 10:

Memory/Personalization Function Switch (w/A45)


Object Number: 1338541  Size: FS
Master Electrical Component List
Memory Seats Description and Operation
Vertical and Horizontal Position Sensors (w/ A45)
Power and Ground (w/ A45)
Class 2 Serial Data (3 of 3)
Outside Mirrors
Figure 11:

Vertical and Horizontal Position Sensors (w/A45)


Object Number: 1338556  Size: FS
Master Electrical Component List
Memory Seats Description and Operation
Recline Position Sensors and Class 2 (w/ A45)
Memory/Personalization Function Switch (w/ A45)
Memory Lumbar Seat (w/ A45/AL2)
Figure 12:

Recline Position Sensors and Class 2 (w/A45)


Object Number: 1338559  Size: FS
Master Electrical Component List
Memory Seats Description and Operation
Vertical and Horizontal Position Sensors (w/ A45)
Class 2 Serial Data (3 of 3)
Memory Lumbar Seat (w/ A45/AL2)
Front/Rear Position Sensors (w/A45/AC9)