GM Service Manual Online
For 1990-2009 cars only
Makes
🢒
Cadillac
🢒
2004
🢒
DeVille
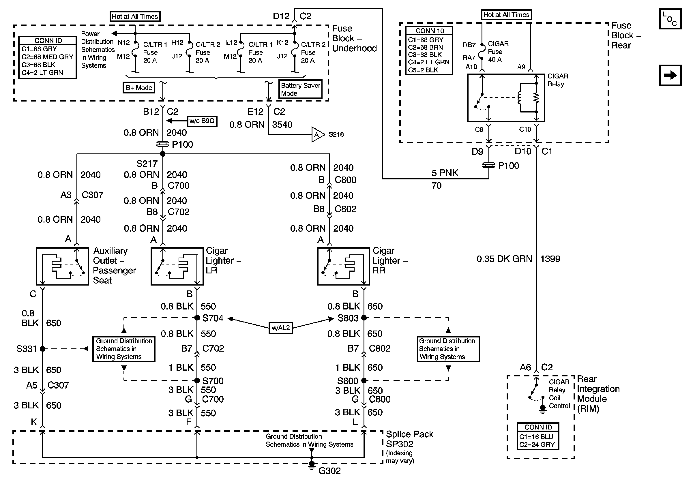
🢒 Rear Cigar Lighters
Rear Cigar Lighters
Rear Cigar Lighters
Master Electrical Component List
Front Cigar Lighters and Rear Auxiliary Outlets
Underhood Fuse Block Battery Voltage
G302 (1 of 3)
G302 (1 of 3)
G302 (1 of 3)
Front Cigar Lighters and Rear Auxiliary Outlets