GM Service Manual Online
For 1990-2009 cars only
Makes
🢒
Cadillac
🢒
2004
🢒
DeVille
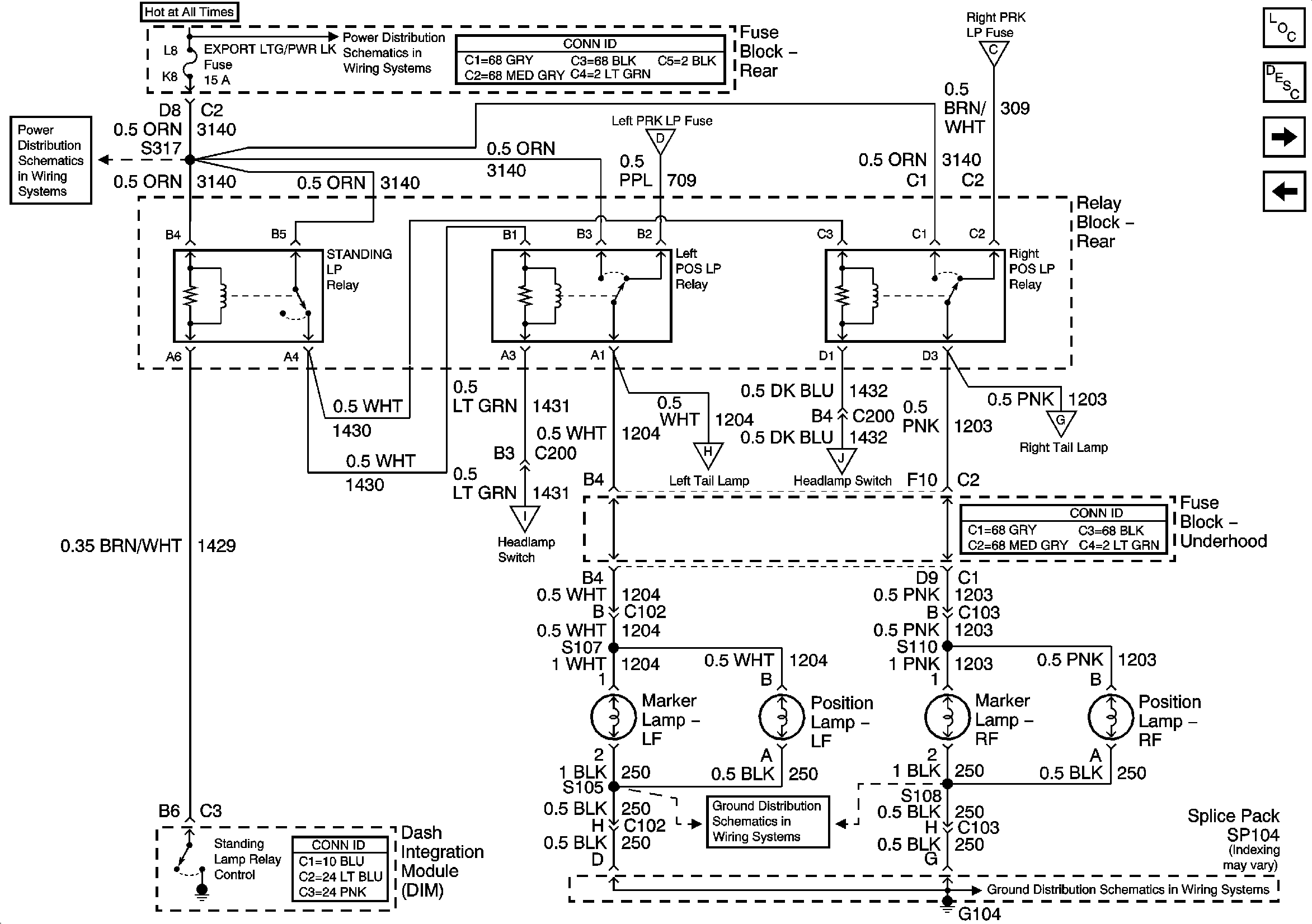
🢒 Standing and Position Lamp Relays
Standing and Position Lamp Relays
Standing and Position Lamp Relays
Master Electrical Component List
Exterior Lighting Systems Description and Operation
License and Cornering Lamps
Front Park/Turn and Repeater Lamps
Tail Lamps
Headlamp Switch and Park Lamp Relay
Tail Lamps
Headlamp Switch and Park Lamp Relay
G104
G104
Rear Fuse Block- AUDIO AMP, EXPORT LTG/PWR LK Fuses
Rear Fuse Block- AUDIO AMP, EXPORT LTG/PWR LK Fuses
Headlamp Switch and Park Lamp Relay
Headlamp Switch and Park Lamp Relay