GM Service Manual Online
For 1990-2009 cars only
Makes
🢒
Cadillac
🢒
2004
🢒
DeVille
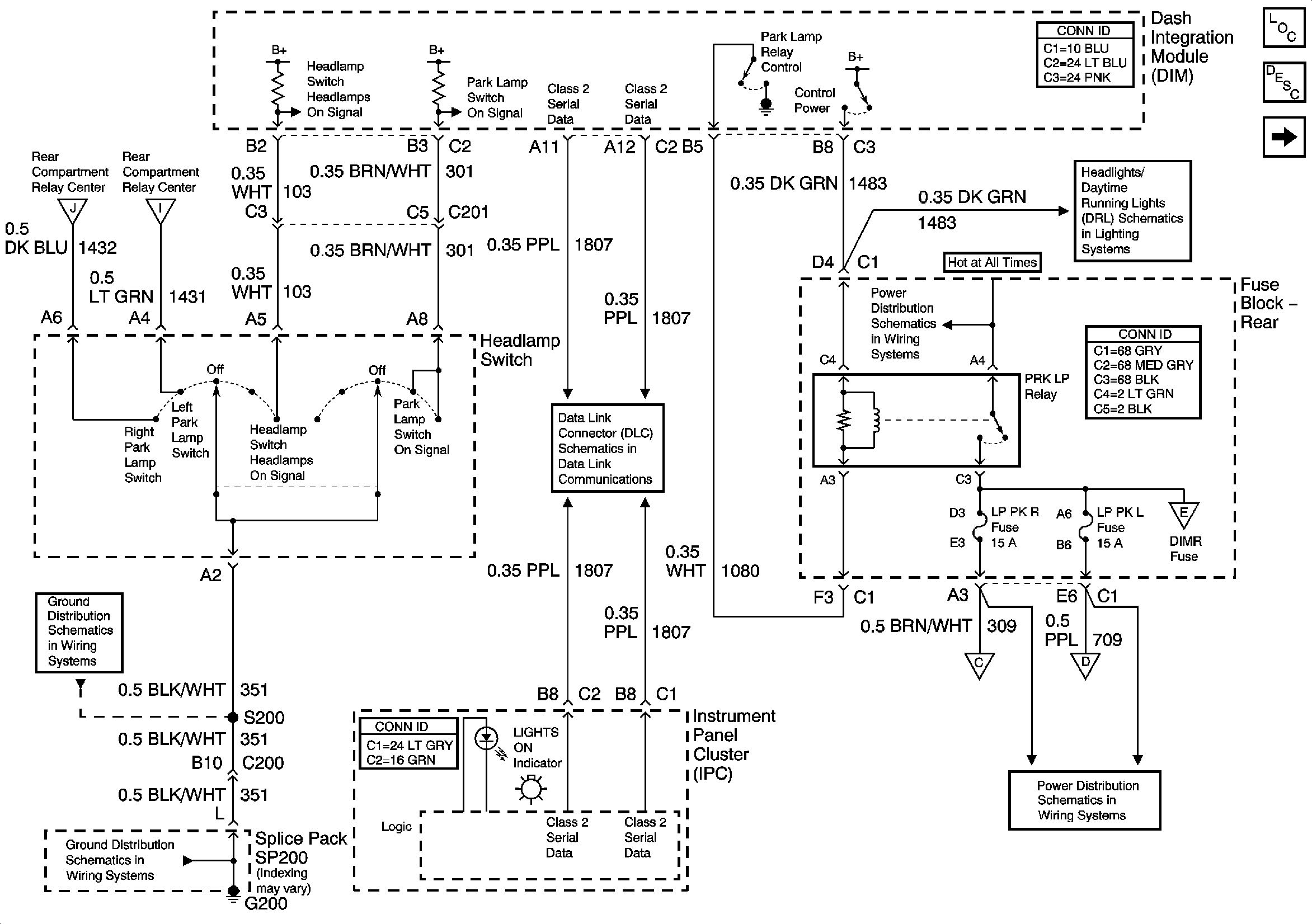
🢒 Headlamp Switch and Park Lamp Relay
Headlamp Switch and Park Lamp Relay
Headlamp Switch, Park Lamp Relay
Master Electrical Component List
Exterior Lighting Systems Description and Operation
Turn Signal/Flasher Module and Hazard Switch
License and Cornering Lamps
Rear Fuse Block- LP PK R and LP PK L Fuses, PRK LP Relay
Low Beam Headlamps (Domestic)
License and Cornering Lamps
Standing and Position Lamp Relays
Standing and Position Lamp Relays
G200
Standing and Position Lamp Relays
Standing and Position Lamp Relays