GM Service Manual Online
For 1990-2009 cars only
Makes
🢒
Cadillac
🢒
2004
🢒
DeVille
🢒 Turn Signal/Flasher Module and Hazard Switch
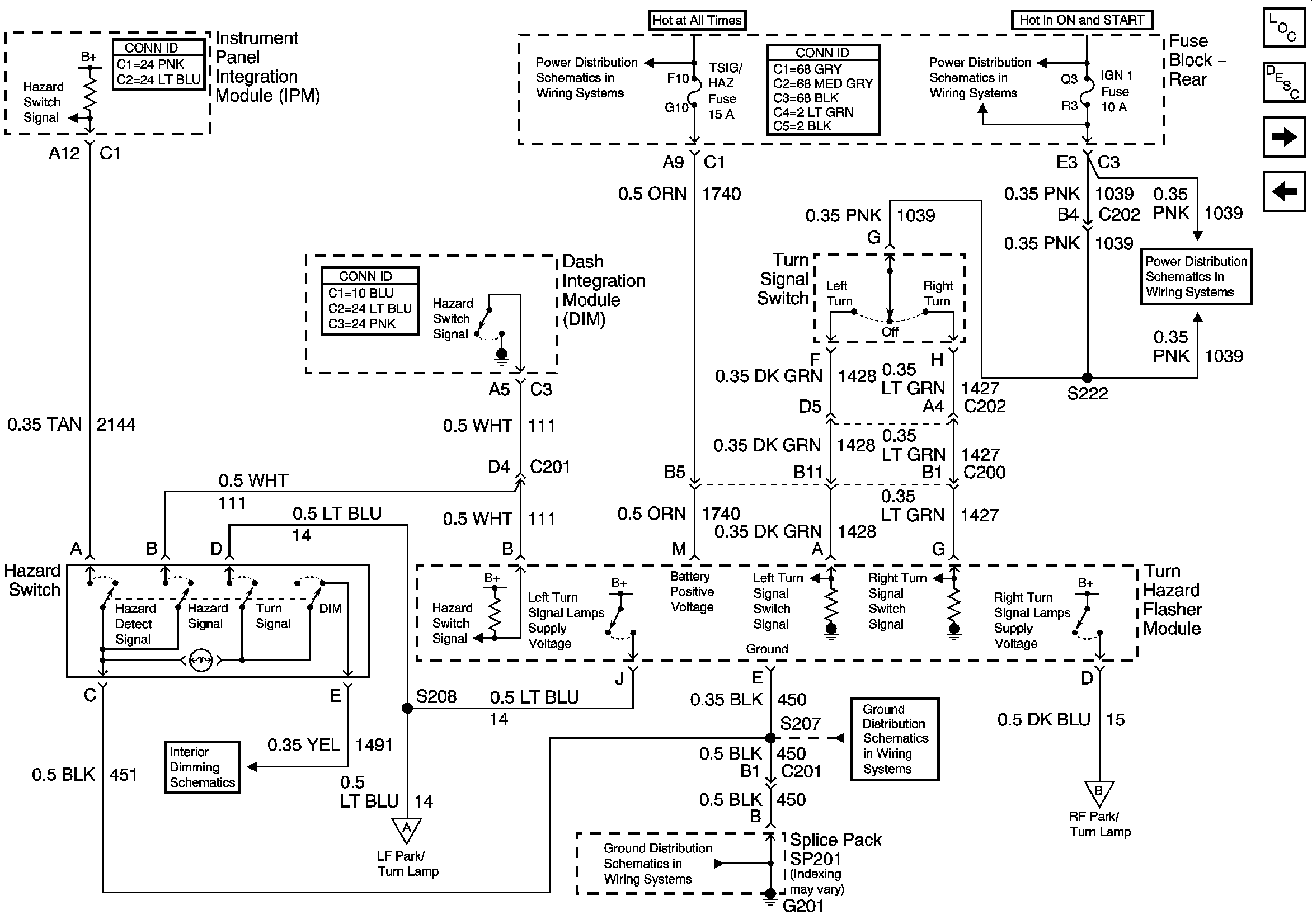
Turn Signal/Flasher Module and Hazard Switch
Turn/Hazard Flasher Module, Hazard Switch
Master Electrical Component List
Exterior Lighting Systems Description and Operation
Tail Lamps
Headlamp Switch and Park Lamp Relay
Rear Fuse Block- SIR, VENT SOL, IGN 1Fuse
Front Park/Turn and Repeater Lamps
G201 (2 of 3)
G201 (2 of 3)
Front Park/Turn and Repeater Lamps
Instrument Panel Dimming
Rear Fuse Block- SIR, VENT SOL, IGN 1Fuse