GM Service Manual Online
For 1990-2009 cars only
Makes
🢒
Cadillac
🢒
2004
🢒
DeVille
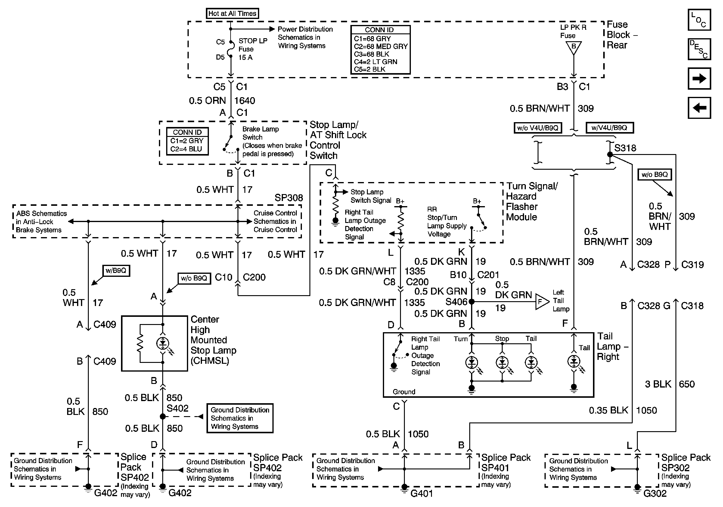
🢒 Right Tail Lamp and Center High Mounted Stop Lamp
Right Tail Lamp and Center High Mounted Stop Lamp
Right Tail Lamp and Center High Mounted Stop Lamp (CHMSL)
Master Electrical Component List
Exterior Lighting Systems Description and Operation
Left Tail Lamp
Turn Signal/Flasher Module and Hazard Switch
G302 (3 of 3)
G401
G402 (1 of 2)
G402 (1 of 2)
G402 (2 of 2)
EBCM Power and Ground, Stop Lamp Switch, and BPMV
Cruise Control Module PCM Inputs and Vehicle Speed Input
Left Tail Lamp
Headlamp Switch and Park Lamp Relay
Headlamp Switch and Park Lamp Relay