GM Service Manual Online
For 1990-2009 cars only
Makes
🢒
Cadillac
🢒
2004
🢒
DeVille
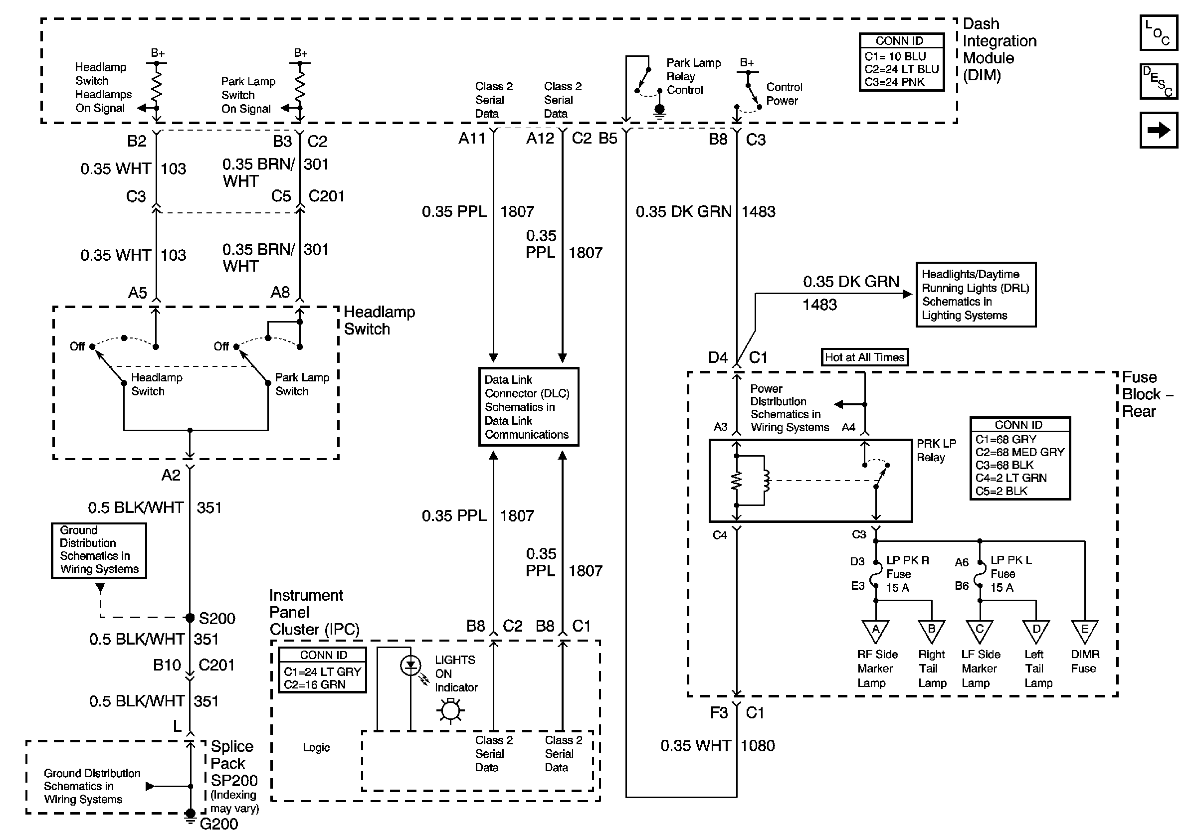
🢒 Headlamp Switch and Park Lamp Relay
Headlamp Switch and Park Lamp Relay
Headlamp Switch, Park Lamp Relay
Master Electrical Component List
Exterior Lighting Systems Description and Operation
Turn Signal/Flasher Module and Hazard Switch
License and Cornering Lamps
Low Beam Headlamps (Domestic)
Rear Fuse Block- LP PK R and LP PK L Fuses, PRK LP Relay
License and Cornering Lamps
Left Tail Lamp
Front Park/Turn and Side Marker Lamps
Right Tail Lamp and Center High Mounted Stop Lamp
Front Park/Turn and Side Marker Lamps
Class 2 Serial Data (1 of 3)
G200
G200