GM Service Manual Online
For 1990-2009 cars only
Makes
🢒
Cadillac
🢒
2004
🢒
DeVille
🢒 Turn Signal/Flasher Module and Hazard Switch
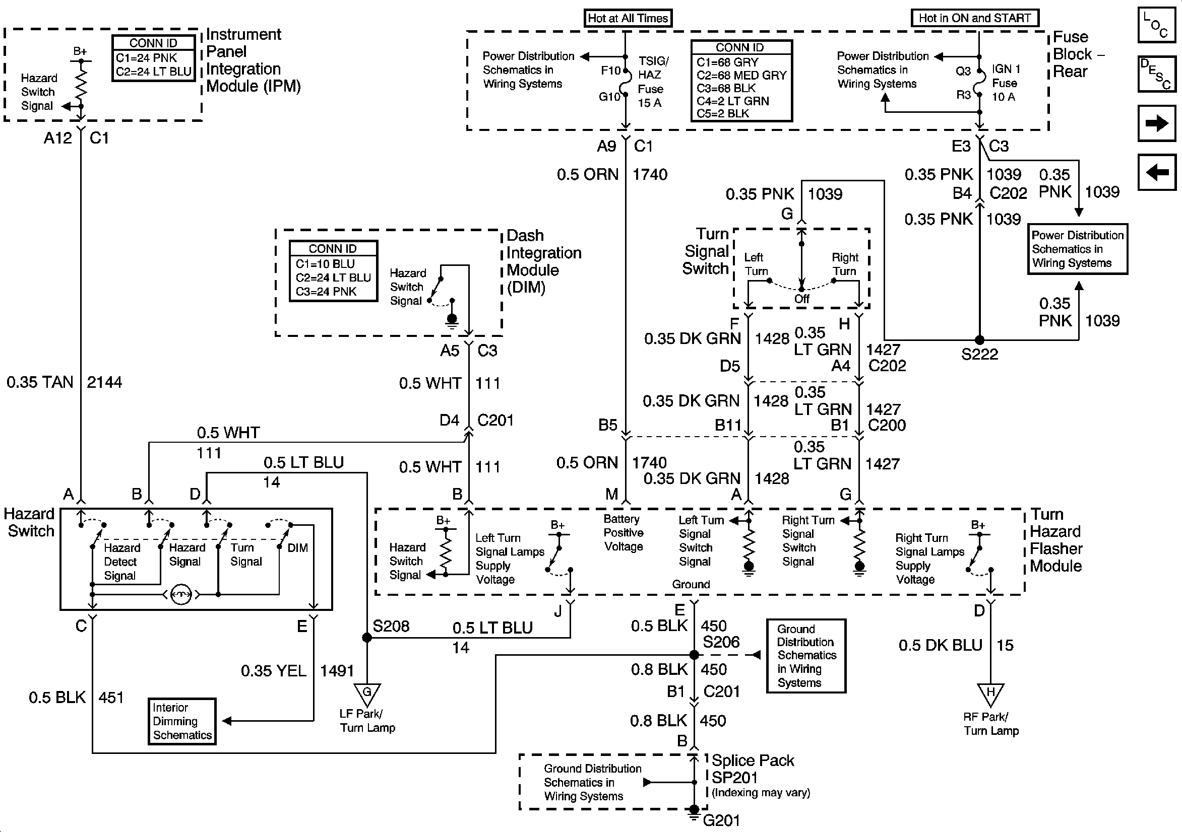
Turn Signal/Flasher Module and Hazard Switch
Turn/Hazard Flasher Module, Hazard Switch
Master Electrical Component List
Exterior Lighting Systems Description and Operation
Right Tail Lamp and Center High Mounted Stop Lamp
Headlamp Switch and Park Lamp Relay
Rear Fuse Block- SIR, VENT SOL, IGN 1Fuse
Front Park/Turn and Side Marker Lamps
G201 (2 of 3)
G201 (2 of 3)
Front Park/Turn and Side Marker Lamps
Instrument Panel Dimming
Rear Fuse Block- RR BLO, RRDR MDL, HVAC BAT, STOP LP, IGN SW, TSIG/HAZ Fuse
Rear Fuse Block- SIR, VENT SOL, IGN 1Fuse