GM Service Manual Online
For 1990-2009 cars only
Makes
🢒
Cadillac
🢒
2004
🢒
DeVille
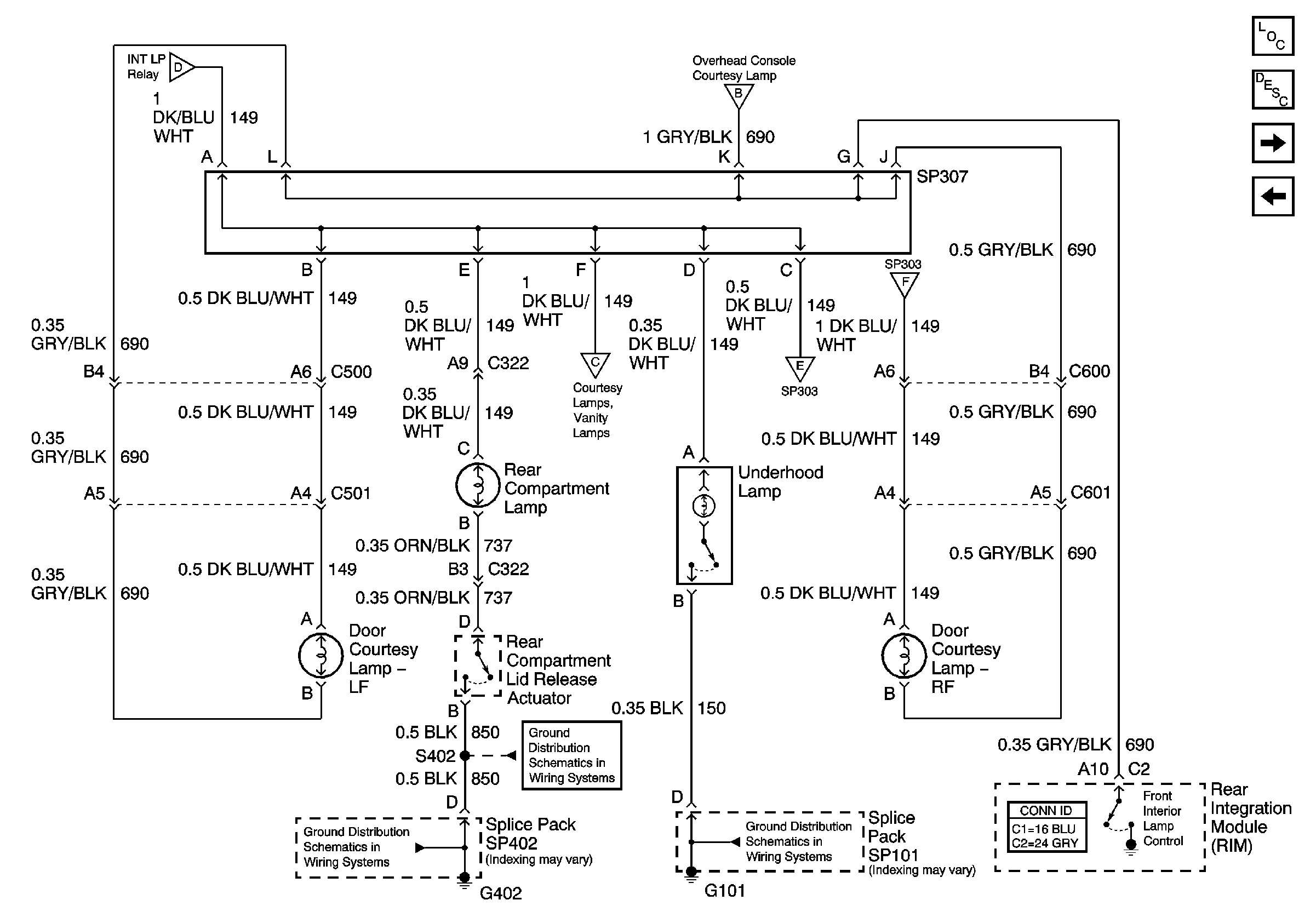
🢒 Front Door Courtesy, Rear Compartment, and Underhood Lamps
Front Door Courtesy, Rear Compartment, and Underhood Lamps
Front Door Courtesy Lamps, Rear Compartment, and Underhood Lamps
Master Electrical Component List
Interior Lighting Systems Description and Operation
Overhead Console, Vanity, and Courtesy Lamps
Interior Lamp Relay, Headlamp Switch and Rear Door Courtesy Lamps
G101
G402 (1 of 2)
Overhead Console, Vanity, and Courtesy Lamps
G402 (1 of 2)
Interior Lamp Relay, Headlamp Switch and Rear Door Courtesy Lamps
Interior Lamp Relay and Rear Door Courtesy Lamps
Interior Lamp Relay, Headlamp Switch and Rear Door Courtesy Lamps
Interior Lamp Relay, Headlamp Switch and Rear Door Courtesy Lamps