GM Service Manual Online
For 1990-2009 cars only
Makes
🢒
Cadillac
🢒
2004
🢒
DeVille
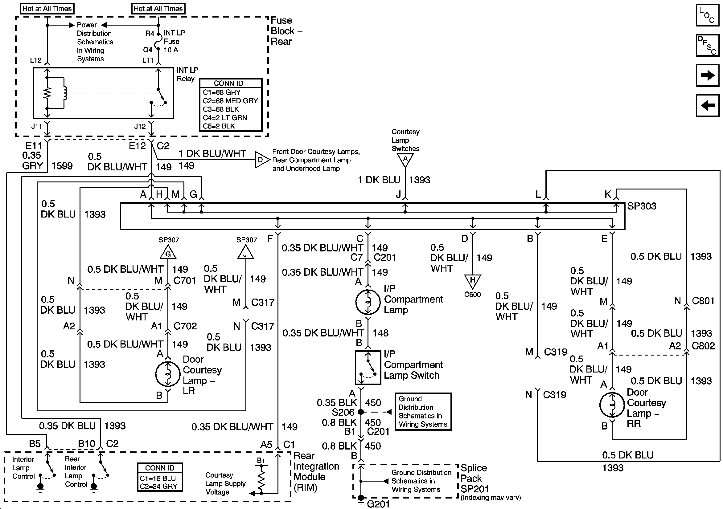
🢒 Front Door Courtesy, Rear Compartment, and Underhood Lamps
Front Door Courtesy, Rear Compartment, and Underhood Lamps
Front Door Courtesy Lamps, Rear Compartment, and Underhood Lamps
Master Electrical Component List
Interior Lighting Systems Description and Operation
Overhead Console, Vanity, and Courtesy Lamps
Interior Lamp Relay and Rear Door Courtesy Lamps
Interior Lamp Relay and Rear Door Courtesy Lamps
G201 (2 of 3)
G201 (2 of 3)
Interior Lamp Relay and Rear Door Courtesy Lamps
Interior Lamp Relay and Rear Door Courtesy Lamps
Rear Fuse Block Battery Voltage
Interior Lamp Relay and Rear Door Courtesy Lamps
Overhead Console, Vanity, and Courtesy Lamps