GM Service Manual Online
For 1990-2009 cars only
Makes
🢒
Cadillac
🢒
2004
🢒
DeVille
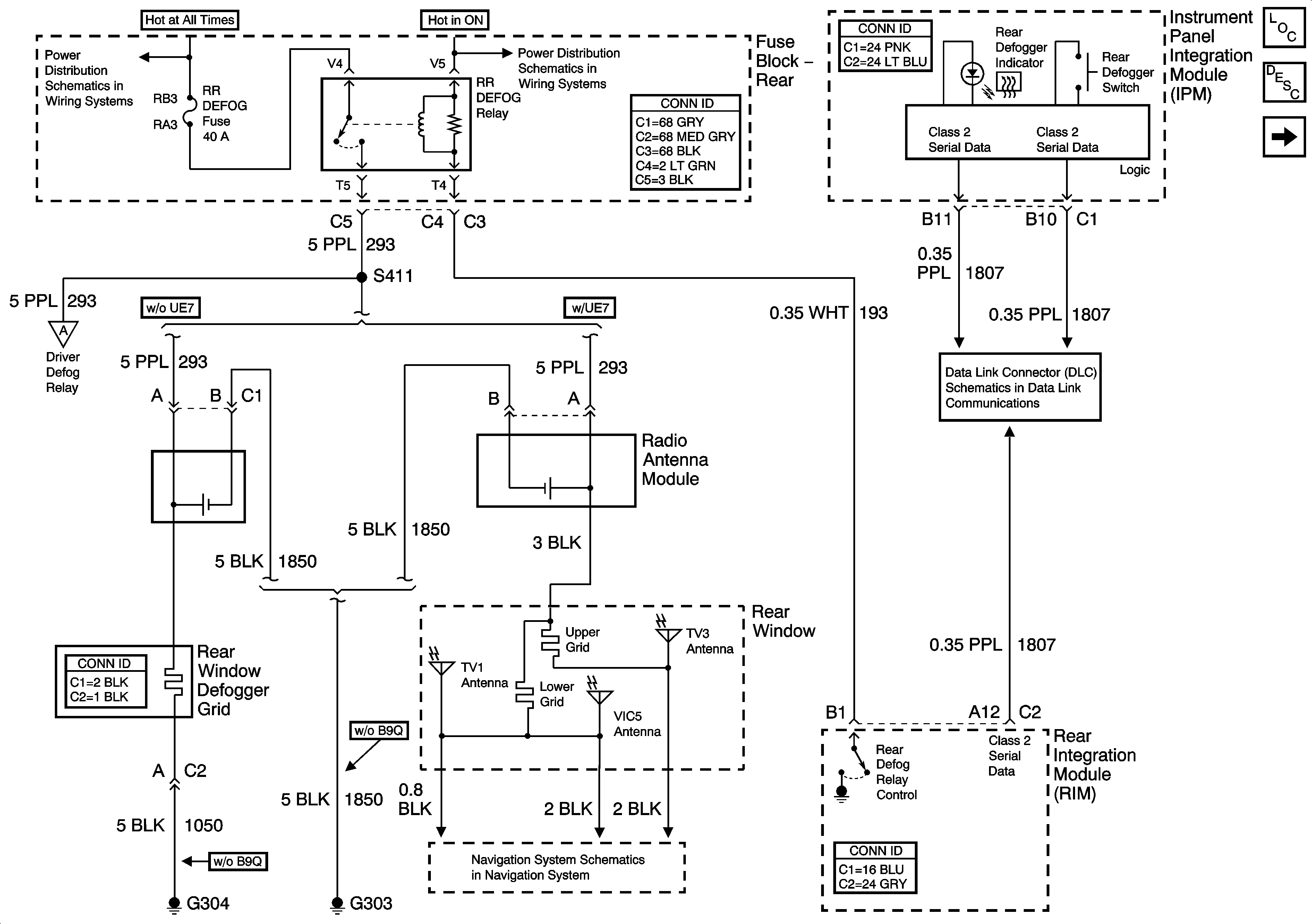
🢒 Defogger (w/o B9Q)
Defogger (w/o B9Q)
Master Electrical Component List
Rear Window Defogger Description and Operation
Windshield (w/ WC2/WC8)
Rear Fuse Block Battery Voltage
Ignition Feeds to Underhood and Rear Fuse Blocks
Windshield (w/ WC2/WC8)
TV Antenna Module-Export
Class 2 Serial Data (1 of 3)