GM Service Manual Online
For 1990-2009 cars only
Figure 1:

Cell 114: Inputs; DeVille


Object Number: 502080  Size: FS
Lighting Systems Components
Interior Lights Circuit Description
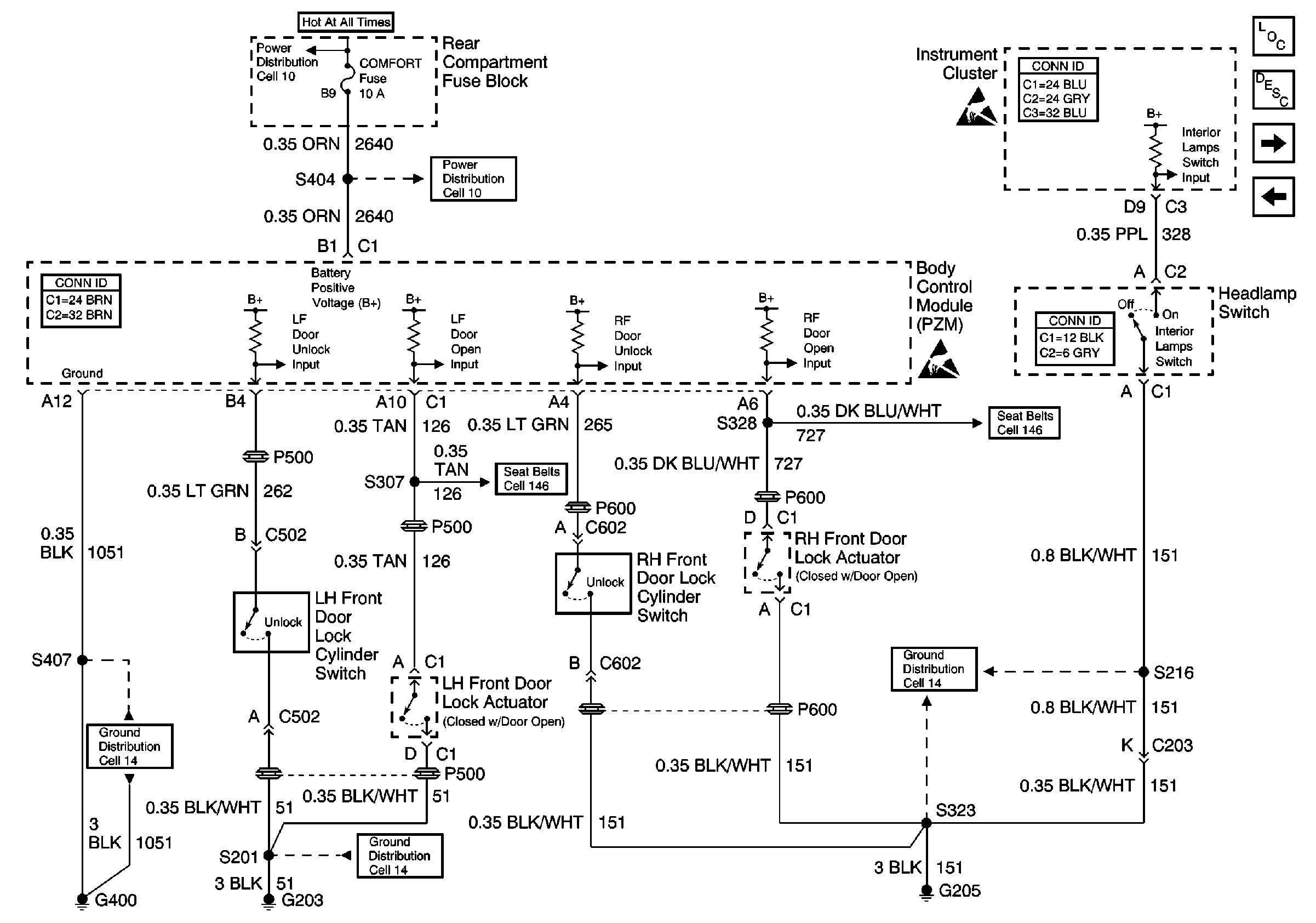
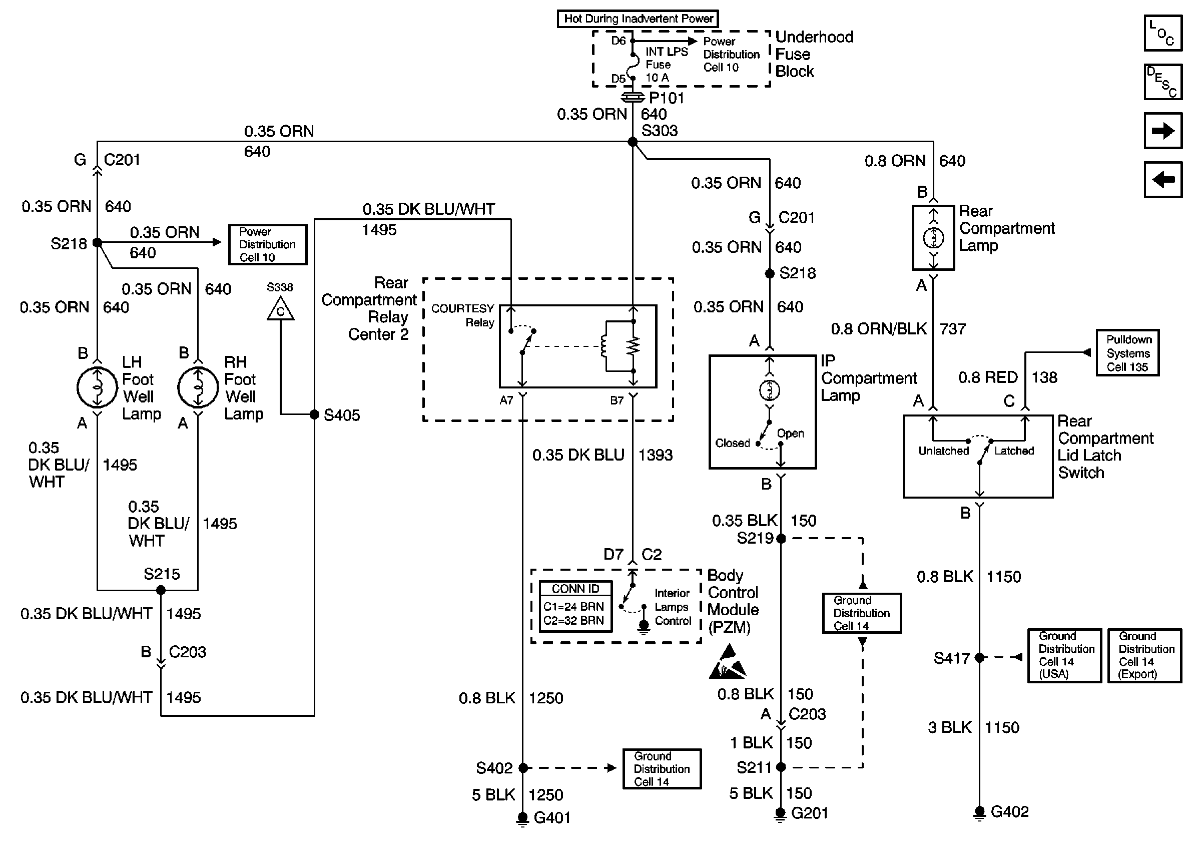
Cell 114: Door Courtesy, IP Compartment, and Rear Compartment Lamps; DeVille
Power Distribution Schematics
Body Control System Connector End Views
Handling ESD Sensitive Parts Notice
Handling ESD Sensitive Parts Notice
Ground Distribution Schematics
Ground Distribution Schematics
Ground Distribution Schematics
Instrument Panel, Gages, and Console Connector End Views
Lighting Systems Connector End Views
Figure 2:

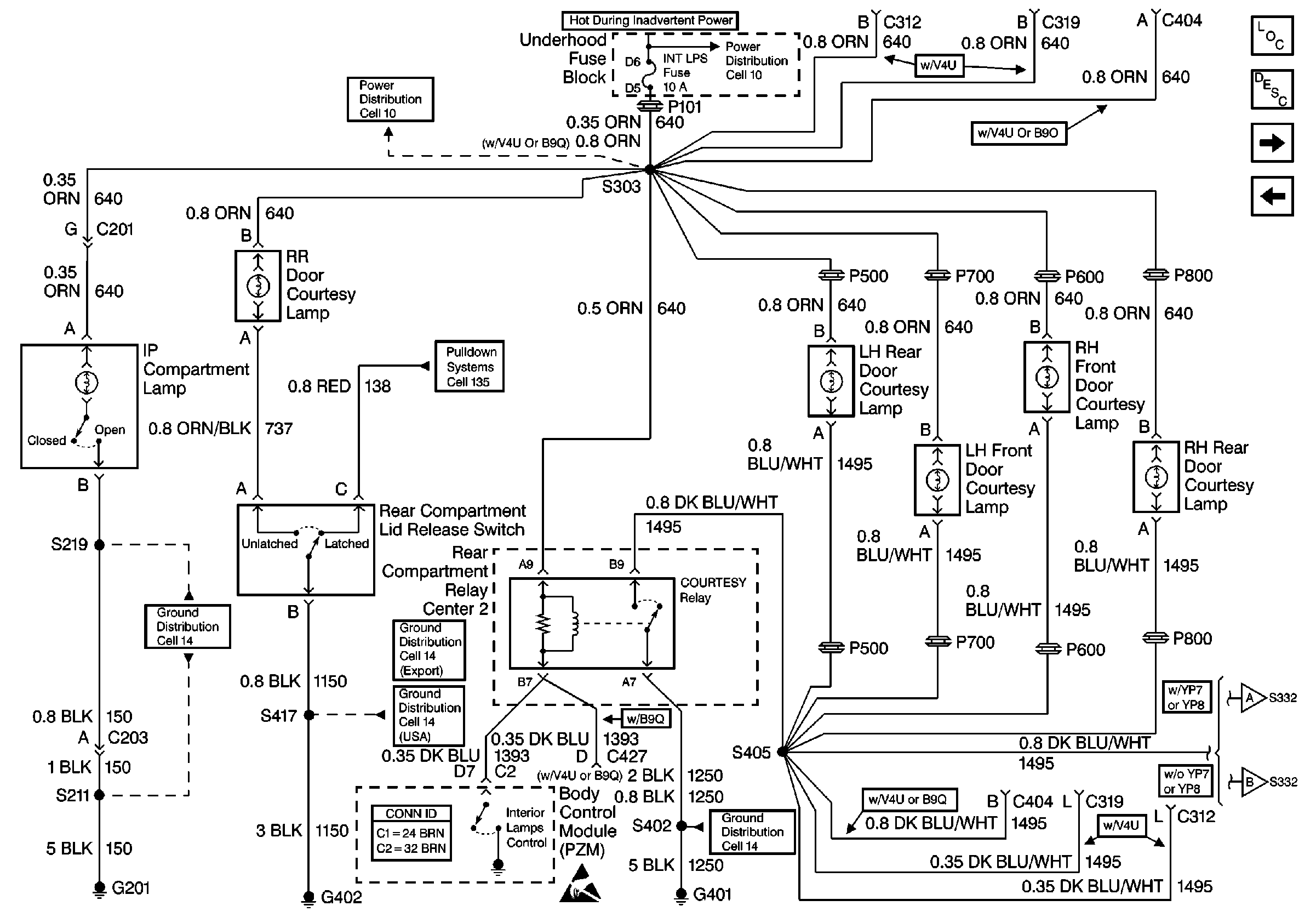
Cell 114: Door Courtesy, IP Compartment, and Rear Compartment Lamps; DeVille


Object Number: 502082  Size: FS
Lighting Systems Components
Interior Lights Circuit Description
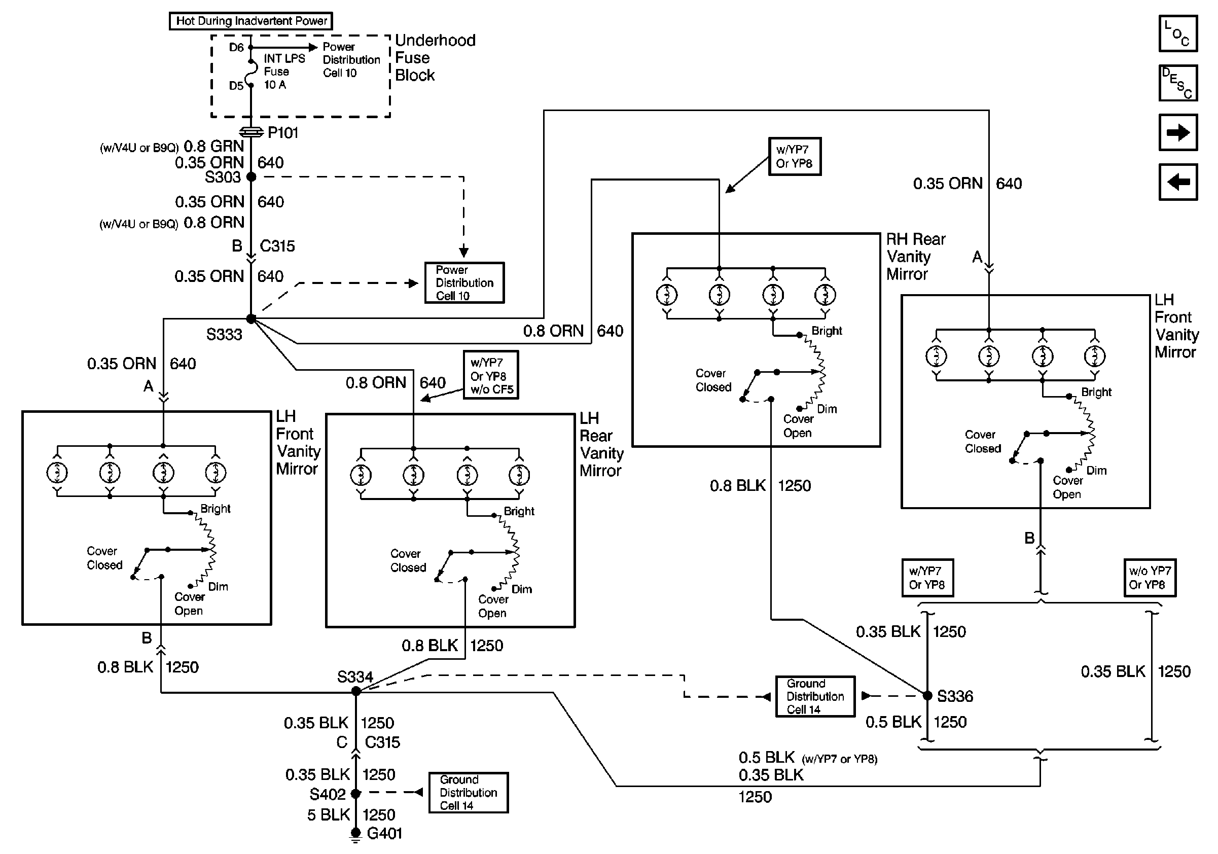
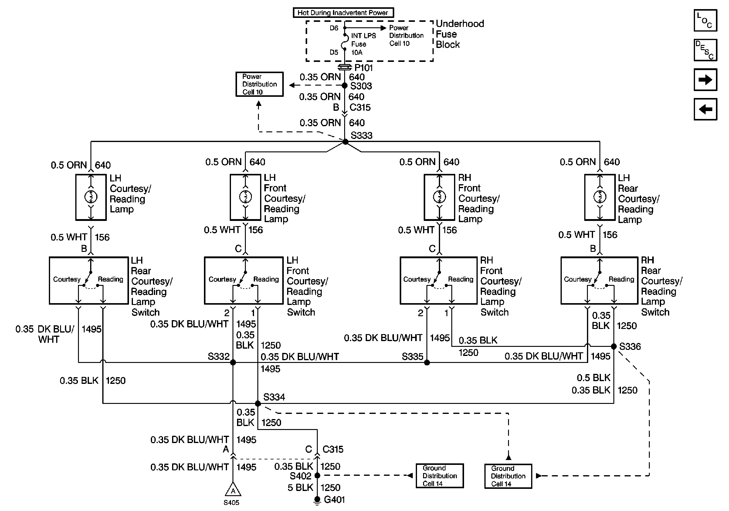
Cell 114: Courtesy/Reading Lamps - DeVille
Cell 114: Inputs; DeVille
Power Distribution Schematics
Power Distribution Schematics
Handling ESD Sensitive Parts Notice
Cell 135
Ground Distribution Schematics
Ground Distribution Schematics
Ground Distribution Schematics
Ground Distribution Schematics
Cell 114: Courtesy/Reading Lamps w/YP7 or YP8 - DeVille
Cell 114: Courtesy/Reading Lamps - DeVille
Body Control System Connector End Views
Figure 3:

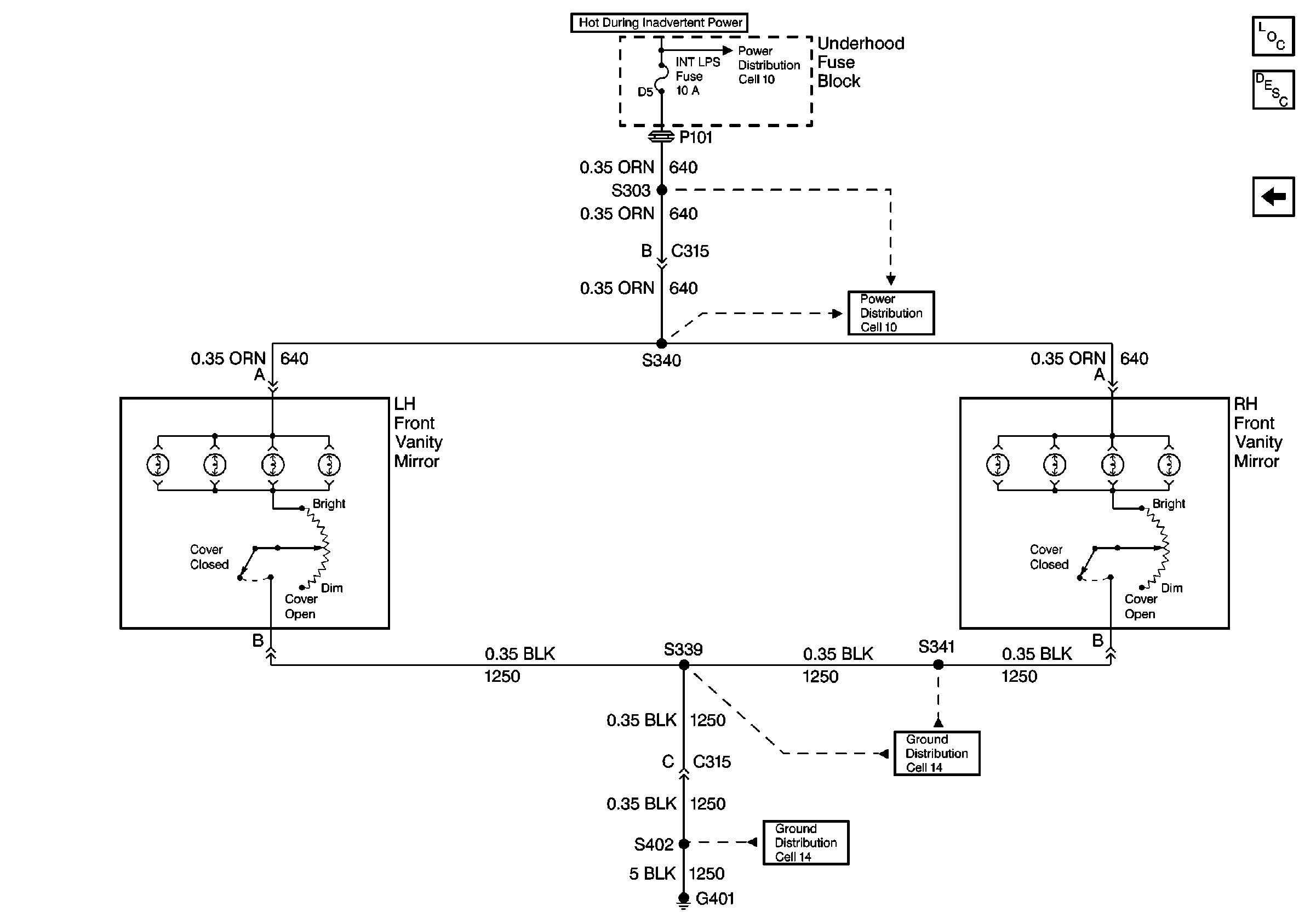
Cell 114: Courtesy/Reading Lamps -- DeVille


Object Number: 502084  Size: FS
Lighting Systems Components
Interior Lights Circuit Description
Cell 114: Courtesy/Reading Lamps w/YP7 or YP8 - DeVille
Cell 114: Door Courtesy, IP Compartment, and Rear Compartment Lamps; DeVille
Power Distribution Schematics
Cell 114: Door Courtesy, IP Compartment, and Rear Compartment Lamps; DeVille
Ground Distribution Schematics
Ground Distribution Schematics
Power Distribution Schematics
Figure 4:

Cell 114: Courtesy/Reading Lamps w/YP7 or YP8 -- DeVille


Object Number: 502086  Size: FS
Lighting Systems Components
Interior Lights Circuit Description
Cell 114: Vanity Mirrors; DeVille
Cell 114: Courtesy/Reading Lamps - DeVille
Power Distribution Schematics
Ground Distribution Schematics
Ground Distribution Schematics
Power Distribution Schematics
Cell 114: Door Courtesy, IP Compartment, and Rear Compartment Lamps; DeVille
Figure 5:

Cell 114: Vanity Mirrors; DeVille


Object Number: 502089  Size: FS
Lighting Systems Components
Interior Lights Circuit Description
Cell 114: Courtesy/Reading Lamps w/YP7 or YP8 - DeVille
Ground Distribution Schematics
Ground Distribution Schematics
Power Distribution Schematics
Power Distribution Schematics
Cell 114: Inputs; Eldorado
Figure 6:

Cell 114: Inputs; Eldorado


Object Number: 502092  Size: FS
Ground Distribution Schematics
Ground Distribution Schematics
Ground Distribution Schematics
Lighting Systems Connector End Views
Handling ESD Sensitive Parts Notice
Body Control System Connector End Views
Power Distribution Schematics
Power Distribution Schematics
Handling ESD Sensitive Parts Notice
Instrument Panel, Gages, and Console Connector End Views
Lighting Systems Components
Interior Lights Circuit Description
Cell 114: Door Courtesy, IP Compartment, and Rear Compartment Lamps - Eldorado
Cell 114: Vanity Mirrors; DeVille
Cell 146
Cell 146
Figure 7:

Cell 114: Door Courtesy, IP Compartment, and Rear Compartment Lamps -- Eldorado


Object Number: 502094  Size: FS
Cell 114: Courtesy/Reading Lamps; Eldorado
Power Distribution Schematics
Ground Distribution Schematics
Handling ESD Sensitive Parts Notice
Body Control System Connector End Views
Ground Distribution Schematics
Ground Distribution Schematics
Ground Distribution Schematics
Power Distribution Schematics
Cell 135
Lighting Systems Components
Interior Lights Circuit Description
Cell 114: Courtesy/Reading Lamps; Eldorado
Cell 114: Inputs; Eldorado
Figure 8:

Cell 114: Courtesy/Reading Lamps; Eldorado


Object Number: 502097  Size: FS
Power Distribution Schematics
Power Distribution Schematics
Cell 114: Door Courtesy, IP Compartment, and Rear Compartment Lamps - Eldorado
Ground Distribution Schematics
Ground Distribution Schematics
Lighting Systems Components
Interior Lights Circuit Description
Cell 114: Vanity Mirrors; Eldorado
Cell 114: Door Courtesy, IP Compartment, and Rear Compartment Lamps - Eldorado
Figure 9:

Cell 114: Vanity Mirrors; Eldorado


Object Number: 502098  Size: FS
Power Distribution Schematics
Power Distribution Schematics
Ground Distribution Schematics
Ground Distribution Schematics
Cell 114: Courtesy/Reading Lamps; Eldorado
Lighting Systems Components
Interior Lights Circuit Description