GM Service Manual Online
For 1990-2009 cars only
Figure 1:

Cell 14: G100, G105


Object Number: 501587  Size: FS
Power and Grounding Components
Cell 14: G101 (Deville)
Power Distribution Schematics
Figure 2:

Cell 14: G101 (Deville)


Object Number: 501592  Size: FS
Power and Grounding Components
Cell 14: G101 (Eldorado)
Cell 14: G100, G105
Figure 3:

Cell 14: G101 (Eldorado)


Object Number: 501595  Size: FS
Power and Grounding Components
Cell 14: G102
Cell 14: G101 (Deville)
Figure 4:

Cell 14: G102


Object Number: 501597  Size: FS
Power and Grounding Components
Cell 14: G107, G110
Cell 14: G101 (Eldorado)
Handling ESD Sensitive Parts Notice
Handling ESD Sensitive Parts Notice
Figure 5:

Cell 14: G107, G110


Object Number: 501599  Size: FS
Power and Grounding Components
Cell 14: G201
Cell 14: G102
Handling ESD Sensitive Parts Notice
Handling ESD Sensitive Parts Notice
Figure 6:

Cell 14: G201


Object Number: 501601  Size: FS
Power and Grounding Components
Cell 14: G203
Cell 14: G107, G110
Handling ESD Sensitive Parts Notice
Figure 7:

Cell 14: G203


Object Number: 501603  Size: FS
Power and Grounding Components
Cell 14: G204
Cell 14: G201
Handling ESD Sensitive Parts Notice
Figure 8:

Cell 14: G204


Object Number: 501606  Size: FS
Power and Grounding Components
Cell 14: G205
Cell 14: G203
Figure 9:

Cell 14: G205


Object Number: 501610  Size: FS
Power and Grounding Components
Cell 14: G302 (Eldorado 1 of 2)
Cell 14: G204
Handling ESD Sensitive Parts Notice
Handling ESD Sensitive Parts Notice
Handling ESD Sensitive Parts Notice
Figure 10:

Cell 14: G302 (Eldorado 1 of 2)


Object Number: 501613  Size: FS
Power and Grounding Components
Cell 14: G302 (Eldorado 2 of 2)
Cell 14: G205
Handling ESD Sensitive Parts Notice
Handling ESD Sensitive Parts Notice
Handling ESD Sensitive Parts Notice
Cell 14: G302 (Eldorado 2 of 2)
Figure 11:

Cell 14: G302 (Eldorado 2 of 2)


Object Number: 501614  Size: FS
Power and Grounding Components
Cell 14: G302 (DeVille 1 of 2)
Cell 14: G302 (Eldorado 1 of 2)
Cell 14: G302 (Eldorado 1 of 2)
Figure 12:

Cell 14: G302 (DeVille 1 of 2)


Object Number: 501617  Size: FS
Power and Grounding Components
Cell 14: G302 (DeVille 2 of 2)
Cell 14: G302 (Eldorado 2 of 2)
Handling ESD Sensitive Parts Notice
Handling ESD Sensitive Parts Notice
Cell 14: G302 (DeVille 2 of 2)
Cell 14: G302 (DeVille 2 of 2)
Figure 13:

Cell 14: G302 (DeVille 2 of 2)


Object Number: 501619  Size: FS
Power and Grounding Components
Cell 14: G400 (w/o UQ4)
Cell 14: G302 (DeVille 1 of 2)
Handling ESD Sensitive Parts Notice
Cell 14: G302 (DeVille 1 of 2)
Cell 14: G302 (DeVille 1 of 2)
Figure 14:

Cell 14: G400 (w/o UQ4)


Object Number: 501621  Size: FS
Power and Grounding Components
Cell 14: G400 (w/ UQ4)
Cell 14: G302 (DeVille 2 of 2)
Handling ESD Sensitive Parts Notice
Cell 14: G400 (w/ UQ4)
Handling ESD Sensitive Parts Notice
Handling ESD Sensitive Parts Notice
Handling ESD Sensitive Parts Notice
Handling ESD Sensitive Parts Notice
Handling ESD Sensitive Parts Notice
Handling ESD Sensitive Parts Notice
Figure 15:

Cell 14: G400 (w/ UQ4)


Object Number: 501622  Size: FS
Power and Grounding Components
Cell 14: G401 (DeVille 1 of 2)
Cell 14: G400 (w/o UQ4)
Cell 14: G400 (w/o UQ4)
Figure 16:

Cell 14: G401 (DeVille 1 of 2)


Object Number: 501623  Size: FS
Power and Grounding Components
Cell 14: G401 (DeVille 2 of 2)
Cell 14: G400 (w/ UQ4)
Cell 14: G401 (DeVille 2 of 2)
Handling ESD Sensitive Parts Notice
Figure 17:

Cell 14: G401 (DeVille 2 of 2)


Object Number: 501624  Size: FS
Power and Grounding Components
Cell 14: G401 (Eldorado 1 of 2)
Cell 14: G401 (DeVille 1 of 2)
Cell 14: G401 (DeVille 1 of 2)
Figure 18:

Cell 14: G401 (Eldorado 1 of 2)


Object Number: 501625  Size: FS
Power and Grounding Components
Cell 14: G401 (Eldorado 2 of 2)
Cell 14: G401 (DeVille 2 of 2)
Cell 14: G401 (Eldorado 2 of 2)
Handling ESD Sensitive Parts Notice
Figure 19:

Cell 14: G401 (Eldorado 2 of 2)


Object Number: 501626  Size: FS
Power and Grounding Components
Cell 14: G402 (DeVille Domestic)
Cell 14: G401 (Eldorado 1 of 2)
Cell 14: G401 (Eldorado 1 of 2)
Figure 20:

Cell 14: G402 (DeVille Domestic)


Object Number: 501627  Size: FS
Power and Grounding Components
Cell 14: G402 (DeVille Export)
Cell 14: G401 (Eldorado 2 of 2)
Figure 21:

Cell 14: G402 (DeVille Export)


Object Number: 501629  Size: FS
Power and Grounding Components
Cell 14: G402 (DeVille Domestic)
Cell 14: G402 (Eldorado Export)
Figure 22:

Cell 14: G402 (Eldorado Export)


Object Number: 501630  Size: FS
Power and Grounding Components
Cell 14: G402 (Eldorado Domestic)
Cell 14: G402 (DeVille Export)
Figure 23:

Cell 14: G402 (Eldorado Domestic)


Object Number: 501631  Size: FS
Power and Grounding Components
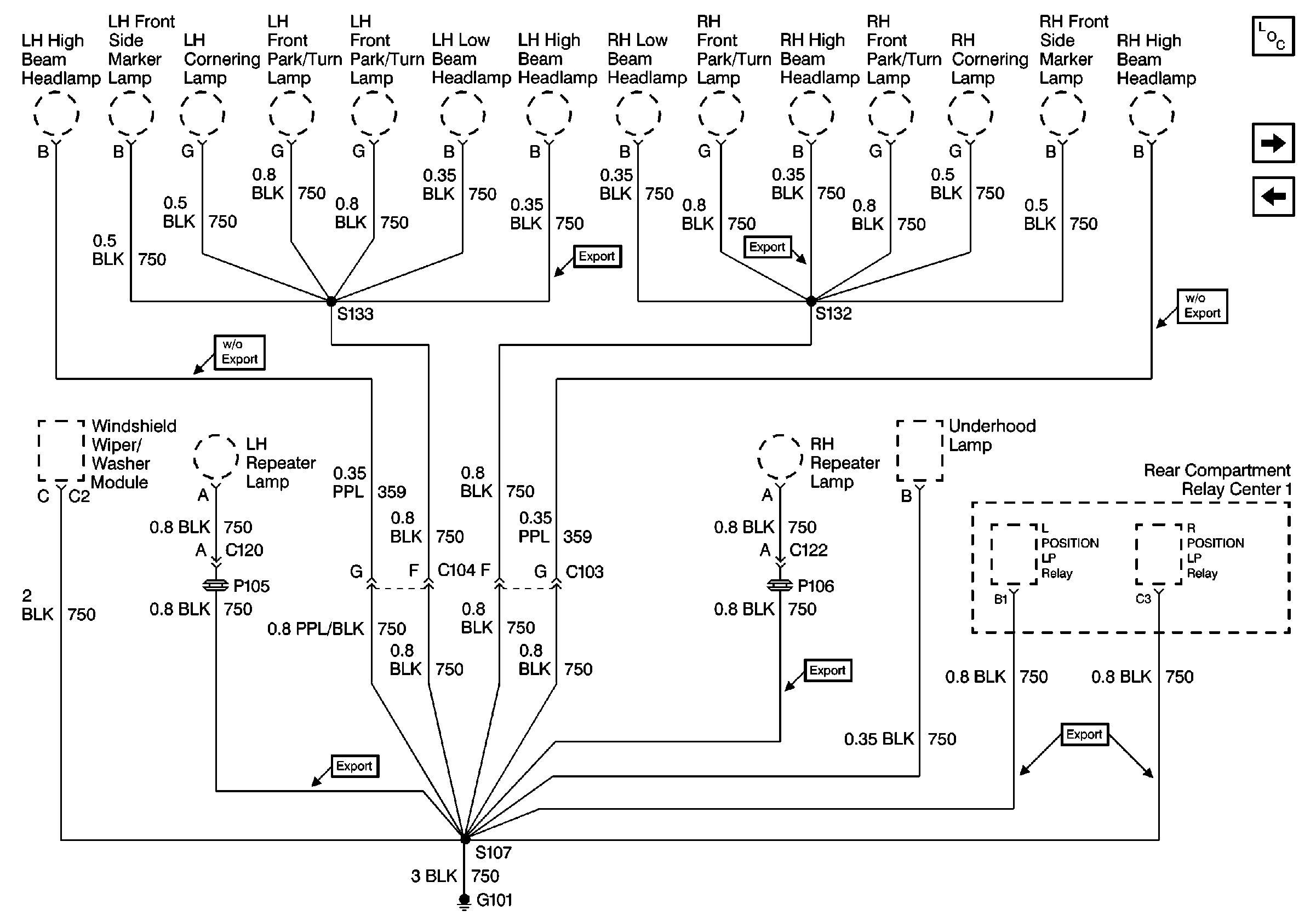
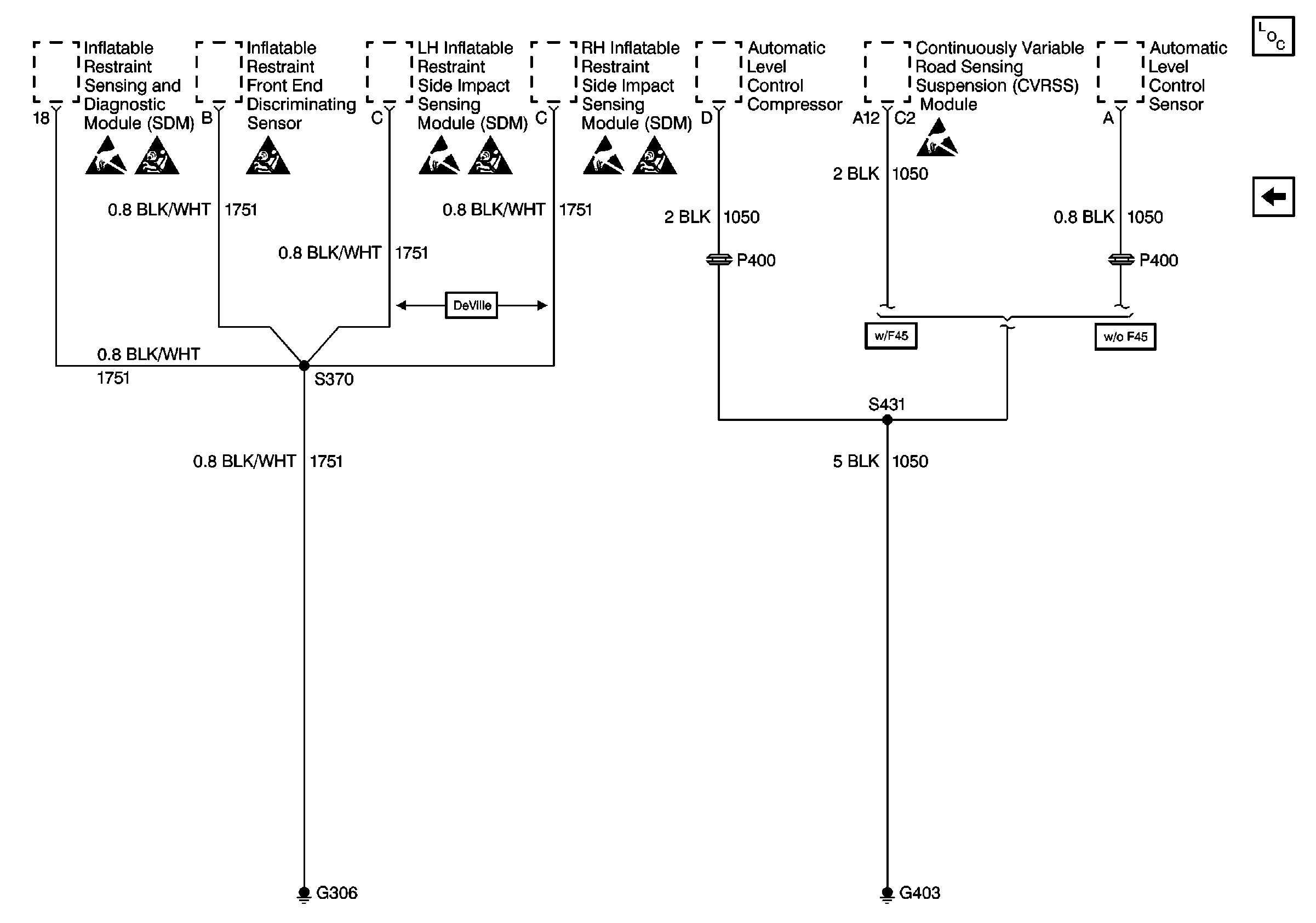
Cell 14: G306, G403
Cell 14: G402 (Eldorado Export)
Figure 24:

Cell 14: G306, G403


Object Number: 501632  Size: FS
Power and Grounding Components
Cell 14: G402 (Eldorado Domestic)
Handling ESD Sensitive Parts Notice
Handling ESD Sensitive Parts Notice
Handling ESD Sensitive Parts Notice
Handling ESD Sensitive Parts Notice
SIR Caution
SIR Caution
SIR Caution
SIR Caution