GM Service Manual Online
For 1990-2009 cars only
Makes
🢒
Cadillac
🢒
1998
🢒
Eldorado
🢒
Body and Accessories
🢒
Entertainment
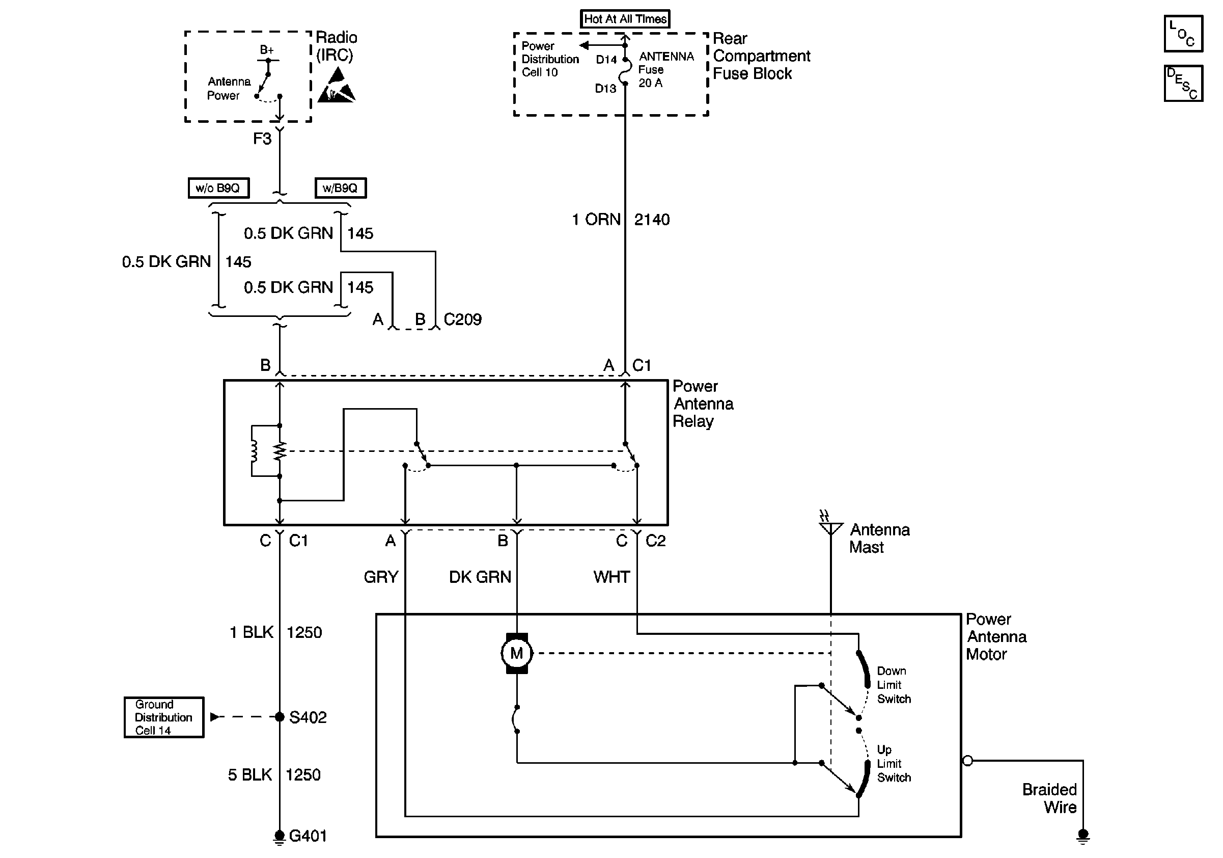
🢒 Power Antenna Schematics
Cell 151
Handling ESD Sensitive Parts Notice
Power Distribution Schematics
Ground Distribution Schematics
Entertainment Components
Power Antenna System Circuit Description