GM Service Manual Online
For 1990-2009 cars only
Makes
🢒
Cadillac
🢒
1998
🢒
Eldorado
🢒
Body and Accessories
🢒
Entertainment
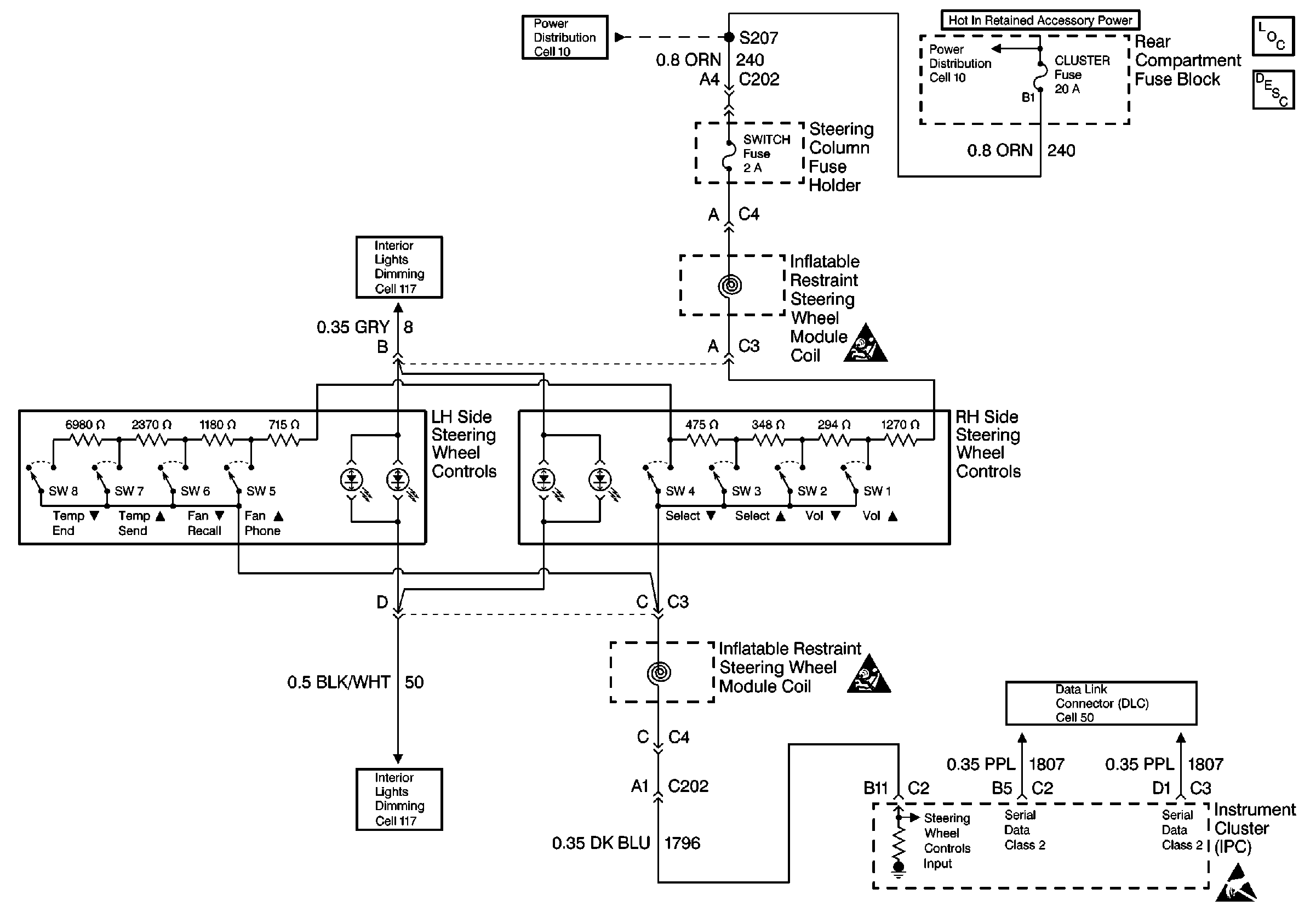
🢒 Steering Wheel Controls Schematics
Cell 152
Power Distribution Schematics
Entertainment Components
Power Antenna System Circuit Description
SIR Caution
SIR Caution
Interior Lights Dimming Schematics
Interior Lights Dimming Schematics
Data Link Connector Schematics
Power Distribution Schematics
Handling ESD Sensitive Parts Notice