GM Service Manual Online
For 1990-2009 cars only
Makes
🢒
Cadillac
🢒
1998
🢒
Eldorado
🢒
Body and Accessories
🢒
Cellular Communication
🢒 Cellular Telephone Schematics
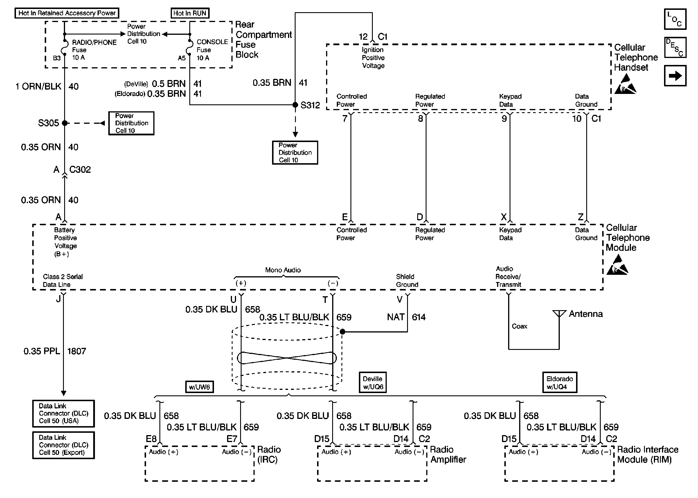
Figure
1:
Cell 153: Cellular Telephone Module
Cellular Communication Component Views
Cellular Telephone Circuit Description
Cell 153: Cellular Telephone Microphone
Handling ESD Sensitive Parts Notice
Handling ESD Sensitive Parts Notice
Power Distribution Schematics
Data Link Connector Schematics
Power Distribution Schematics
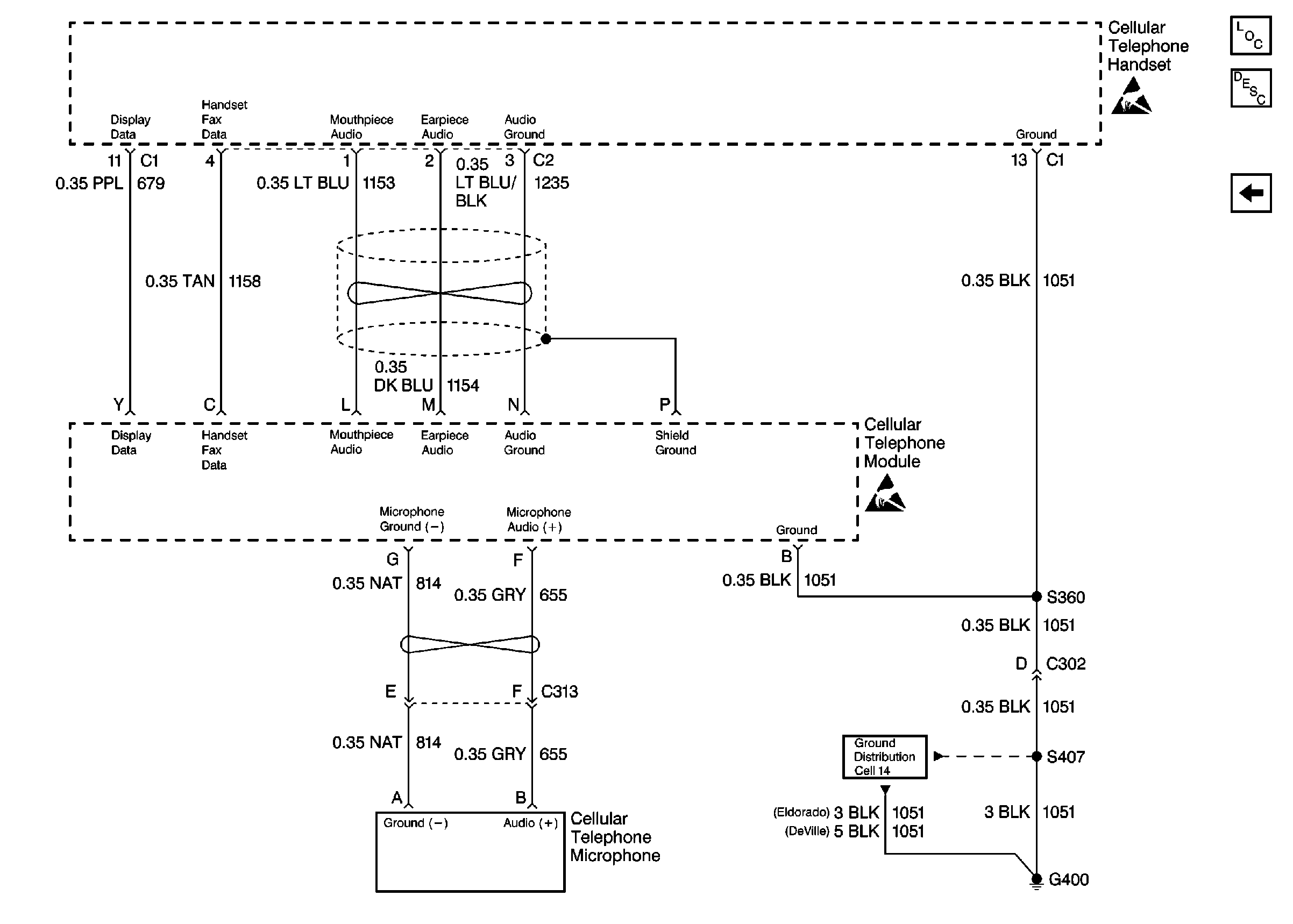
Figure
2:
Cell 153: Cellular Telephone Microphone
Cellular Communication Component Views
Cellular Telephone Circuit Description
Cell 153: Cellular Telephone Module
Handling ESD Sensitive Parts Notice
Handling ESD Sensitive Parts Notice
Ground Distribution Schematics