GM Service Manual Online
For 1990-2009 cars only

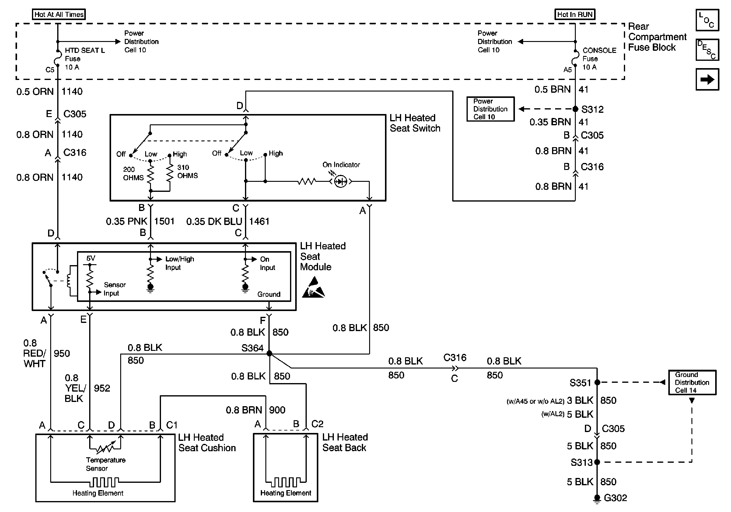
Cell 143: Left Heated Seat (DeVille)


Object Number: 501152  Size: FS
Power Seat Systems Components
Heated Seats Circuit Description
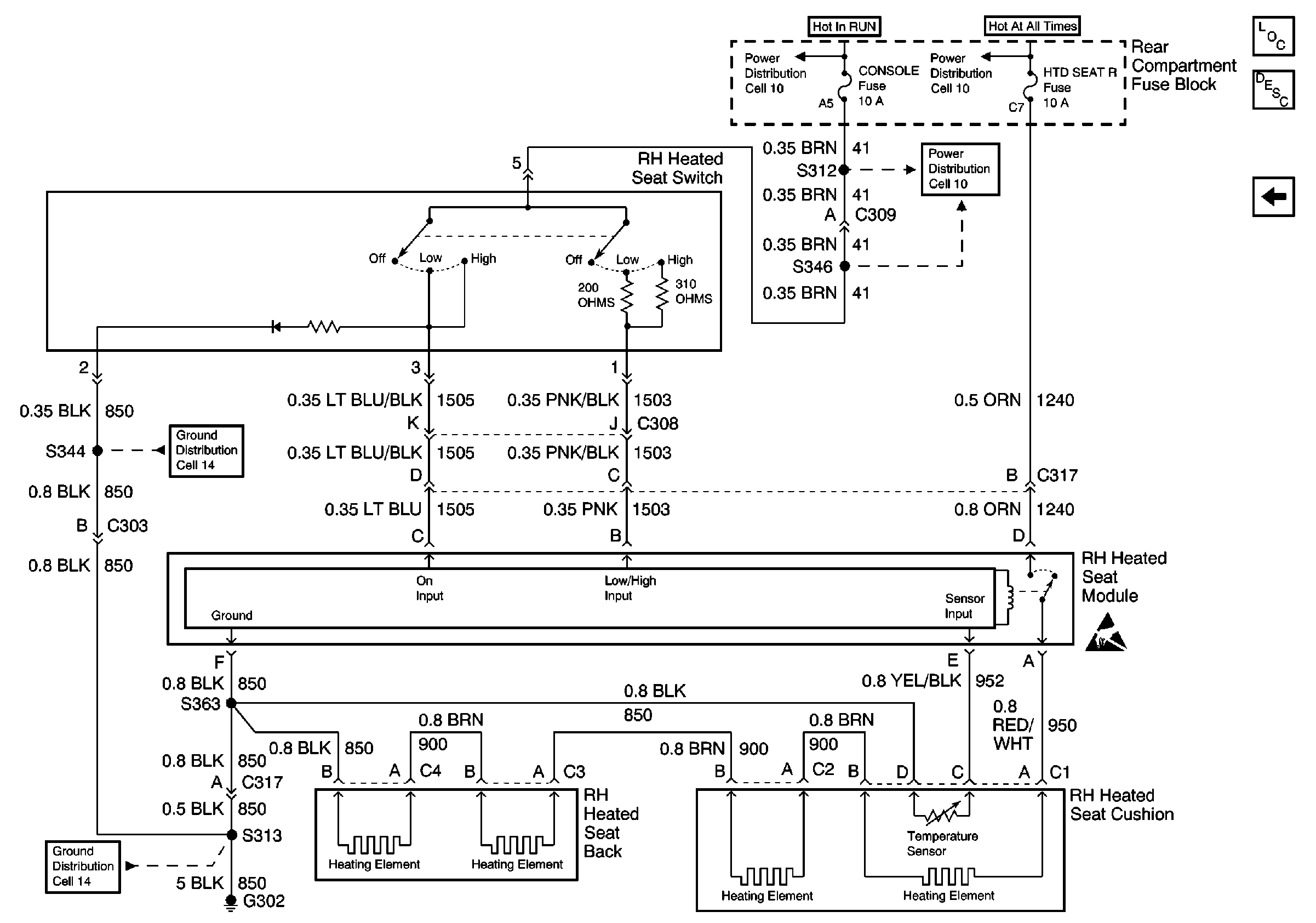
Cell 143: Right Heated Seat (DeVille)
Power Distribution Schematics
Power Distribution Schematics
Ground Distribution Schematics
Power Distribution Schematics
Handling ESD Sensitive Parts Notice

Cell 143: Right Heated Seat (DeVille)


Object Number: 501154  Size: FS
Power Seat Systems Components
Heated Seats Circuit Description
Cell 143: Left Heated Seat (DeVille)
Power Distribution Schematics
Power Distribution Schematics
Power Distribution Schematics
Handling ESD Sensitive Parts Notice
Ground Distribution Schematics
Ground Distribution Schematics
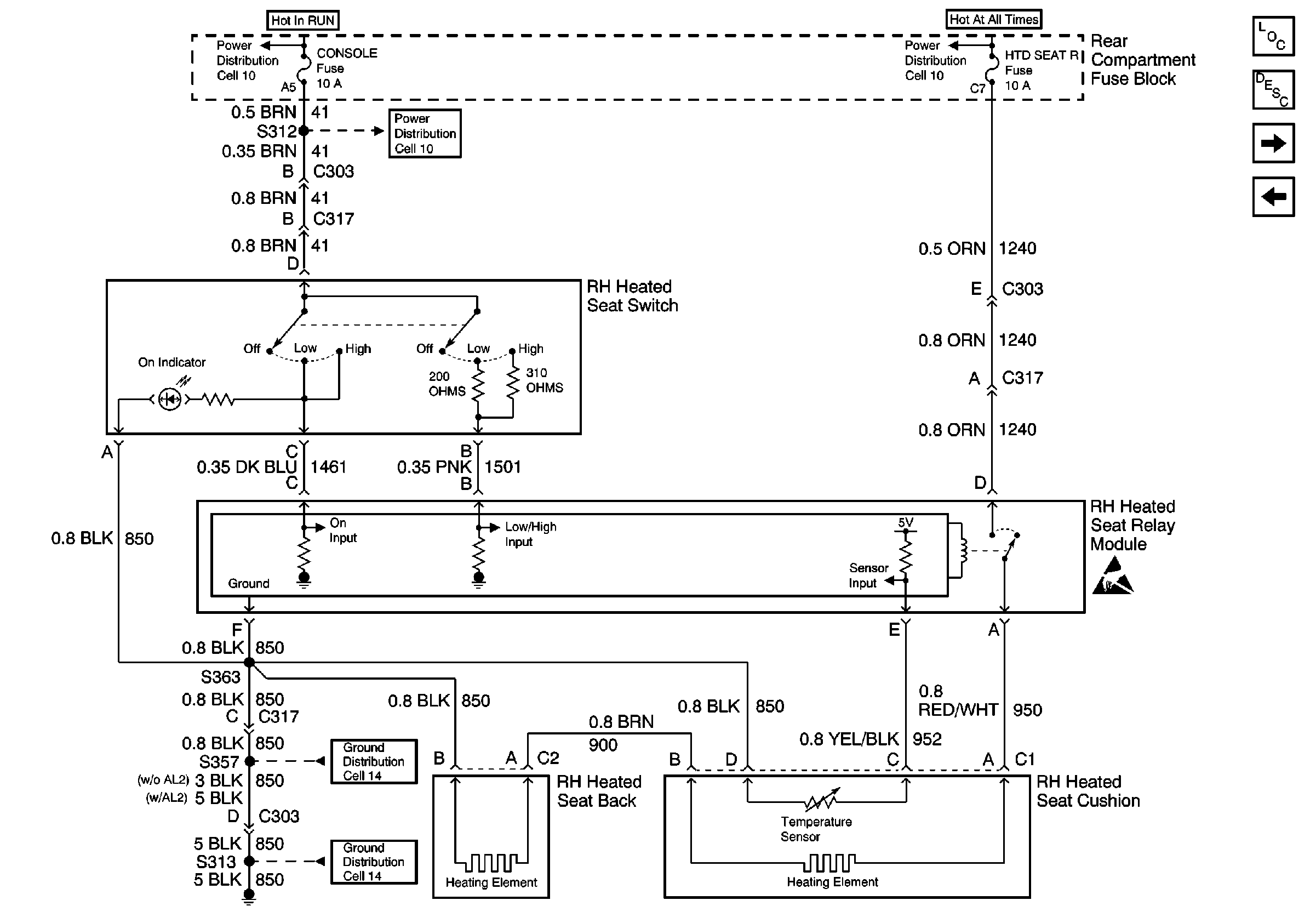
Cell 143: Left Heated Seat (Eldorado)

Cell 143: Left Heated Seat (Eldorado)


Object Number: 501156  Size: FS
Power Seat Systems Components
Heated Seats Circuit Description
Cell 143: Right Heated Seat (Eldorado)
Power Distribution Schematics
Power Distribution Schematics
Power Distribution Schematics
Handling ESD Sensitive Parts Notice
Ground Distribution Schematics
Ground Distribution Schematics
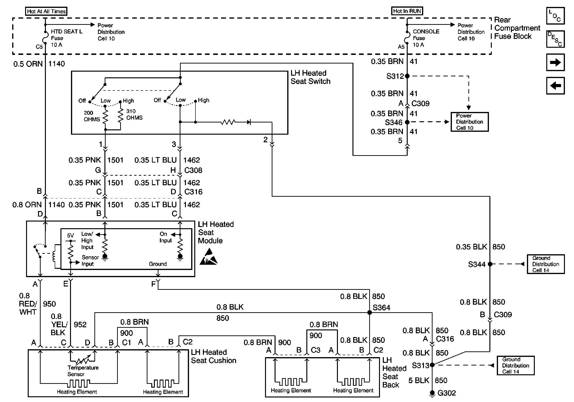
Cell 143: Right Heated Seat (DeVille)

Cell 143: Right Heated Seat (Eldorado)


Object Number: 501157  Size: FS
Power Seat Systems Components
Heated Seats Circuit Description
Cell 143: Left Heated Seat (Eldorado)
Power Distribution Schematics
Power Distribution Schematics
Power Distribution Schematics
Ground Distribution Schematics
Ground Distribution Schematics
Handling ESD Sensitive Parts Notice