GM Service Manual Online
For 1990-2009 cars only
Makes
🢒
Cadillac
🢒
1998
🢒
Eldorado
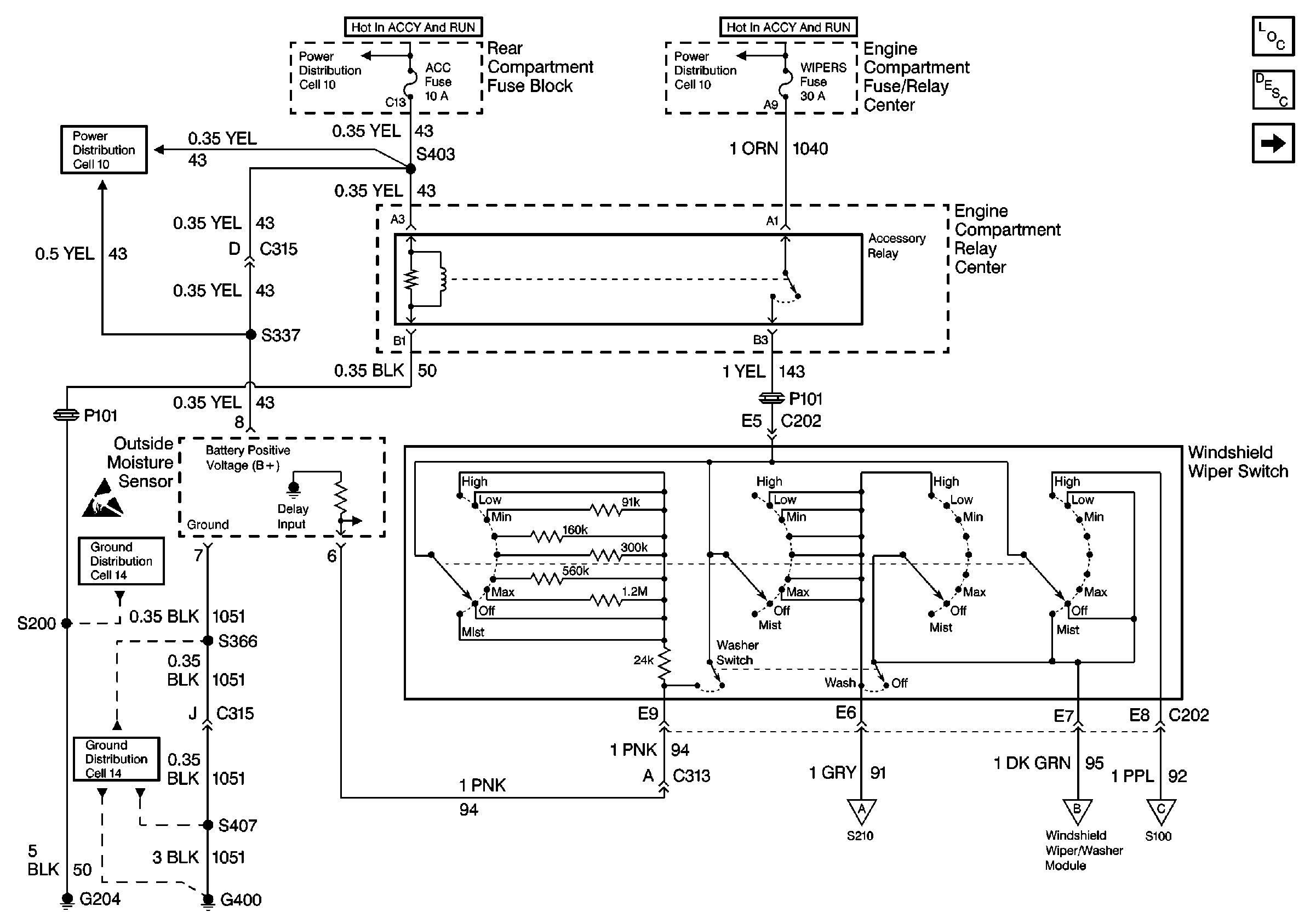
🢒 Cell 91: Power, Ground, Sensor, and Switch
Cell 91: Power, Ground, Sensor, and Switch
Cell 91: Power, Ground, Sensor, and Switch
Power Distribution Schematics
Power Distribution Schematics
Cell 91: Module and Pump
Wiper/Washer System Components
Power Distribution Schematics
Ground Distribution Schematics
Ground Distribution Schematics
Handling ESD Sensitive Parts Notice
Cell 91: Module and Pump
Cell 91: Module and Pump
Cell 91: Module and Pump