GM Service Manual Online
For 1990-2009 cars only
Makes
🢒
Cadillac
🢒
1998
🢒
Eldorado
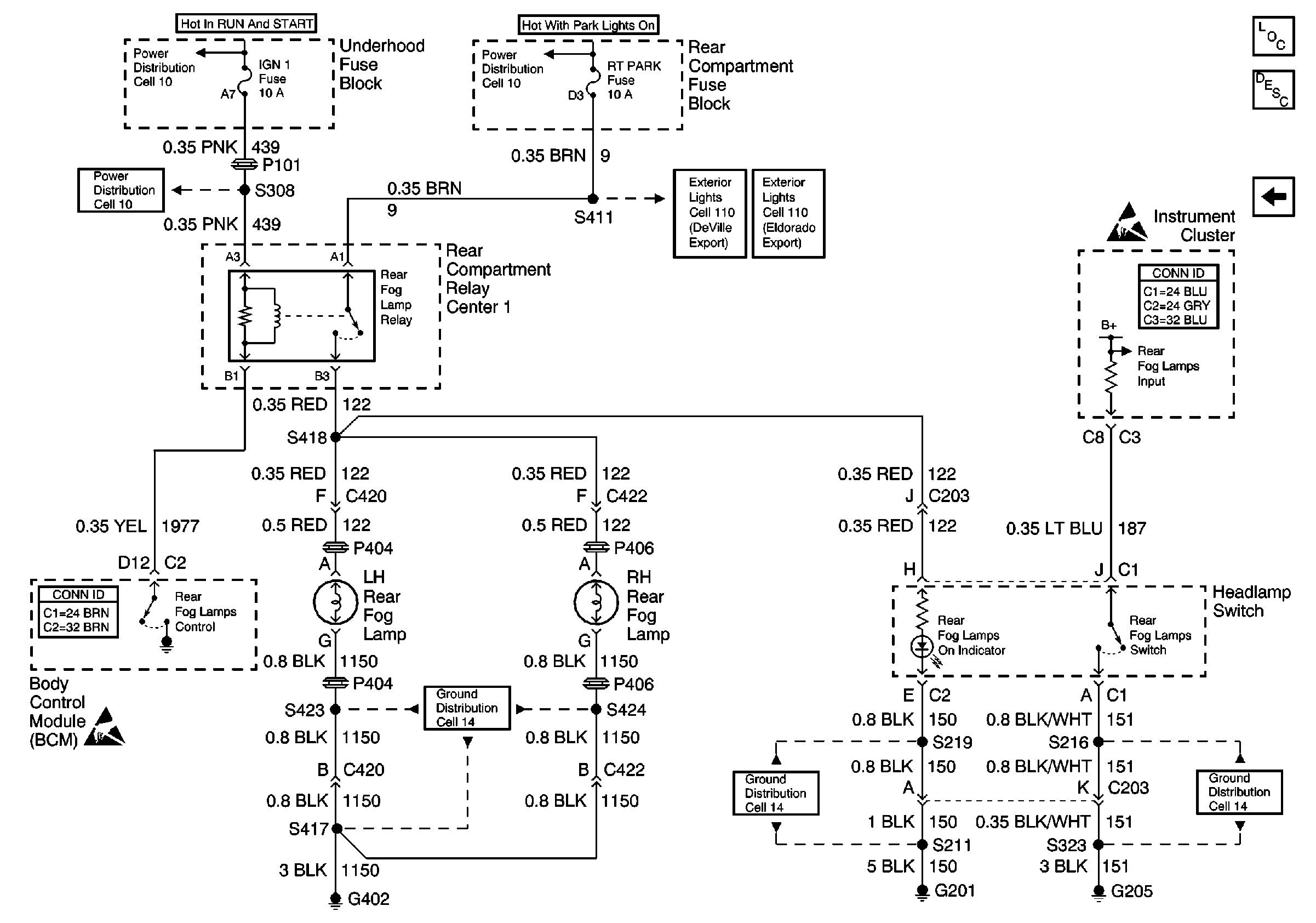
🢒 Cell 103: Rear Fog Lamps
Cell 103: Rear Fog Lamps
Cell 103: Rear Fog Lamps
Handling ESD Sensitive Parts Notice
Body Control System Connector End Views
Ground Distribution Schematics
Ground Distribution Schematics
Ground Distribution Schematics
Instrument Panel, Gages, and Console Connector End Views
Handling ESD Sensitive Parts Notice
Cell 110: RH Park Lamps; DeVille Export
Cell 110: RH Park Lamps; Eldorado Export
Lighting Systems Components
Fog Lights Circuit Description
Power Distribution Schematics
Power Distribution Schematics
Power Distribution Schematics
Cell 103: Front Fog Lamps