GM Service Manual Online
For 1990-2009 cars only
Makes
🢒
Cadillac
🢒
1998
🢒
Eldorado
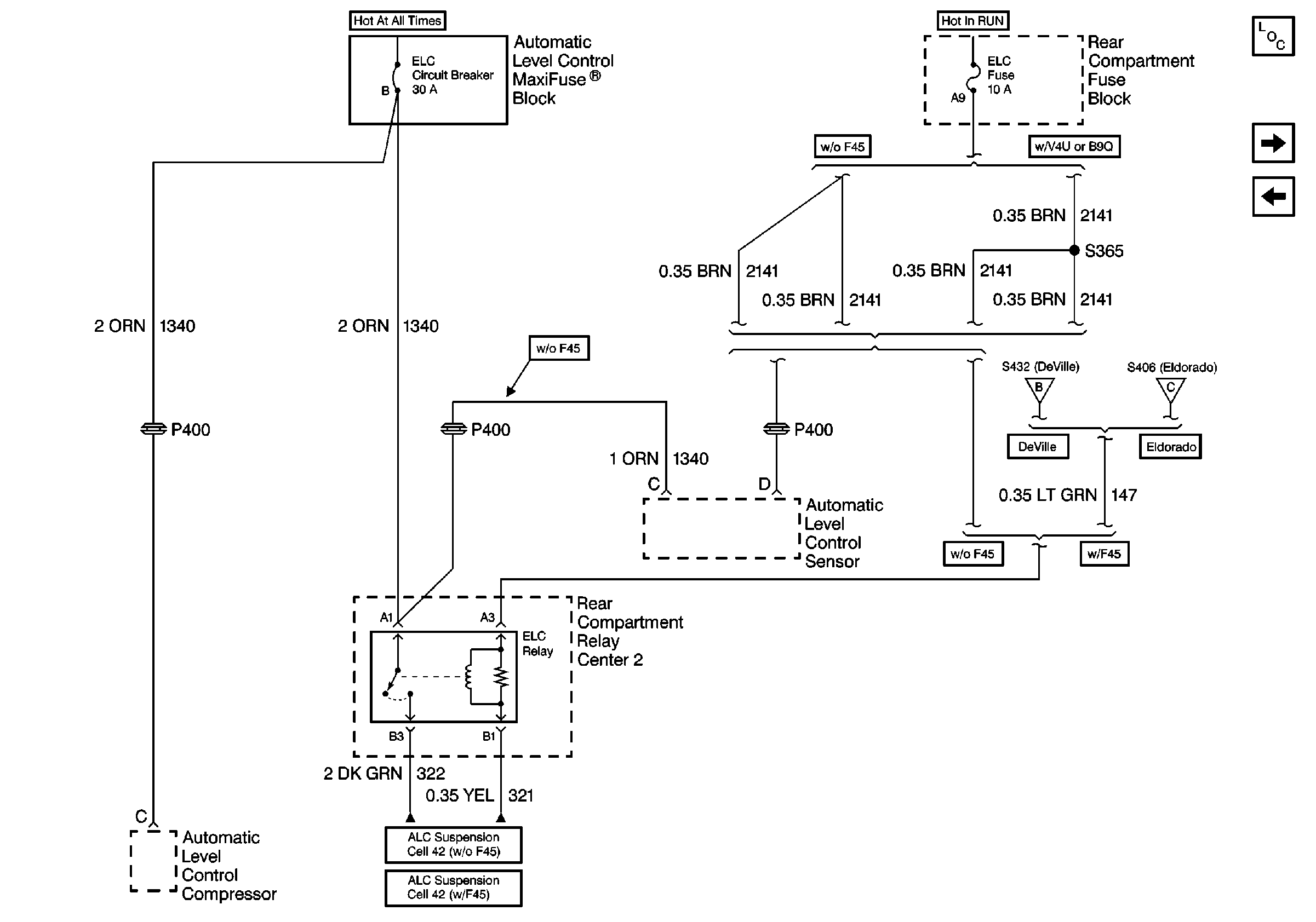
🢒 Cell 10: ELC Circuit Breaker and ELC Fuse
Cell 10: ELC Circuit Breaker and ELC Fuse
Cell 10: ELC Circuit Breaker and ELC Fuse
Power and Grounding Components
Cell 10: IGN 0 - BODY Fuse (Eldorado)
Cell 10: WIPERS, ACC, and CLUSTER Fuses
Cell 10: IGN 0 - BODY Fuse (Eldorado)
Cell 10: IGN 0 - BODY Fuse (DeVille)
Automatic Level Control Schematics
Automatic Level Control Schematics