GM Service Manual Online
For 1990-2009 cars only
Makes
🢒
Cadillac
🢒
1998
🢒
Eldorado
🢒 Cell 10: IGN 0 - BODY Fuse (DeVille)
Cell 10: IGN 0 - BODY Fuse (DeVille)
Cell 10: IGN 0 - BODY Fuse (DeVille)
Power and Grounding Components
Cell 10: PULLDOWN, HTD SEAT R, and HTD SEAT L Fuses
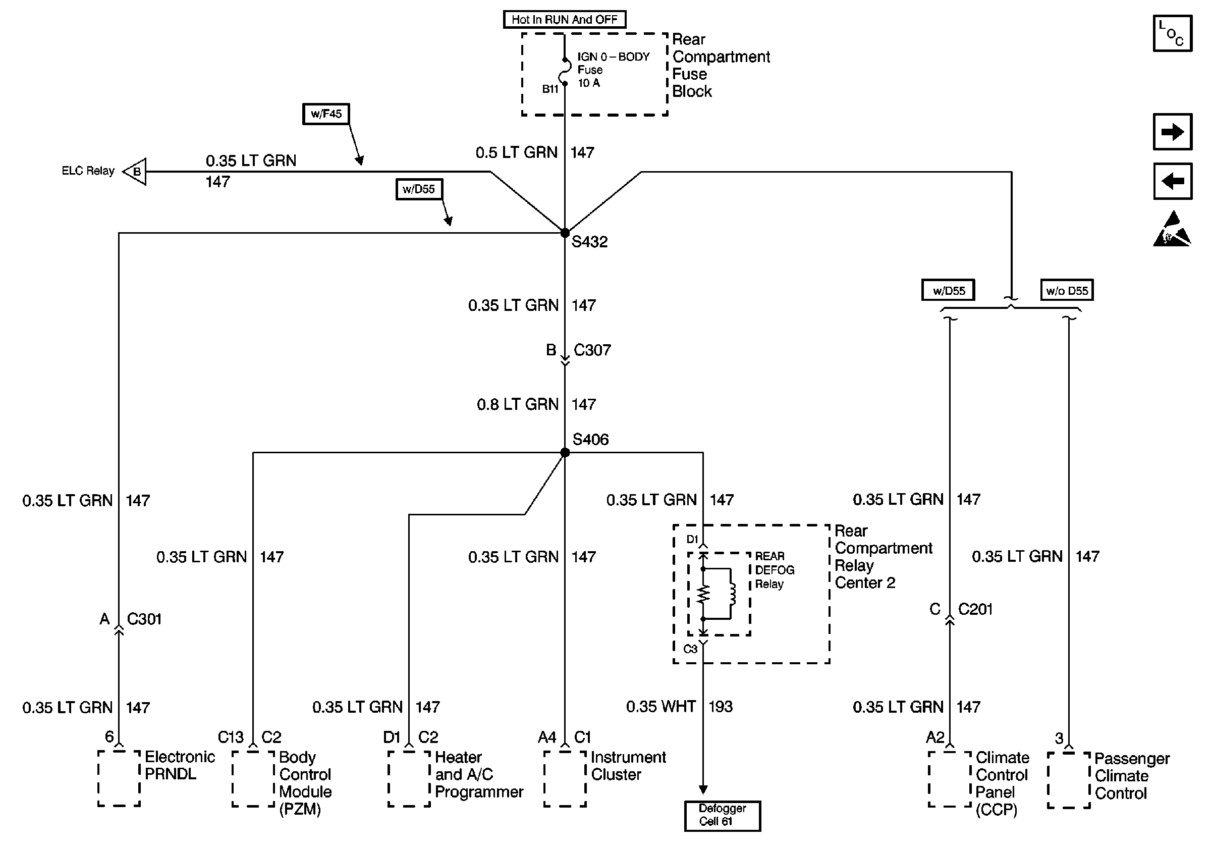
Cell 10: IGN 0 - BODY Fuse (Eldorado)
Handling ESD Sensitive Parts Notice
Cell 10: ELC Circuit Breaker and ELC Fuse
Defogger Schematics