GM Service Manual Online
For 1990-2009 cars only

Headlights Schematics DeVille USA

Cell 100: Headlamp Dimmer Switch, Ambient Light Sensor, and Twilight Sentinel


Object Number: 318600  Size: FS
Lighting Systems Components
Headlights Circuit Description
Cell 100: Headlamp Switch and Headlamp Control
Handling ESD Sensitive Parts Notice
Instrument Panel, Gages, and Console Connector End Views
Lighting Systems Connector End Views
Power Distribution Schematics
Ground Distribution Schematics
Power Distribution Schematics

Cell 100: Headlamp Switch and Headlamp Control


Object Number: 318603  Size: FS
Lighting Systems Components
Headlights Circuit Description
Cell 100: Daytime Running Lamps
Cell 100: Headlamp Dimmer Switch, Ambient Light Sensor, and Twilight Sentinel
Cell 110: Headlamp Switch and Park Lamp Control
Cell 100: Headlights (Deville USA)
Handling ESD Sensitive Parts Notice
Body Control System Connector End Views
Ground Distribution Schematics
Handling ESD Sensitive Parts Notice
Handling ESD Sensitive Parts Notice
Instrument Panel, Gages, and Console Connector End Views
Lighting Systems Connector End Views
Cell 91: Module Inputs
Cell 91
Power Distribution Schematics

Cell 100: Daytime Running Lamps


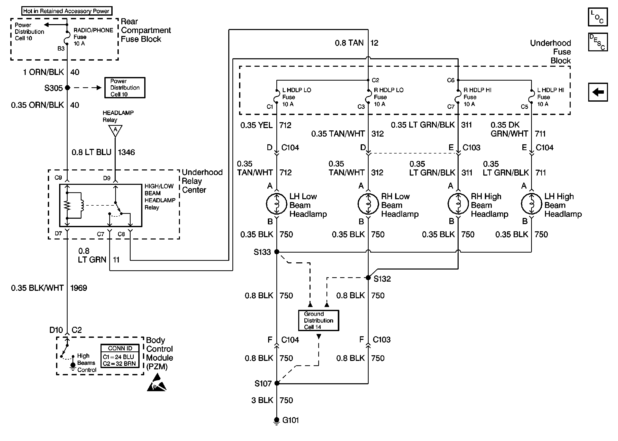
Object Number: 318606  Size: FS
Lighting Systems Components
Headlights Circuit Description
Cell 100: Headlights (Deville USA)
Cell 100: Headlamp Switch and Headlamp Control
Power Distribution Schematics
Power Distribution Schematics
Power Distribution Schematics
Power Distribution Schematics
Body Control System Connector End Views
Handling ESD Sensitive Parts Notice
Cell 100: Headlights (Deville USA)

Cell 100: Headlights (Deville USA)


Object Number: 318610  Size: FS
Lighting Systems Components
Headlights Circuit Description
Cell 100: Daytime Running Lamps
Cell 100: Daytime Running Lamps
Ground Distribution Schematics
Handling ESD Sensitive Parts Notice
Power Distribution Schematics
Power Distribution Schematics
Cell 100: Headlamp Switch and Headlamp Control
Body Control System Connector End Views

Headlights Schematics DeVille Export

Figure 1:

Cell 100: Headlamp Dimmer Switch, Ambient Light Sensor, and Twilight Sentinel


Object Number: 318600  Size: FS
Lighting Systems Components
Headlights Circuit Description
Cell 100: Headlamp Switch and Headlamp Control
Handling ESD Sensitive Parts Notice
Instrument Panel, Gages, and Console Connector End Views
Lighting Systems Connector End Views
Power Distribution Schematics
Ground Distribution Schematics
Power Distribution Schematics
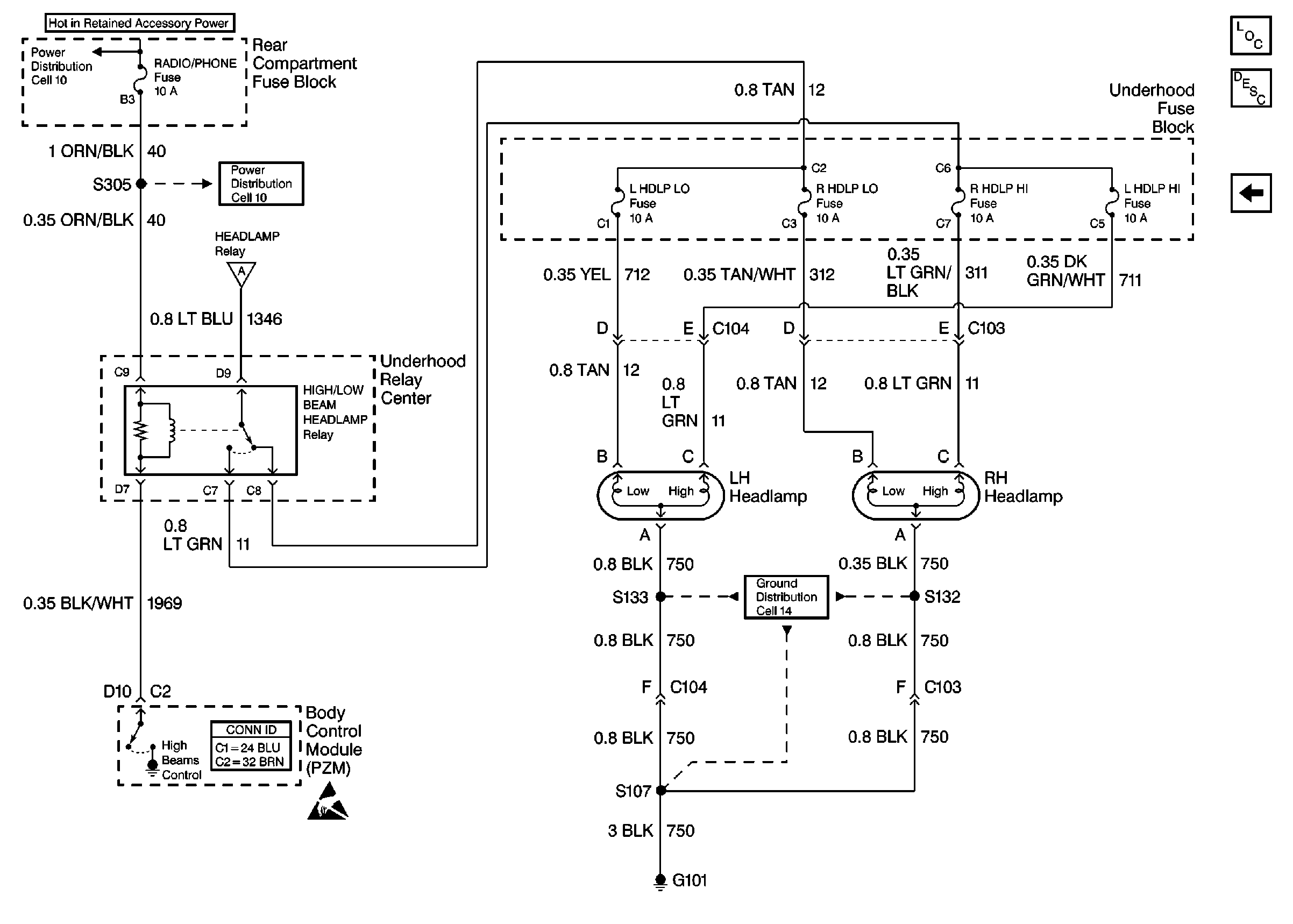
Figure 2:

Cell 100: Headlamp Switch and Headlamp Control


Object Number: 318603  Size: FS
Lighting Systems Components
Headlights Circuit Description
Cell 100: Headlamps
Cell 100: Headlamp Dimmer Switch, Ambient Light Sensor, and Twilight Sentinel
Cell 110: Headlamp Switch and Park Lamp Control
Cell 100: Headlamps
Handling ESD Sensitive Parts Notice
Body Control System Connector End Views
Ground Distribution Schematics
Handling ESD Sensitive Parts Notice
Handling ESD Sensitive Parts Notice
Instrument Panel, Gages, and Console Connector End Views
Lighting Systems Connector End Views
Cell 91: Module Inputs
Cell 91
Power Distribution Schematics
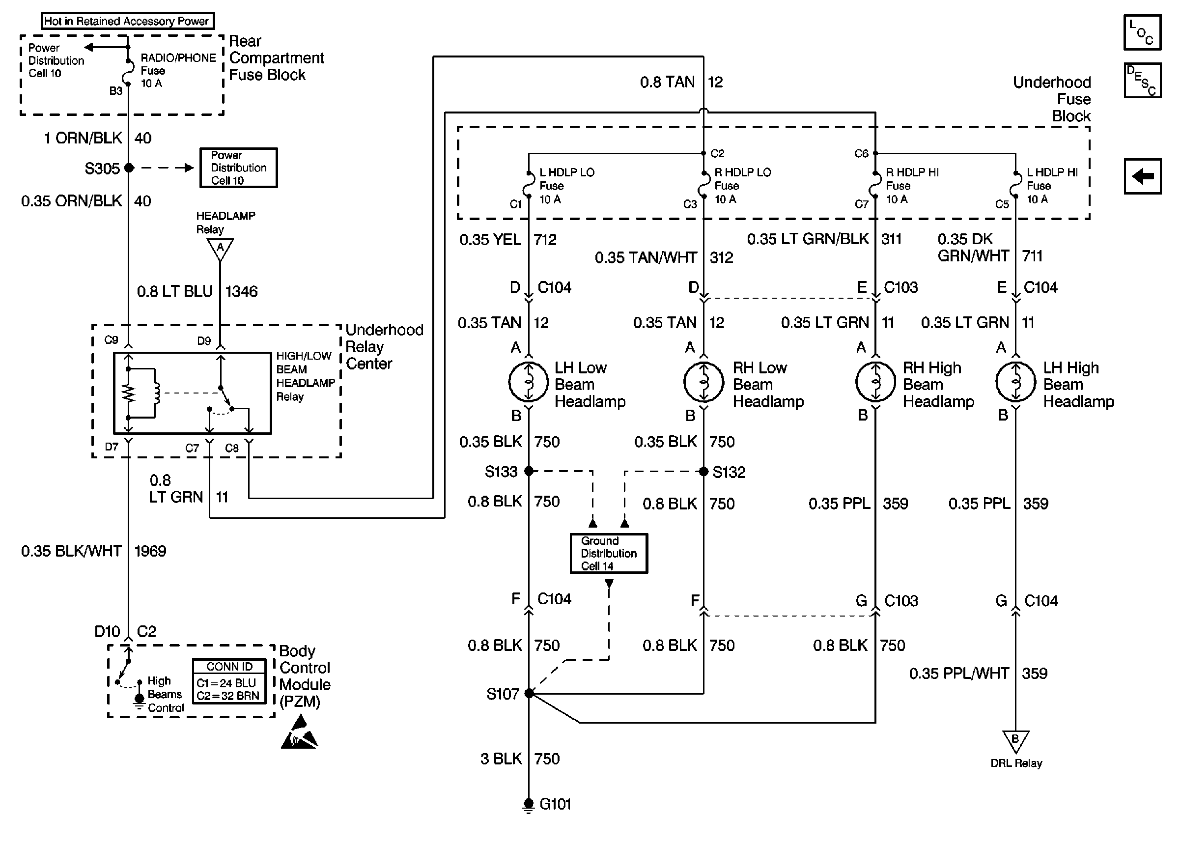
Figure 3:

Cell 100: Headlamps


Object Number: 318615  Size: FS
Lighting Systems Components
Headlights Circuit Description
Cell 100: Headlamp Switch and Headlamp Control
Cell 100: Headlamp Switch and Headlamp Control
Ground Distribution Schematics
Power Distribution Schematics
Power Distribution Schematics
Handling ESD Sensitive Parts Notice
Body Control System Connector End Views

Headlights Schematics Eldorado USA

Figure 1:

Cell 100: Headlamp Dimmer Switch, Ambient Light Sensor, and Twilight Sentinel


Object Number: 318600  Size: FS
Lighting Systems Components
Headlights Circuit Description
Cell 100: Headlamp Switch and Headlamp Control
Handling ESD Sensitive Parts Notice
Instrument Panel, Gages, and Console Connector End Views
Lighting Systems Connector End Views
Power Distribution Schematics
Ground Distribution Schematics
Power Distribution Schematics
Figure 2:

Cell 100: Headlamp Switch and Headlamp Control


Object Number: 318603  Size: FS
Lighting Systems Components
Headlights Circuit Description
Cell 100: Daytime Running Lamps
Cell 100: Headlamp Dimmer Switch, Ambient Light Sensor, and Twilight Sentinel
Cell 110: Headlamp Switch and Park Lamp Control
Cell 100: Headlamps
Handling ESD Sensitive Parts Notice
Body Control System Connector End Views
Ground Distribution Schematics
Handling ESD Sensitive Parts Notice
Handling ESD Sensitive Parts Notice
Instrument Panel, Gages, and Console Connector End Views
Lighting Systems Connector End Views
Cell 91: Module Inputs
Cell 91
Power Distribution Schematics
Figure 3:

Cell 100: Daytime Running Lamps


Object Number: 318608  Size: FS
Lighting Systems Components
Headlights Circuit Description
Cell 100: Headlamps
Cell 100: Headlamp Switch and Headlamp Control
Power Distribution Schematics
Power Distribution Schematics
Power Distribution Schematics
Handling ESD Sensitive Parts Notice
Cell 100: Headlamps
Ground Distribution Schematics
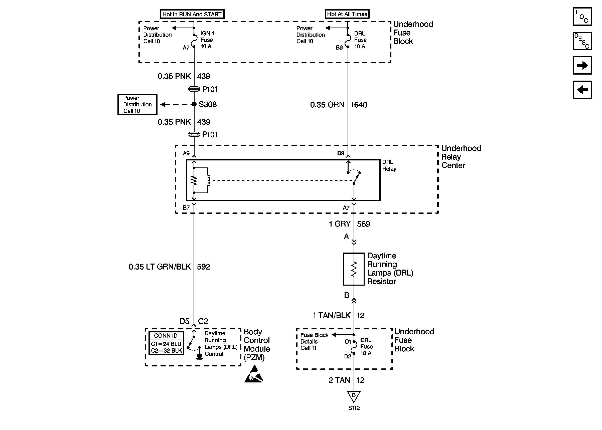
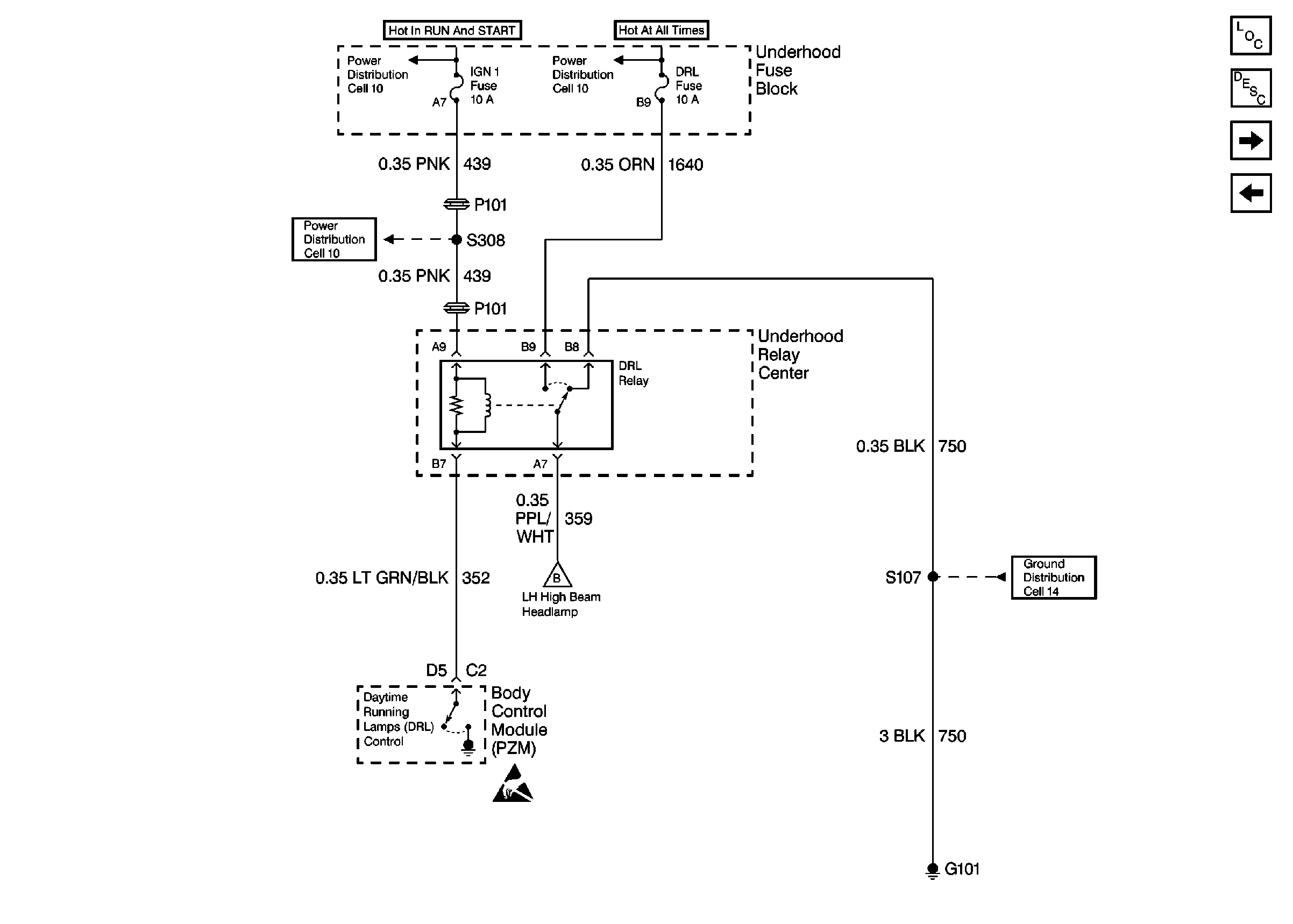
Figure 4:

Cell 100: Headlamps


Object Number: 318612  Size: FS
Lighting Systems Components
Headlights Circuit Description
Cell 100: Daytime Running Lamps
Cell 100: Daytime Running Lamps
Cell 100: Headlamp Switch and Headlamp Control
Ground Distribution Schematics
Power Distribution Schematics
Power Distribution Schematics
Handling ESD Sensitive Parts Notice
Body Control System Connector End Views

Headlights Schematics Eldorado Export

Figure 1:

Cell 100: Headlamp Dimmer Switch, Ambient Light Sensor, and Twilight Sentinel


Object Number: 318600  Size: FS
Lighting Systems Components
Headlights Circuit Description
Cell 100: Headlamp Switch and Headlamp Control
Handling ESD Sensitive Parts Notice
Instrument Panel, Gages, and Console Connector End Views
Lighting Systems Connector End Views
Power Distribution Schematics
Ground Distribution Schematics
Power Distribution Schematics
Figure 2:

Cell 100: Headlamp Switch and Headlamp Control


Object Number: 318603  Size: FS
Lighting Systems Components
Headlights Circuit Description
Cell 100: Headlamps
Cell 100: Headlamp Dimmer Switch, Ambient Light Sensor, and Twilight Sentinel
Cell 110: Headlamp Switch and Park Lamp Control
Cell 100: Headlamps
Handling ESD Sensitive Parts Notice
Body Control System Connector End Views
Ground Distribution Schematics
Handling ESD Sensitive Parts Notice
Handling ESD Sensitive Parts Notice
Instrument Panel, Gages, and Console Connector End Views
Lighting Systems Connector End Views
Cell 91: Module Inputs
Cell 91
Power Distribution Schematics
Figure 3:

Cell 100: Headlamps


Object Number: 318613  Size: FS
Lighting Systems Components
Headlights Circuit Description
Cell 100: Headlamp Switch and Headlamp Control
Cell 100: Headlamp Switch and Headlamp Control
Ground Distribution Schematics
Handling ESD Sensitive Parts Notice
Power Distribution Schematics
Power Distribution Schematics
Body Control System Connector End Views