GM Service Manual Online
For 1990-2009 cars only
Makes
🢒
Cadillac
🢒
2000
🢒
Eldorado
🢒 Headlamp Switch and Headlamp Control
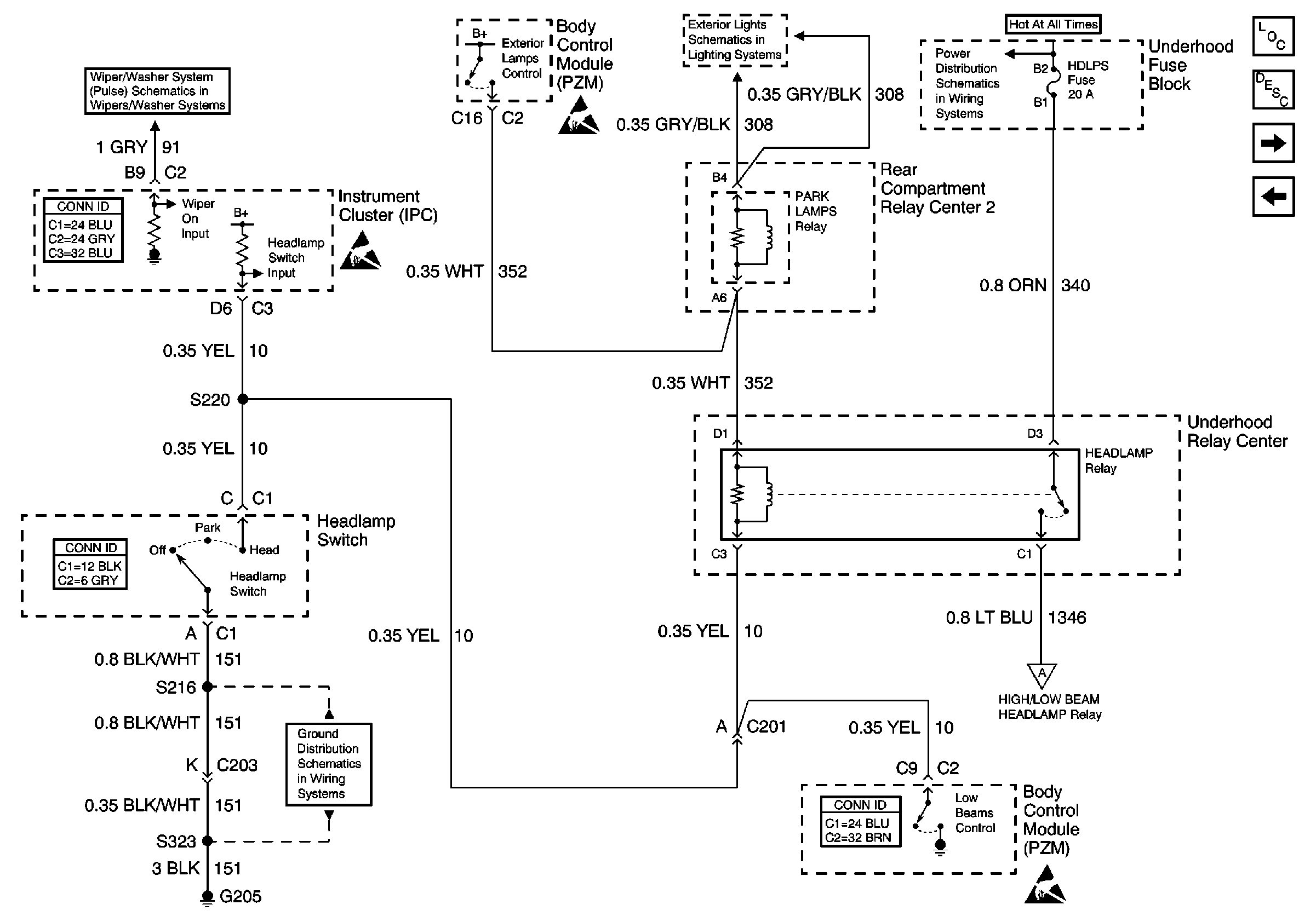
Headlamp Switch and Headlamp Control
Headlamp Switch and Headlamp Control
Lighting Systems Components
Headlights Circuit Description
Daytime Running Lamps
Headlamp Dimmer Switch, Ambient Light Sensor, and Twilight Sentinel
Module, Pump, and Sensor Circuits
G205
Headlamp Switch and Park Lamp Control
LAMPS and IGN 1 Fuses
Headlamps
Handling ESD Sensitive Parts Notice
Handling ESD Sensitive Parts Notice
Handling ESD Sensitive Parts Notice