GM Service Manual Online
For 1990-2009 cars only
Makes
🢒
Cadillac
🢒
2000
🢒
Eldorado
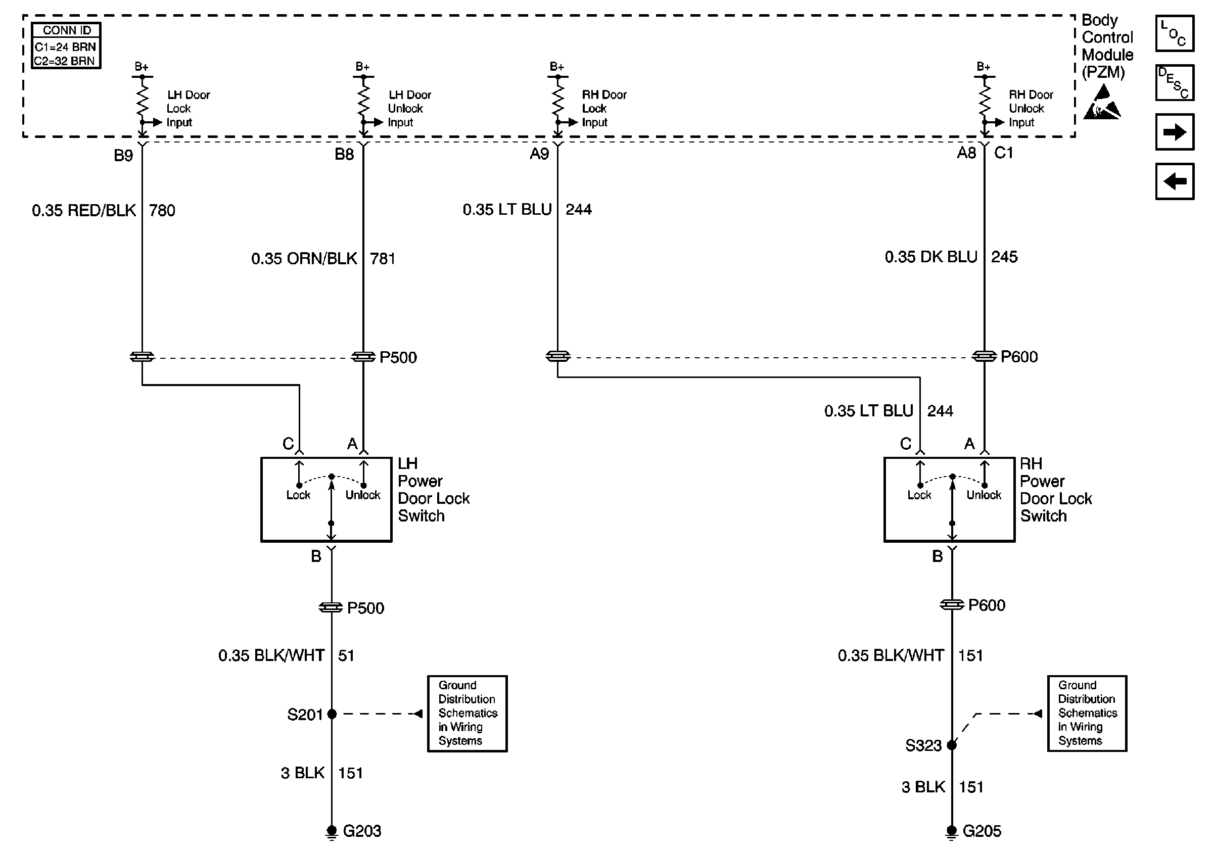
🢒 Power Door Lock switches
Power Door Lock switches
Power Door Lock switches
Power Door Systems Components
Power Door Locks Circuit Description
Door Lock Cylinder Switches
Power Door Locks
Body Control System Connector End Views
Handling ESD Sensitive Parts Notice
G203
G205