GM Service Manual Online
For 1990-2009 cars only
Makes
🢒
Cadillac
🢒
2000
🢒
Eldorado
🢒 Passenger Temperature Control
Passenger Temperature Control
Passenger Temperature Control
HVAC Component Views
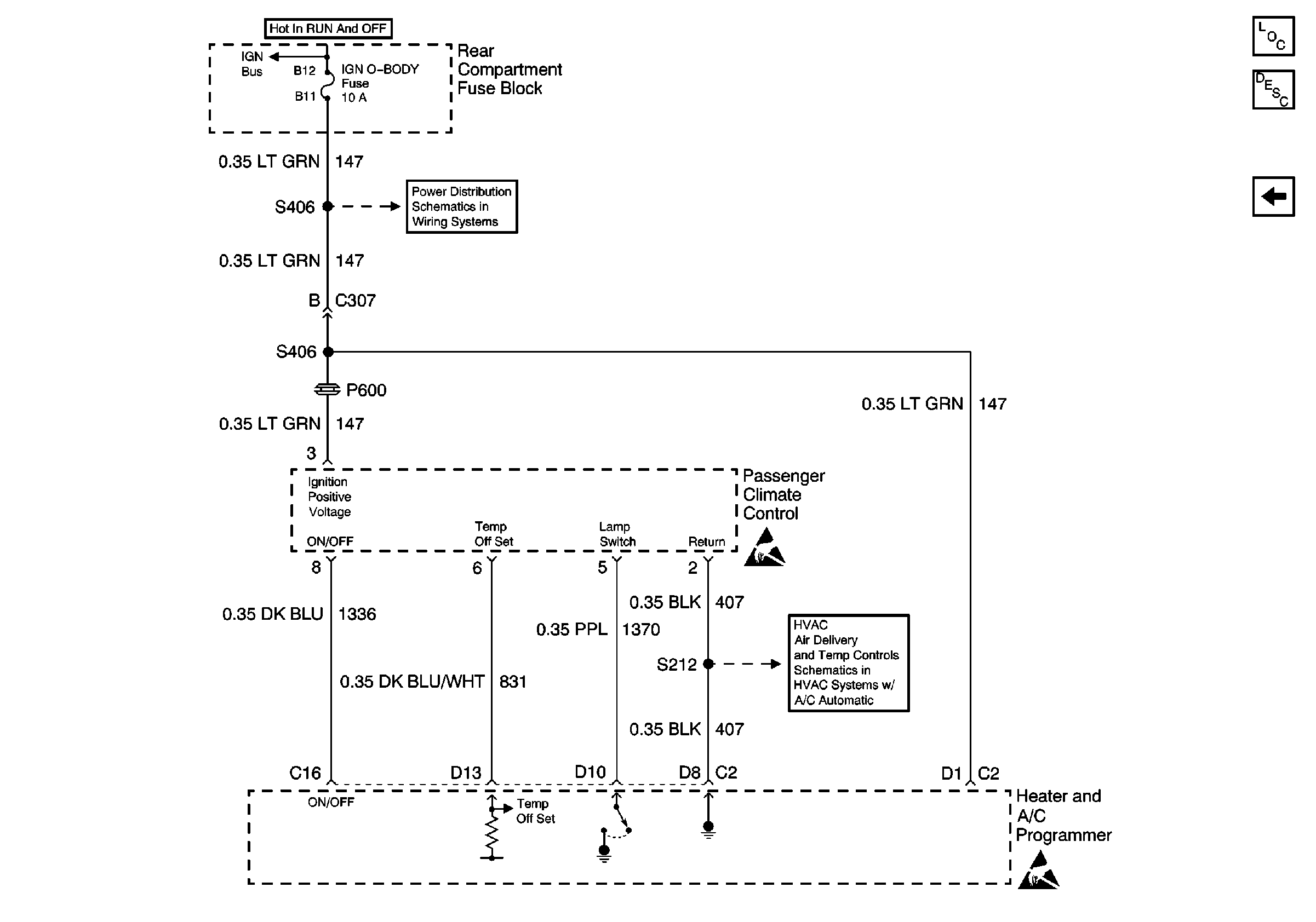
HVAC Air Delivery/Temperature Control Circuit Description
Temperature Sensors
BATT Fuse
Handling ESD Sensitive Parts Notice
Handling ESD Sensitive Parts Notice
Temperature Sensors