| Figure 1: |
PCM Power and Grounds
|
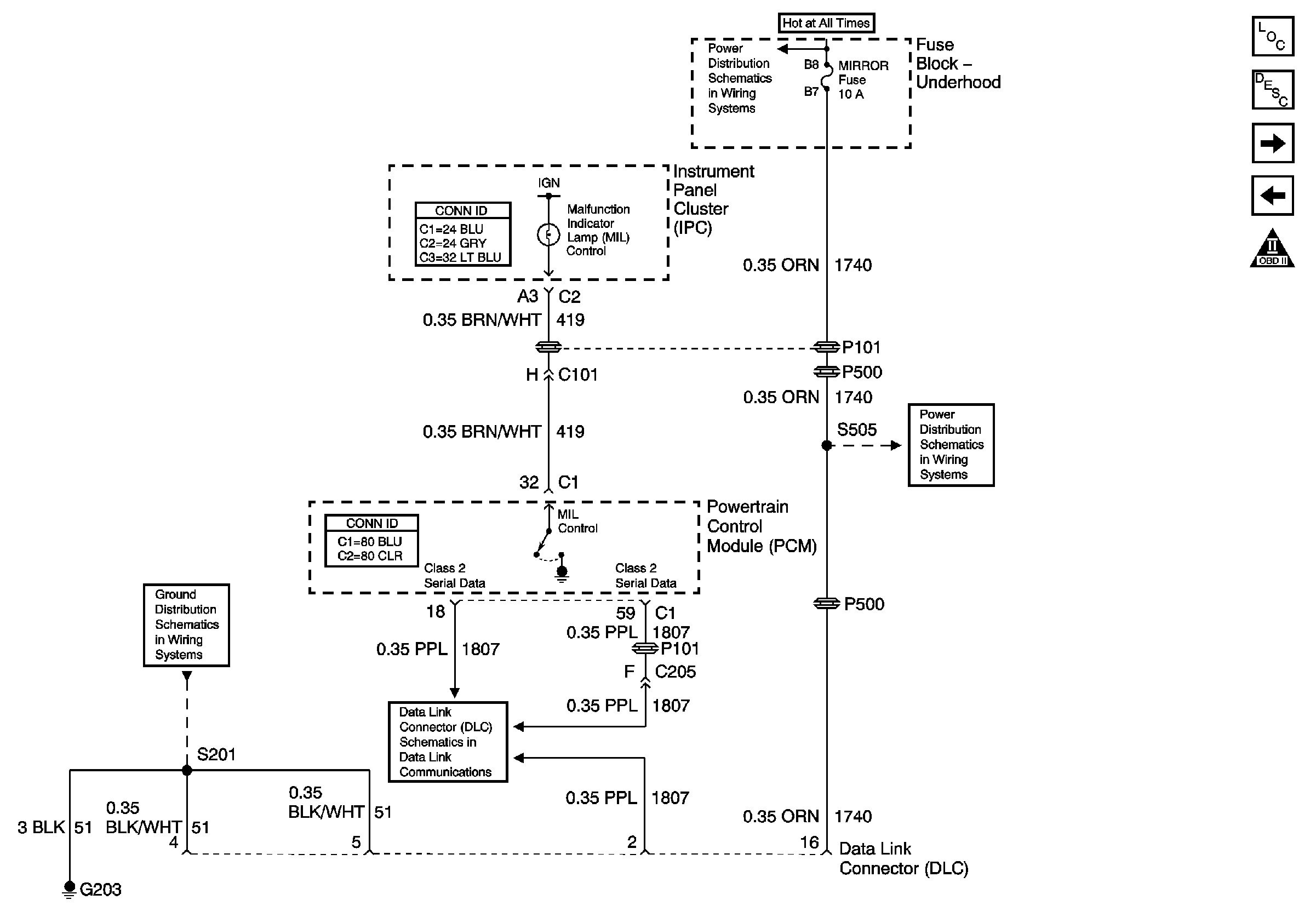
| Figure 2: |
MIL Control and DLC
|
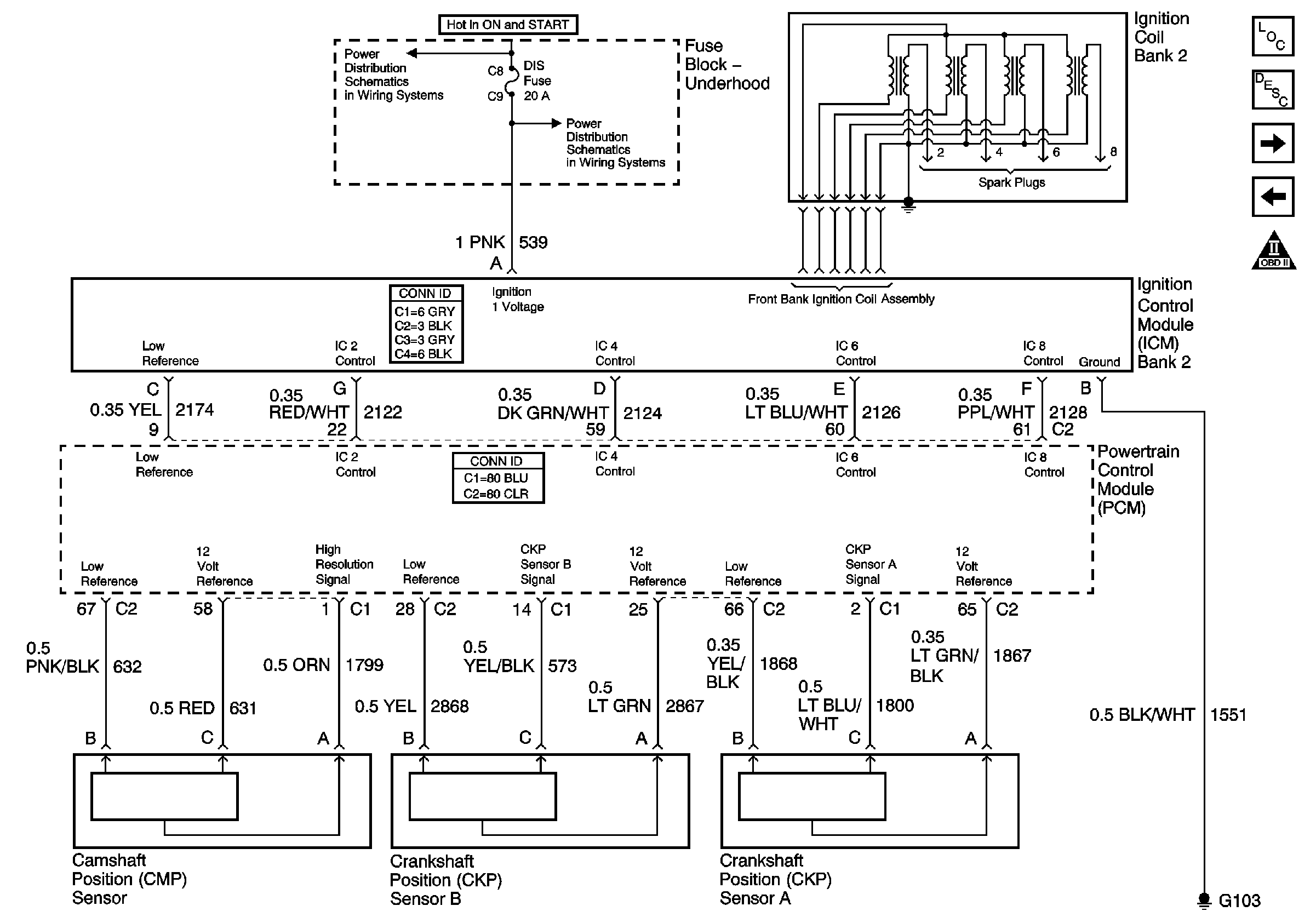
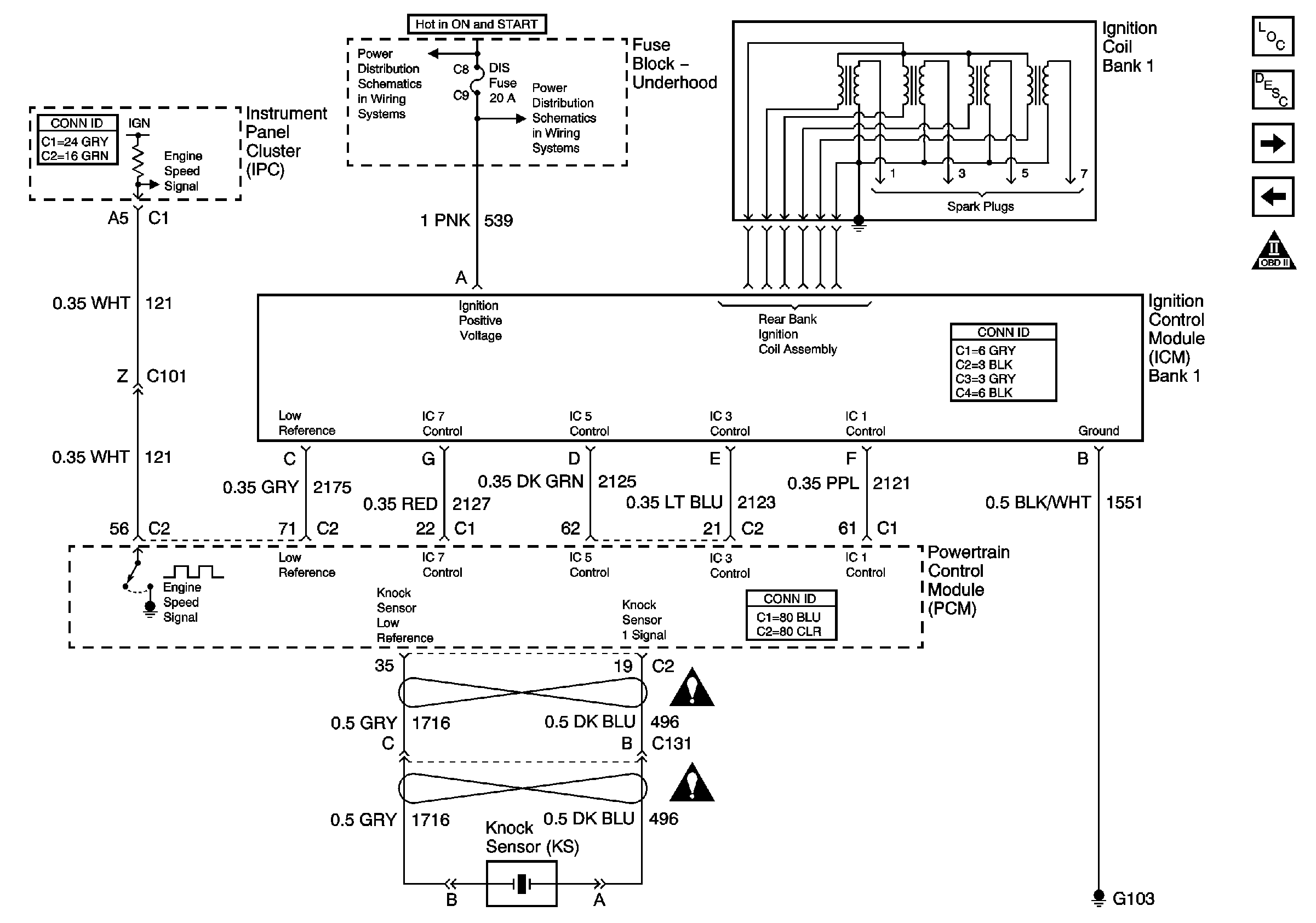
| Figure 3: |
Ignition Control Module (Front Bank)
|
| Figure 4: |
Ignition Control Module (Rear Bank)
|
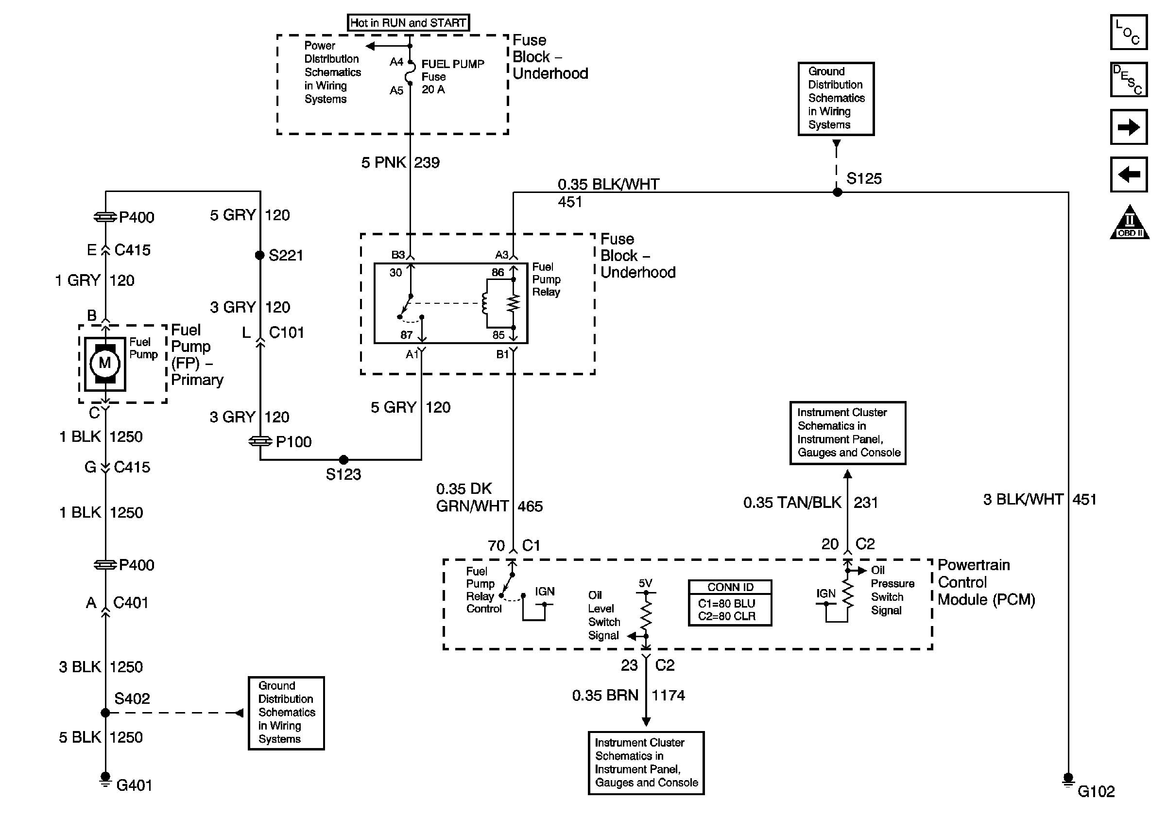
| Figure 5: |
Fuel Pump and Relay
|
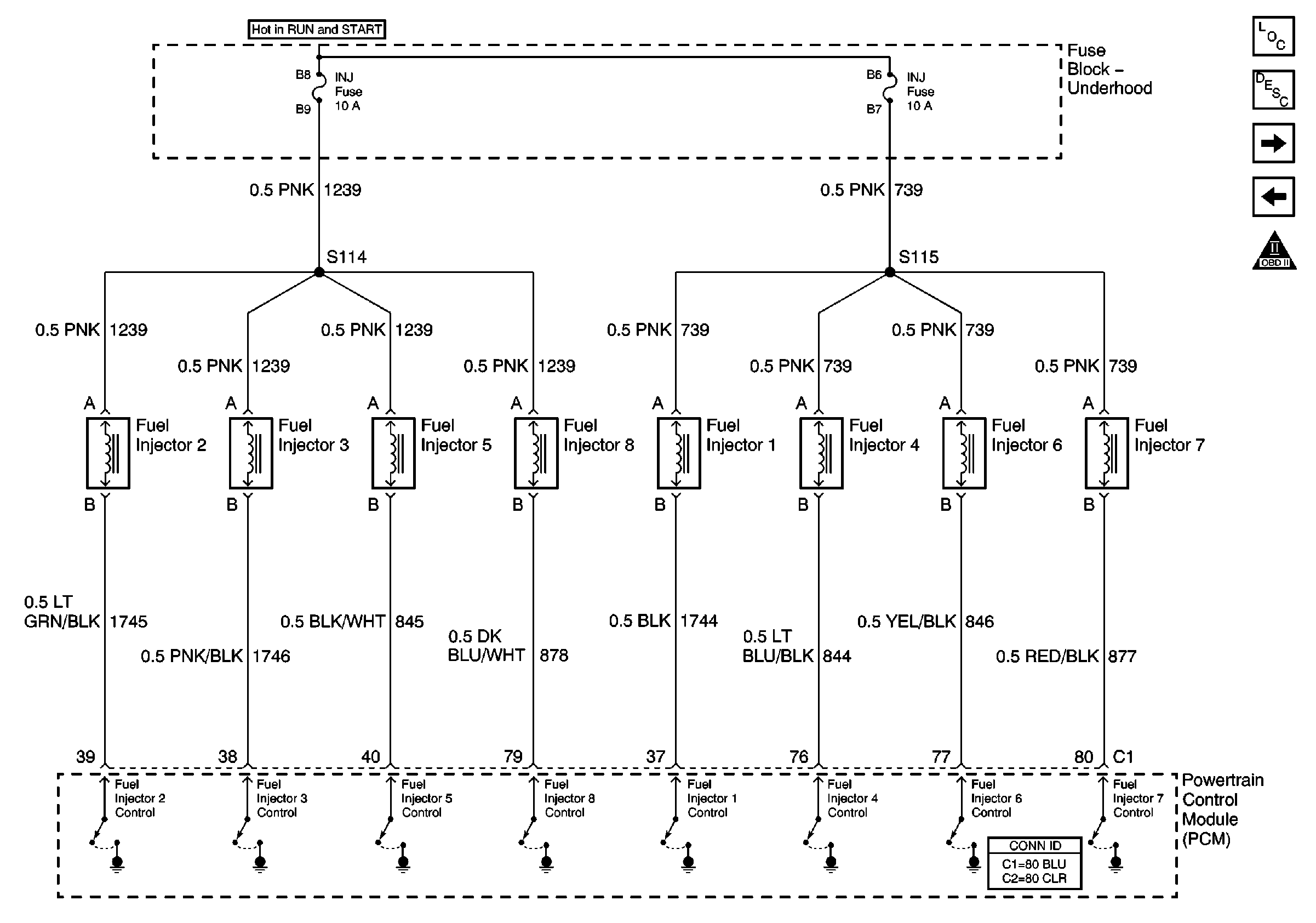
| Figure 6: |
Fuel Injectors
|
| Figure 7: |
Engine and Fuel Tank Sensors
|
| Figure 8: |
Heated Oxygen Sensors
|
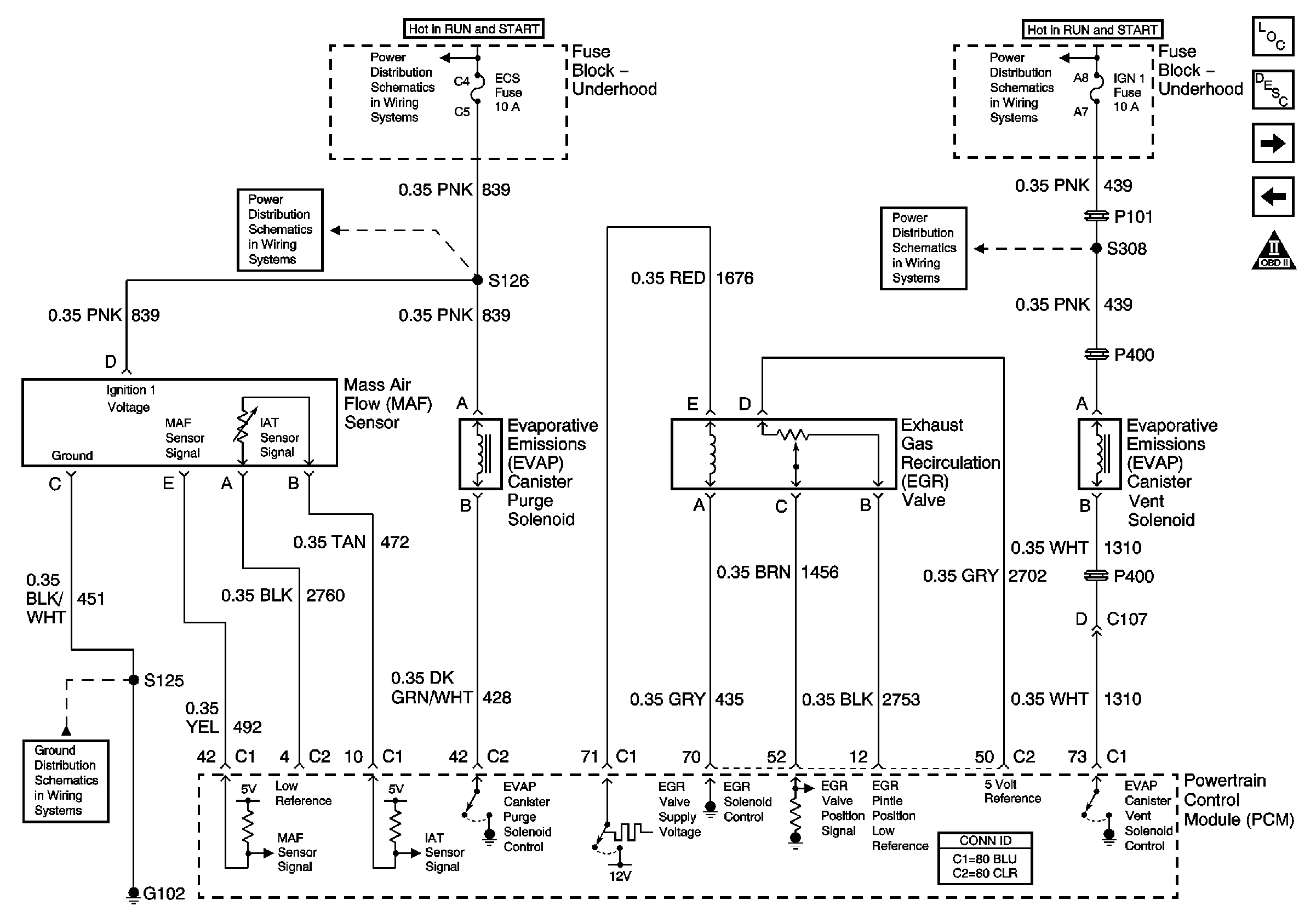
| Figure 9: |
MAF Sensor, EVAP Components and EGR Valve
|
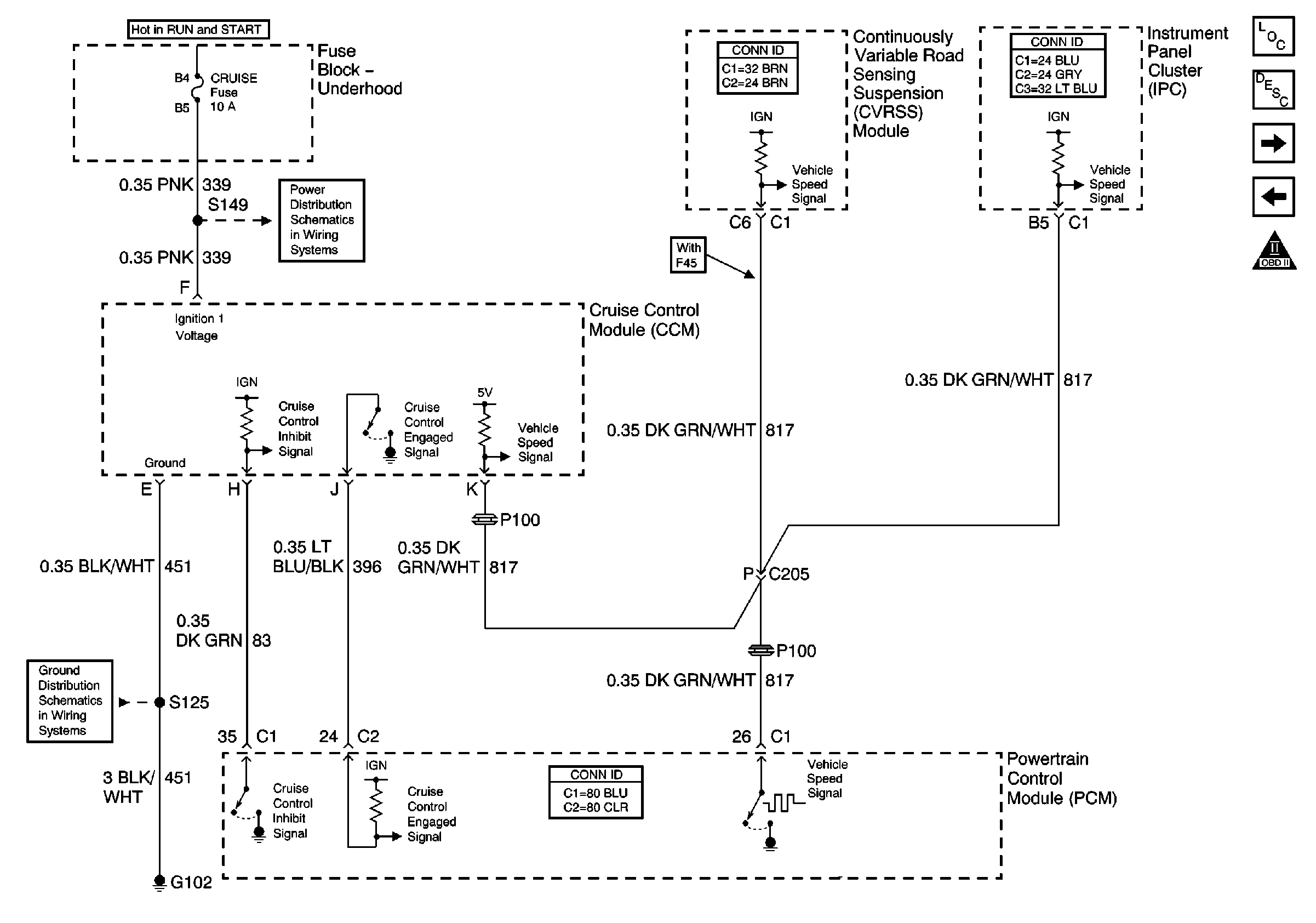
| Figure 10: |
Vehicle Speed Output and Cruise Control Module
|
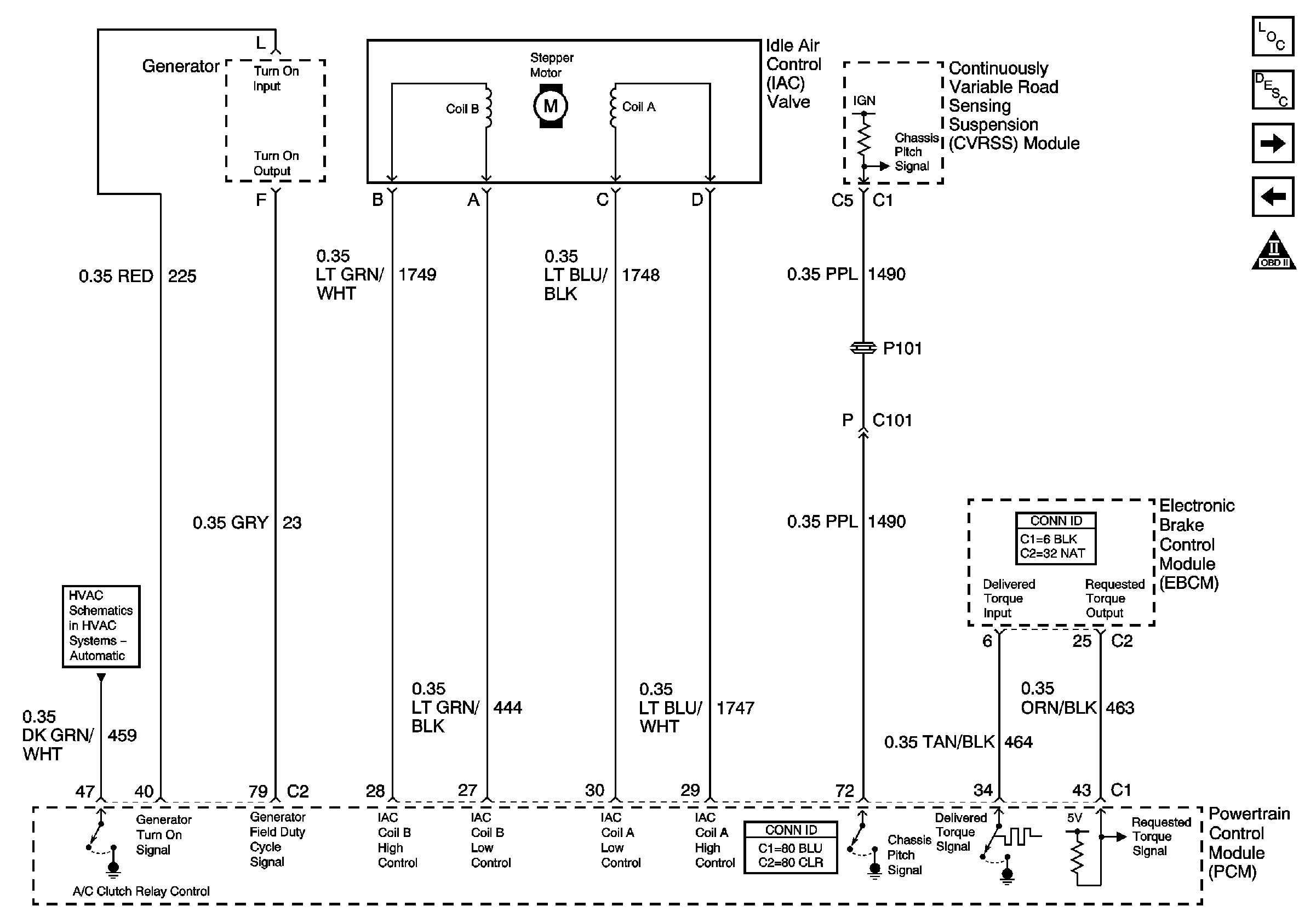
| Figure 11: |
EBCM, Generator, A/C Relay and RSS
|
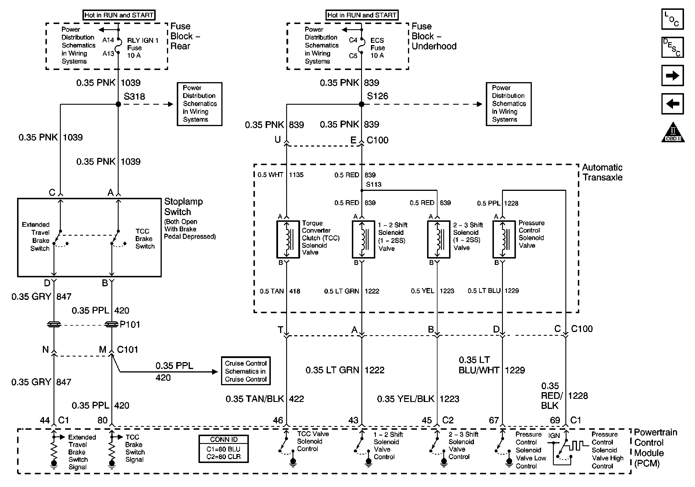
| Figure 12: |
ABS/TCC Switch and Transaxle Solenoids
|
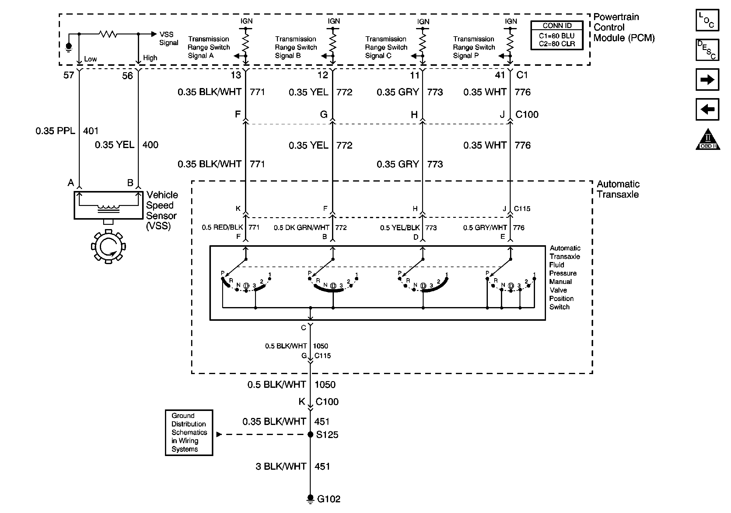
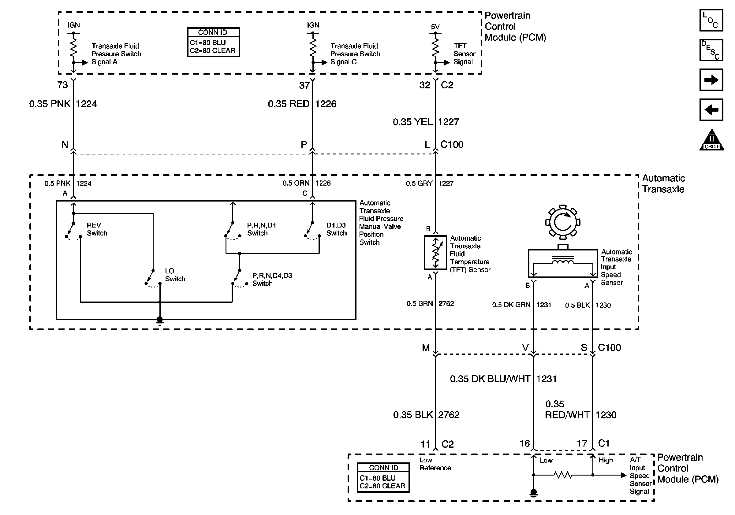
| Figure 13: |
Transaxle Sensors and TR Switch
|
| Figure 14: |
Transaxle IMS and VSS
|
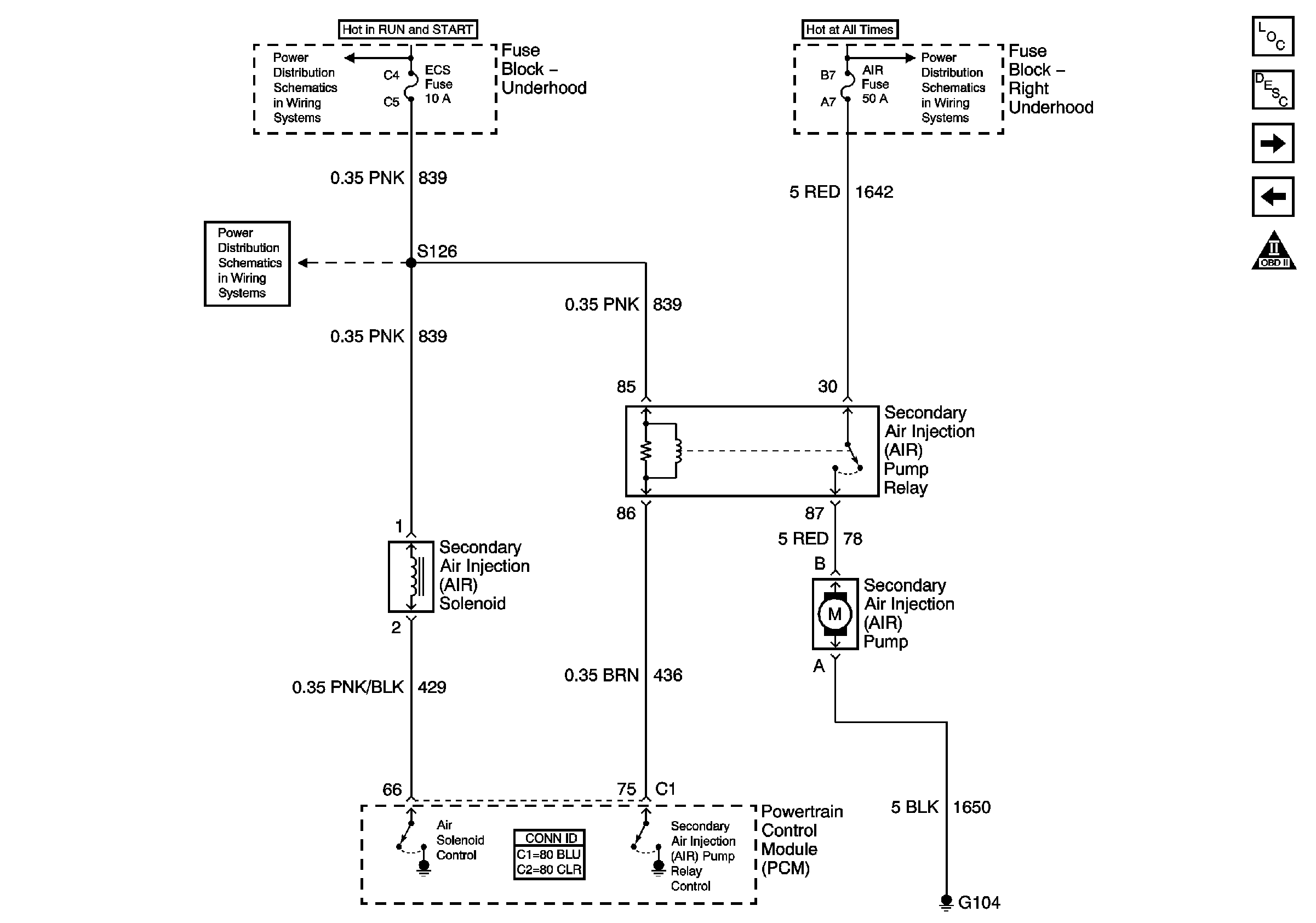
| Figure 15: |
AIR Pump, Pump Relay and Solenoid
|
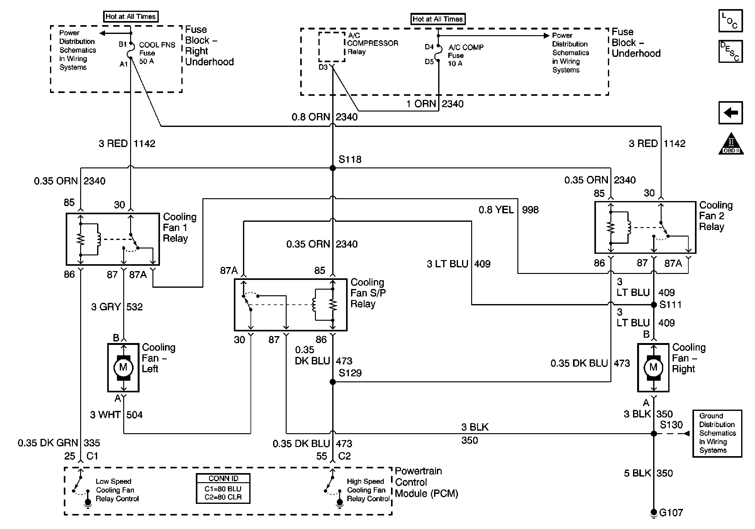
| Figure 16: |
Cooling Fans and Relays
|