GM Service Manual Online
For 1990-2009 cars only
Figure 1:

Starting


Object Number: 1450635  Size: FS
Master Electrical Component List
Starting System Description and Operation
Control Module References
Charging (except L18 or NYS)
IGN E and SIR Fuses
B+ Bus - 1 of 2
Ignition Switch - ACCY/RUN/START, RUN, and START Busses, IGN A and CRANK Fuses
Charging (except L18 or NYS)
B+ Bus - 1 of 2
G100 and G105 - 1 of 4
Figure 2:

Charging - 1500 Series


Object Number: 1450638  Size: FS
Master Electrical Component List
Charging System Description and Operation (Generator/Battery Control Module)
Control Module References
Charging (L18 or NYS)
Starting
B+ Bus - 1 of 2
Starting
Power, Ground, DLC, and Splice Pack SP205
B+ Bus - 1 of 2
G102 and G103
Power, Ground, DLC, and Splice Pack SP205
B+ Bus - 1 of 2
G100 and G105 - 1 of 4
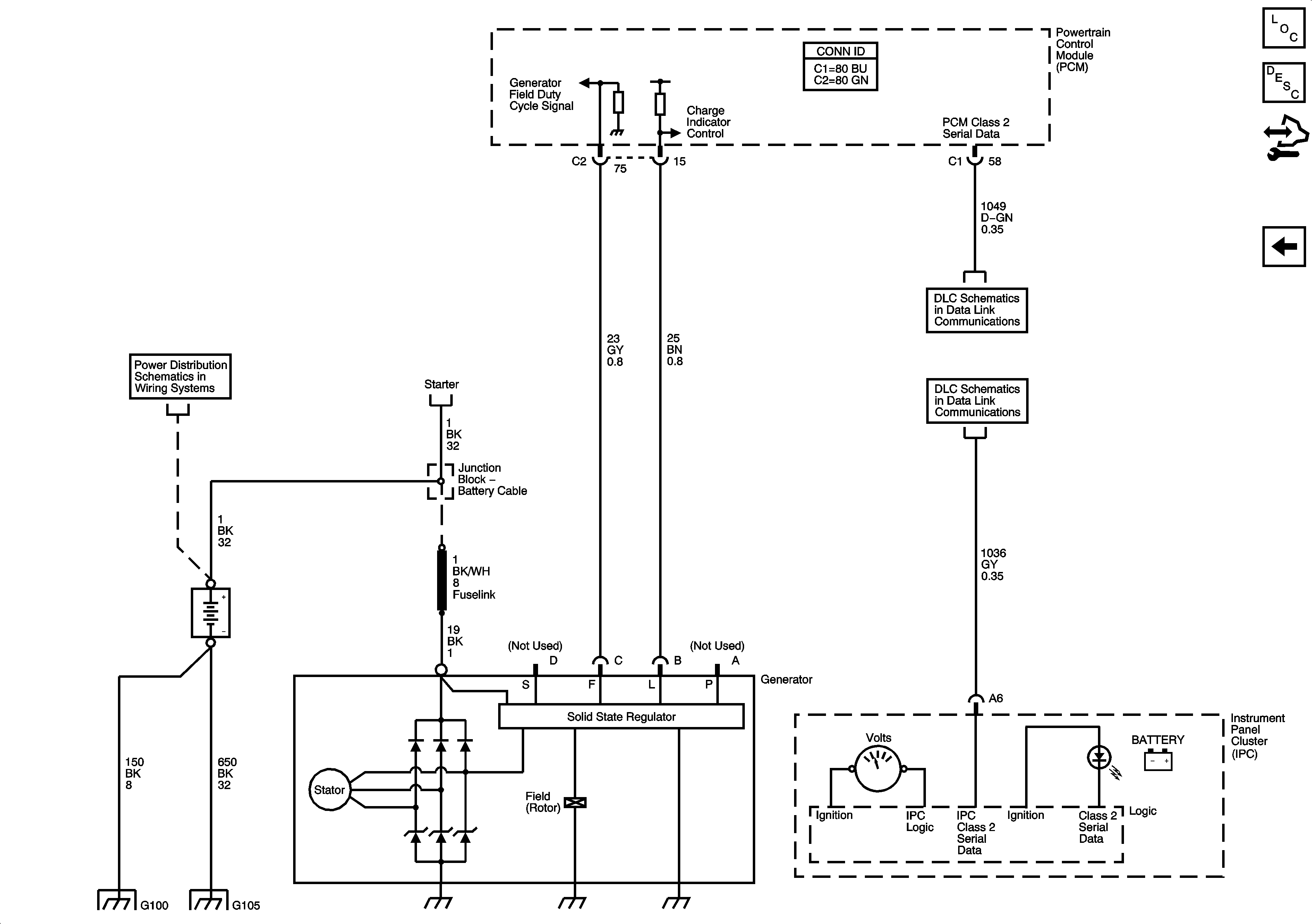
Figure 3:

Charging -2500 Series


Object Number: 1450639  Size: FS
Master Electrical Component List
Charging System Description and Operation (W/O Generator/Battery Control Module)
Control Module References
Charging (except L18 or NYS)
B+ Bus - 1 of 2
Starting
Power, Ground, DLC, and Splice Pack SP205
G100 and G105 - 1 of 4