GM Service Manual Online
For 1990-2009 cars only
Figure 1:

Modular Power, Ground, Serial Data, and MIL


Object Number: 1575712  Size: FS
Master Electrical Component List
Powertrain Control Module Description
Control Module References
Engine Data Sensors - 5-Volt and Low Reference
Engine Controls Schematic Icons
G104 and G107
IGN 1 Relay Bus 1 of 2 ETC/ECM, PCM 1, and SBA Fuses; INJ 1 and INJ 2 Fuses - except L18
B+ Bus - 1 of 2
AUX PWR, AUX PWR 2, DDM, ECC, LBEC 2, LOCKS, PCM B, and PDM Fuses
Ignition Switch - ACCY/RUN/START, RUN, and START Busses, IGN A and CRANK Fuses
IGN 0, RR WPR, SEO ACCY, TBC ACCY, TBC IGN 0, and WS WPR Fuses
IGN 0, RR WPR, SEO ACCY, TBC ACCY, TBC IGN 0, and WS WPR Fuses
IGN 0, RR WPR, SEO ACCY, TBC ACCY, TBC IGN 0, and WS WPR Fuses
G104 and G107
G102 and G103
Power, Ground, DLC and Splice Pack SP205
Figure 2:

Engine Data Sensors - 5-Volt and Low Reference


Object Number: 1576165  Size: FS
Master Electrical Component List
Powertrain Control Module Description
Control Module References
Engine Data Sensors - Pressure, Temperature, MAF, and VSS
Modular Power, Ground, Serial Data, and MIL
Engine Controls Schematic Icons
Figure 3:

Engine Data Sensors - Pressure, Temperature, MAF, and VSS


Object Number: 1575714  Size: FS
Master Electrical Component List
Powertrain Control Module Description
Control Module References
Engine Data Sensors - Oxygen Sensors
Engine Data Sensors - 5-Volt and Low Reference
Engine Controls Schematic Icons
Pressure Controls, Temperature, and VSS
Pressure Controls, Temperature, and VSS
Gages
IGN 1 Relay Bus 1 of 2 ETC/ECM, PCM 1, and SBA Fuses; INJ 1 and INJ 2 Fuses - except L18
Modular Power, Ground, Serial Data, and MIL
IGN 1 Relay Bus 1 of 2 ETC/ECM, PCM 1, and SBA Fuses; INJ 1 and INJ 2 Fuses - except L18
G102 and G103
Figure 4:

Engine Data Sensors - Oxygen Sensors


Object Number: 1576170  Size: FS
Master Electrical Component List
Powertrain Control Module Description
Control Module References
Engine Data Sensors - Electronic Throttle Control
Engine Data Sensors - Pressure, Temperature, MAF, and VSS
Engine Controls Schematic Icons
G102 and G103
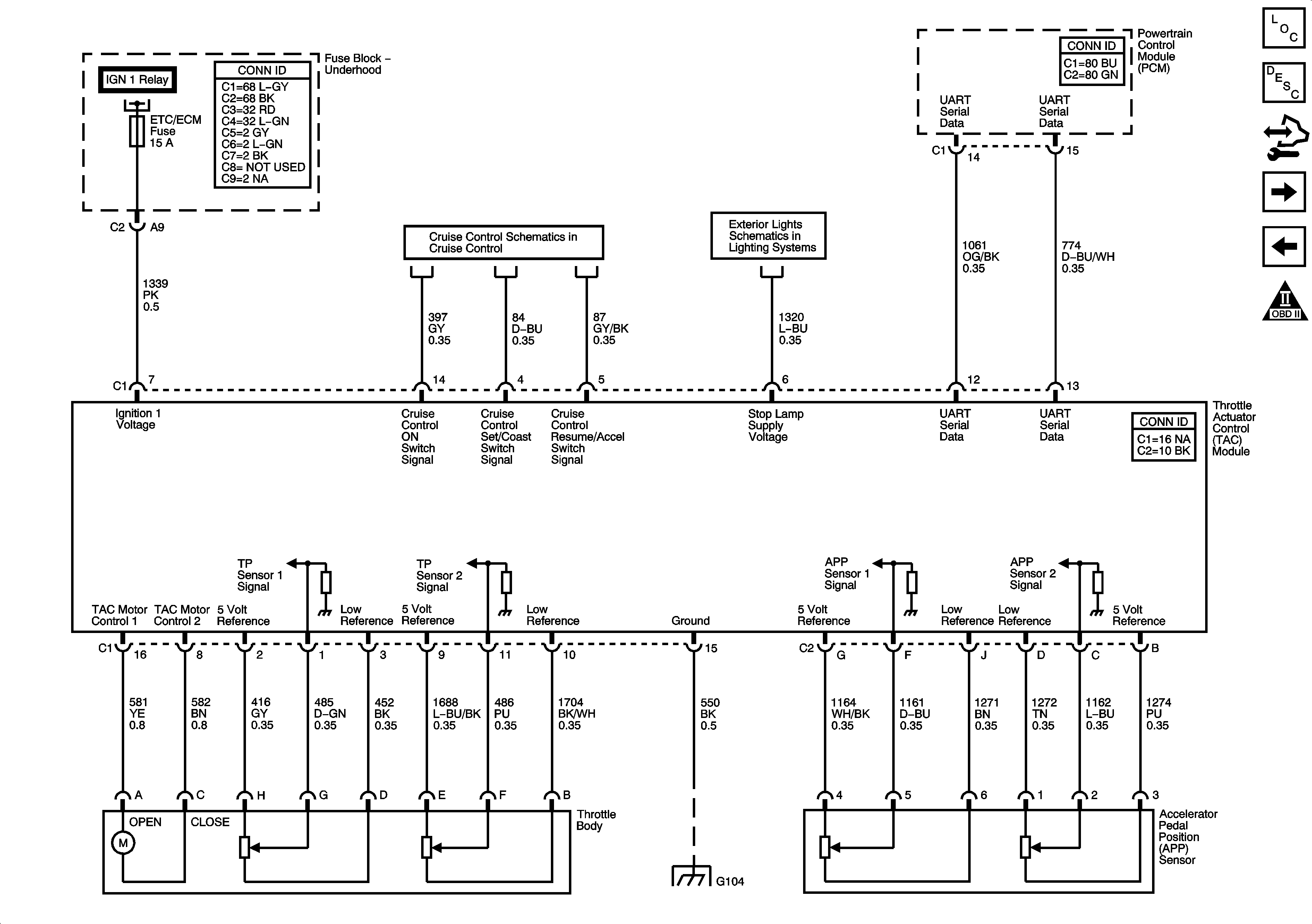
Figure 5:

Engine Data Sensors - Electronic Throttle Control


Object Number: 1576173  Size: FS
Master Electrical Component List
Powertrain Control Module Description
Control Module References
Ignition Controls - Ignition System Coils 1, 3, 5, and 7
Engine Data Sensors - Oxygen Sensors
Engine Controls Schematic Icons
Modular Power, Ground, Serial Data, and MIL
Power, Cruise Control Switch, and Stop Lamp Feed
Stop Lamps - 1 of 2
G104 and G107
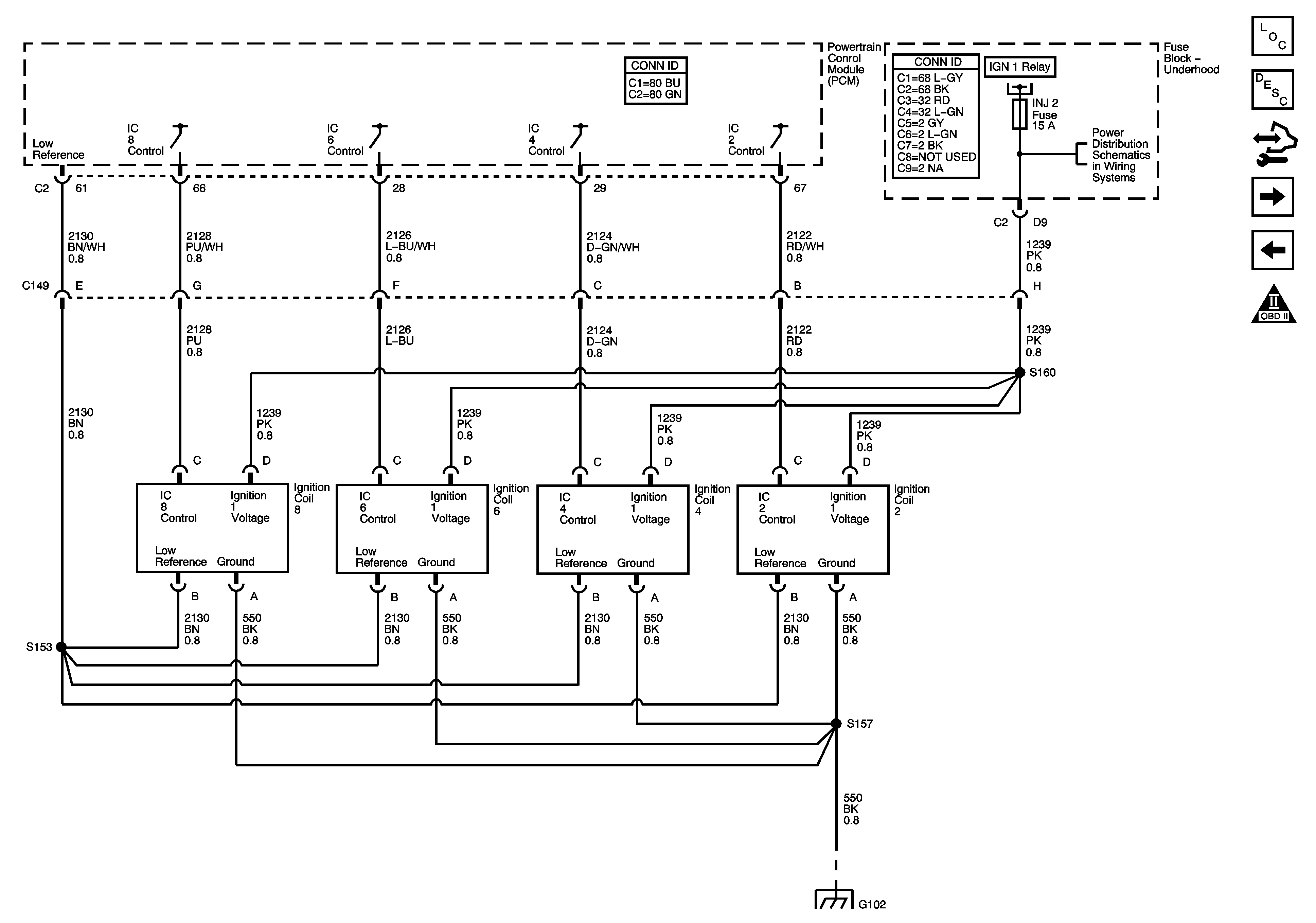
Figure 6:

Ignition Controls - Ignition System Coils 1, 3, 5, and 7


Object Number: 1576174  Size: FS
Master Electrical Component List
Powertrain Control Module Description
Control Module References
Ignition Controls - Ignition System Coils 2, 4, 6, and 8
Engine Data Sensors - Electronic Throttle Control
Engine Controls Schematic Icons
Modular Power, Ground, Serial Data, and MIL
IGN 1 Relay Bus 1 of 2 ETC/ECM, PCM 1, and SBA Fuses; INJ 1 and INJ 2 Fuses - except L18
G102 and G103
Figure 7:

Ignition Controls - Ignition System Coils 2, 4, 6, and 8


Object Number: 1576176  Size: FS
Master Electrical Component List
Powertrain Control Module Description
Control Module References
Ignition Controls - Sensors
Ignition Controls - Ignition System Coils 1, 3, 5, and 7
Engine Controls Schematic Icons
Modular Power, Ground, Serial Data, and MIL
IGN 1 Relay Bus 1 of 2 ETC/ECM, PCM 1, and SBA Fuses; INJ 1 and INJ 2 Fuses - except L18
G102 and G103
Figure 8:

Ignition Controls - Sensors


Object Number: 1576177  Size: FS
Master Electrical Component List
Powertrain Control Module Description
Control Module References
Fuel Controls - Fuel Pump Controls
Ignition Controls - Ignition System Coils 2, 4, 6, and 8
Engine Controls Schematic Icons
Gages
Figure 9:

Fuel Controls - Fuel Pump Controls


Object Number: 1575725  Size: FS
Master Electrical Component List
Powertrain Control Module Description
Control Module References
Fuel Controls - Fuel Injectors
Ignition Controls - Sensors
Engine Controls Schematic Icons
G104 and G107
B+ Bus - 1 of 2
AUX PWR, AUX PWR 2, DDM, ECC, LBEC 2, LOCKS, PCM B, and PDM Fuses
Modular Power, Ground, Serial Data, and MIL
Gages
G104 and G107
G101 and G110
Figure 10:

Fuel Controls - Fuel Injectors


Object Number: 1576179  Size: FS
Master Electrical Component List
Powertrain Control Module Description
Control Module References
Fuel Controls - EVAP Controls and FTP Sensor
Fuel Controls - Fuel Pump Controls
Engine Controls Schematic Icons
Modular Power, Ground, Serial Data, and MIL
IGN 1 Relay Bus 1 of 2 ETC/ECM, PCM 1, and SBA Fuses; INJ 1 and INJ 2 Fuses - except L18
Figure 11:

Fuel Controls - EVAP Controls and FTP Sensor


Object Number: 1576181  Size: FS
Master Electrical Component List
Powertrain Control Module Description
Control Module References
Transmission and Controlled/Monitored Subsystem References
Fuel Controls - Fuel Injectors
Engine Controls Schematic Icons
IGN 1 Relay Bus 1 of 2 ETC/ECM, PCM 1, and SBA Fuses; INJ 1 and INJ 2 Fuses - except L18
Modular Power, Ground, Serial Data, and MIL
B+ Bus - 1 of 2
Gages
Figure 12:

Transmission and Controlled/Monitored Subsystem References


Object Number: 1575727  Size: FS
Master Electrical Component List
Powertrain Control Module Description
Control Module References
Fuel Controls - EVAP Controls and FTP Sensor
Engine Controls Schematic Icons
Starting
Charging - 1500 Series
Driver Information Center
Gages
Engine Cooling Fans - 1500 Series
A/C Compressor Controls
A/C Compressor Controls
Shift Controls and Stop Lamp Switch
Shift Motor and Encoder Circuits
Shift Controls and Stop Lamp Switch
Shift Controls and Stop Lamp Switch
Power, Ground, Serial Data, and Wheel Speed Sensors - w/o JL4
Power, Ground, Serial Data, and Stop Lamp Switch - w/ JL4
Steering Wheel Speed/Position Sensor Inputs - w/ JL4
Pressure Controls, Temperature, and VSS
Pressure Controls, Temperature, and VSS
Pressure Controls, Temperature, and VSS
PNP Switch, 4WD signal, Tow/Haul, Serial Data, and Indicator
PNP Switch, 4WD Signal, Tow/Haul, Serial Data, and Indicator
Pressure Controls, Temperature, and VSS
Pressure Controls, Temperature, and VSS