GM Service Manual Online
For 1990-2009 cars only
Makes
🢒
Cadillac
🢒
2008
🢒
SLS
🢒 Heated/Cooled Seat
Heated/Cooled Seat
Heated/Cooled Seat
Master Electrical Component List
Heated/Vented Seat Description and Operation
Control Module References
Heated Seat
G402 (1 of 2)
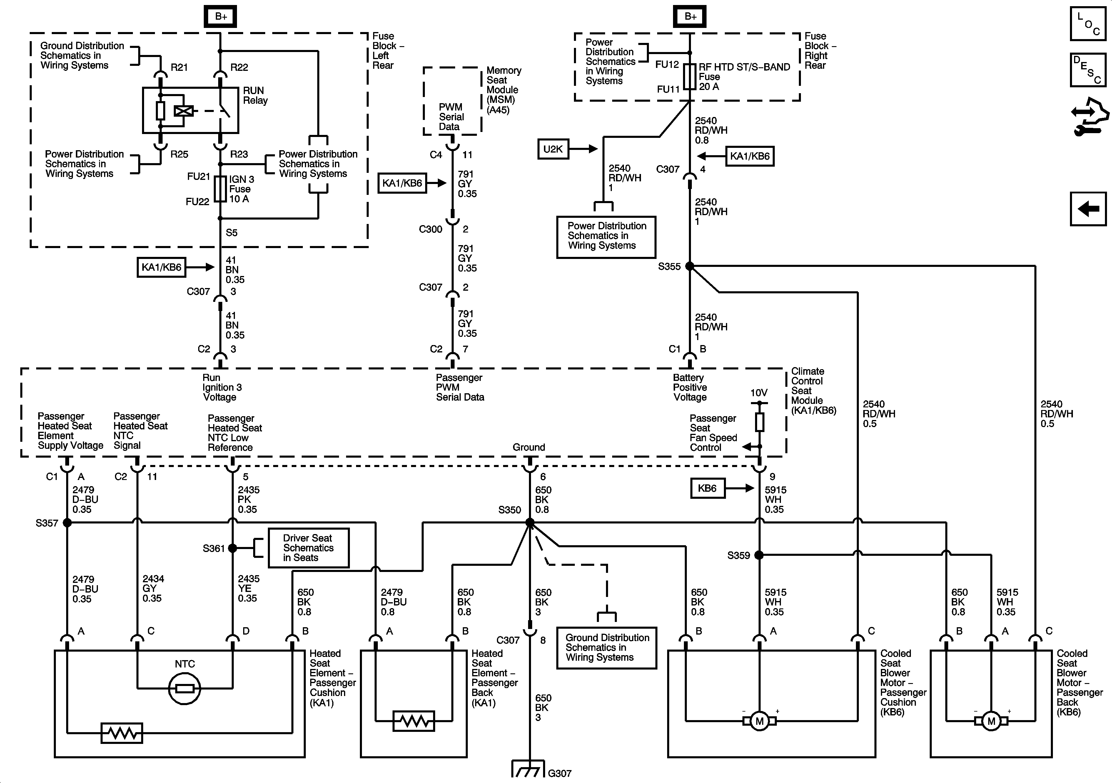
Fuse Block Left Rear: IGN 3 Relay; IGN 3, Rear Heated Seat, Memory, Airbag and Rear Shelf Speaker Fuses
Fuse Block Left Rear Bussing
Fuse Block Right Rear Bussing
Fuse Block Right Rear: Radio/OnStar, RT Turn Signal, Canister Vent and RF Heated/Vented Seat Fuses; Window Motors Circuit Breaker
Heated Seat
G307
G307