GM Service Manual Online
For 1990-2009 cars only
Makes
🢒
Cadillac
🢒
2004
🢒
SRX
🢒
Transmission/Transaxle
🢒
Automatic Transmission - 5L40-E
🢒 Automatic Transmission Controls Schematics
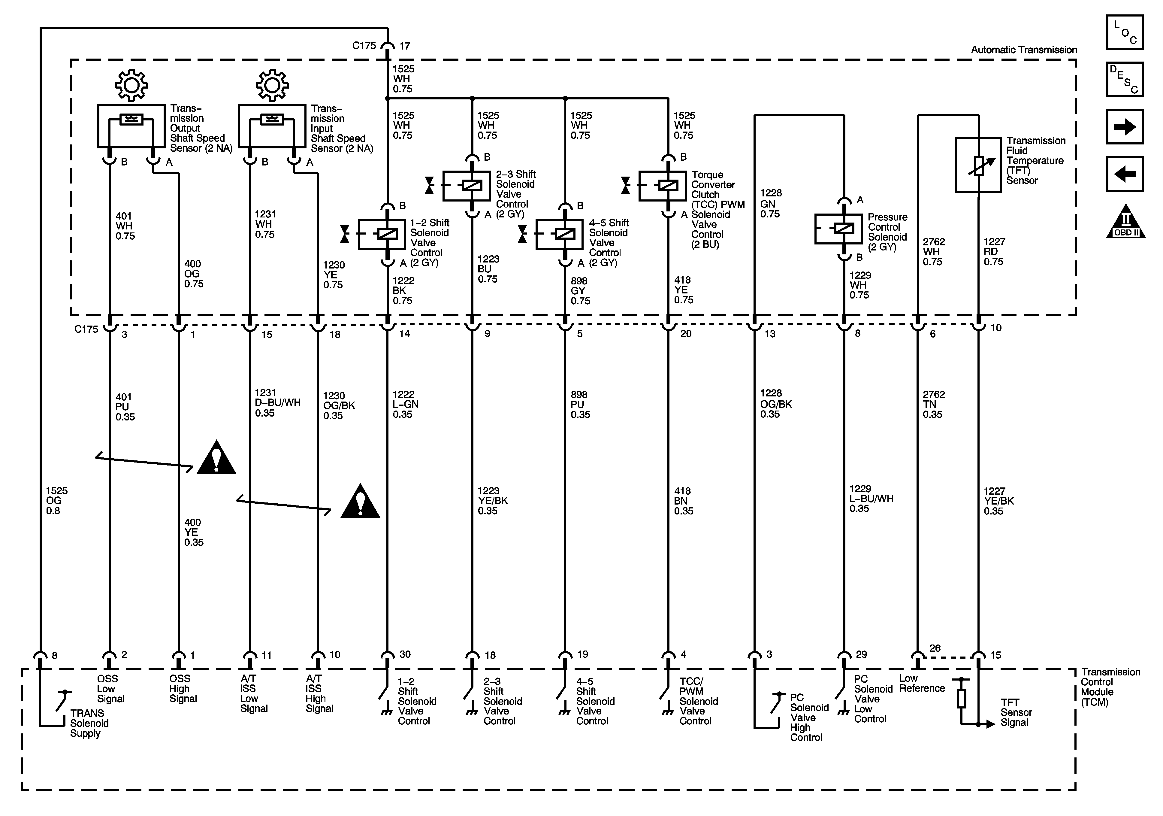
Figure
1:
Power, Ground, Serial Data, and Switches
Master Electrical Component List
Electronic Component Description
Sensors and Solenoids
OBD II Symbol Description Notice
RIM and THEFT Fuses and Ignition Switch - 2 of 2
RIM and THEFT Fuses and Ignition Switch - 2 of 2
CCP (B+), DIM/ALDL, EBCM (B+), ECM/TCM, FLASHER, and VOLT CHECK Fuses
CCP (B+), DIM/ALDL, EBCM (B+), ECM/TCM, FLASHER, and VOLT CHECK Fuses
ABS, STARTER RLY, STRG CTLS, TCM/IPC, and WASH NOZ Fuses
RIM and THEFT Fuses and Ignition Switch - 2 of 2
G104
Tail Lamps (Domestic) Schematic
Automatic Transmission Schematic Icons
Power, Ground, GMLAN, and Key Word 2000 Serial Data
G100 - LH2
G111, G112, G113, G114 and G306
G100 - LH2
G104
Figure
2:
Sensors and Solenoids
Master Electrical Component List
Electronic Component Description
Shift Lever
Power, Grounds, Serial Data and Switches
OBD II Symbol Description Notice
Automatic Transmission Schematic Icons
Automatic Transmission Schematic Icons
Figure
3:
Shift Lever
Master Electrical Component List
Electronic Component Description
Sensors and Solenoids
OBD II Symbol Description Notice
RIM and THEFT Fuses and Ignition Switch - 2 of 2
Fuse Block - Left Rear B+ Bus
G402 - 1 of 2
AIRBAG, CCP (RUN), EBCM (RUN), HDLP LEVELING, IGN 1, AND IGN 3 Fuses
AIRBAG, CCP (RUN), EBCM (RUN), HDLP LEVELING, IGN 1, AND IGN 3 Fuses
Dimming Lamps - 1 of 2
G402 - 1 of 2
G200