GM Service Manual Online
For 1990-2009 cars only
Figure 1:

Power, Ground, Blower Motor and Recirculation Actuator


Object Number: 1214897  Size: FS
Master Electrical Component List
Air Delivery Description and Operation
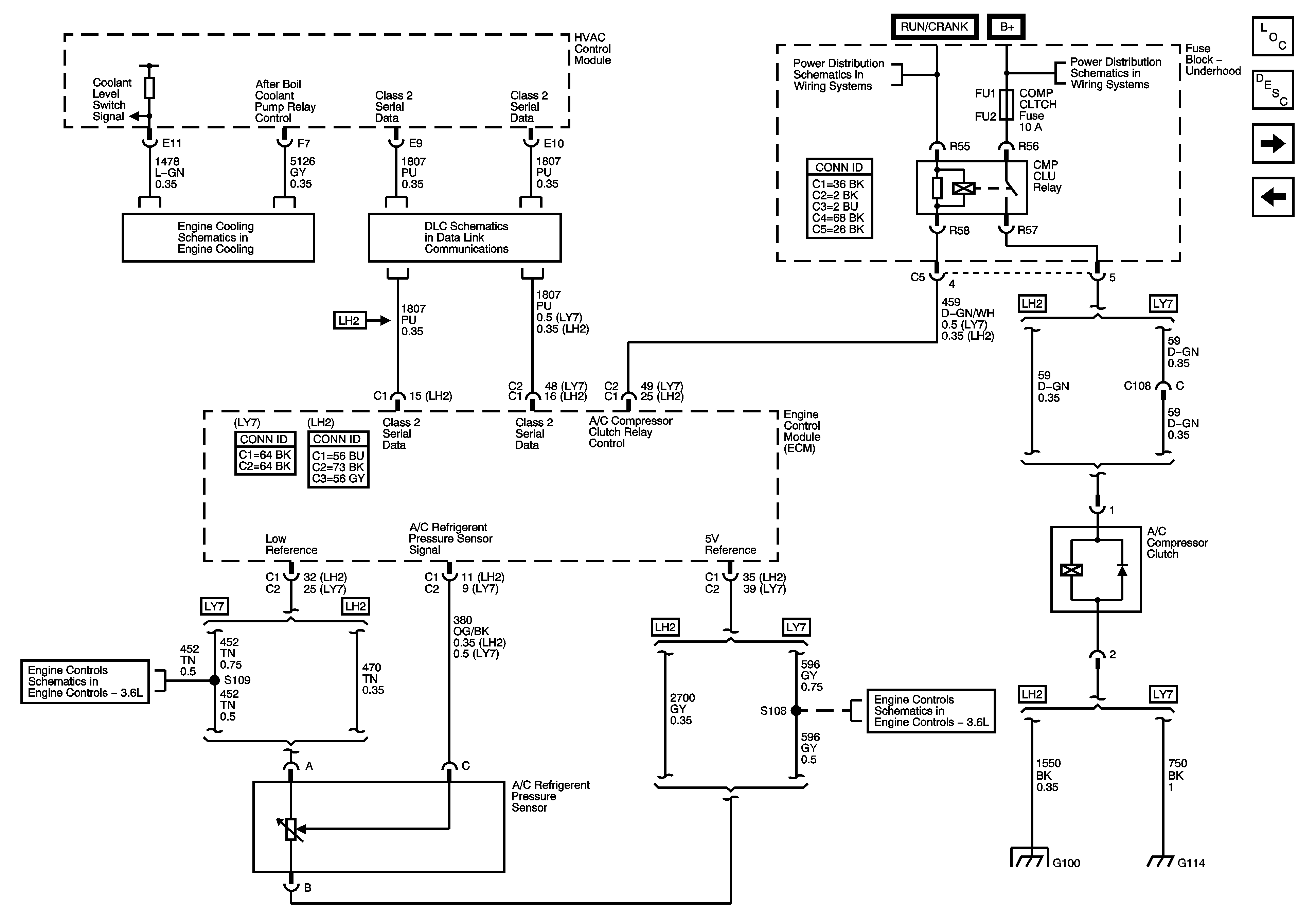
Serial Data and A/C Compressor Controls
IGN SW Fuse and Ignition Switch - 1 of 2
Fuse Block - Left Rear B+ Bus
Fuse Block - Underhood B+ Bus Schematic
AIRBAG, CCP (RUN), EBCM (RUN), HDLP LEVELING, IGN 1, AND IGN 3 Fuses
AIRBAG, CCP (RUN), EBCM (RUN), HDLP LEVELING, IGN 1, AND IGN 3 Fuses
G402 - 1 of 2
G201
G201
Figure 2:

Serial Data and A/C Compressor Controls


Object Number: 1214899  Size: FS
Master Electrical Component List
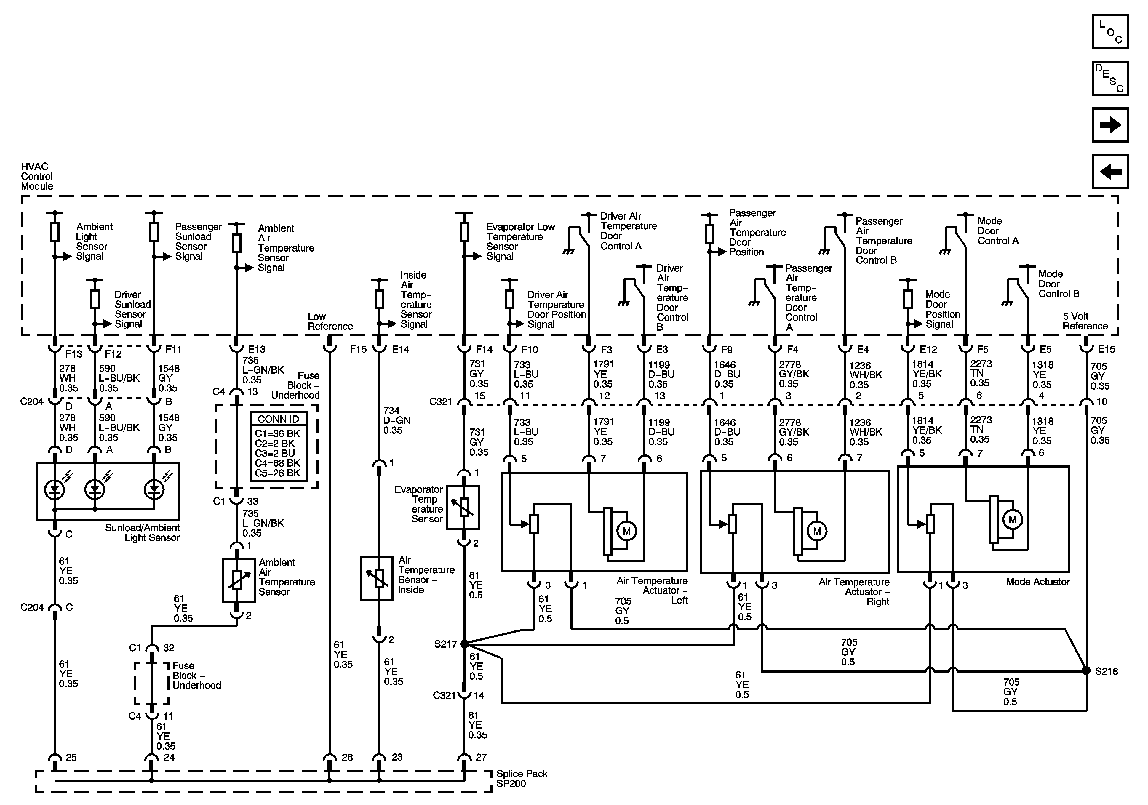
Air Temperature Description and Operation
Air Delivery and Temperature Controls
Power, Ground, Blower Motor and Recirculation Actuator
Indicators and Pump
Class 2 Serial Data - 1 of 2
RIM and THEFT Fuses and Ignition Switch - 2 of 2
Fuse Block - Underhood B+ Bus Schematic
Engine Data Sensors - Low Reference Bussing
Engine Data Sensors - 5-Volt Reference Bussing
G100 - LH2
Figure 3:

Air Delivery and Temperature Controls


Object Number: 1214900  Size: FS
Master Electrical Component List
Air Temperature Description and Operation
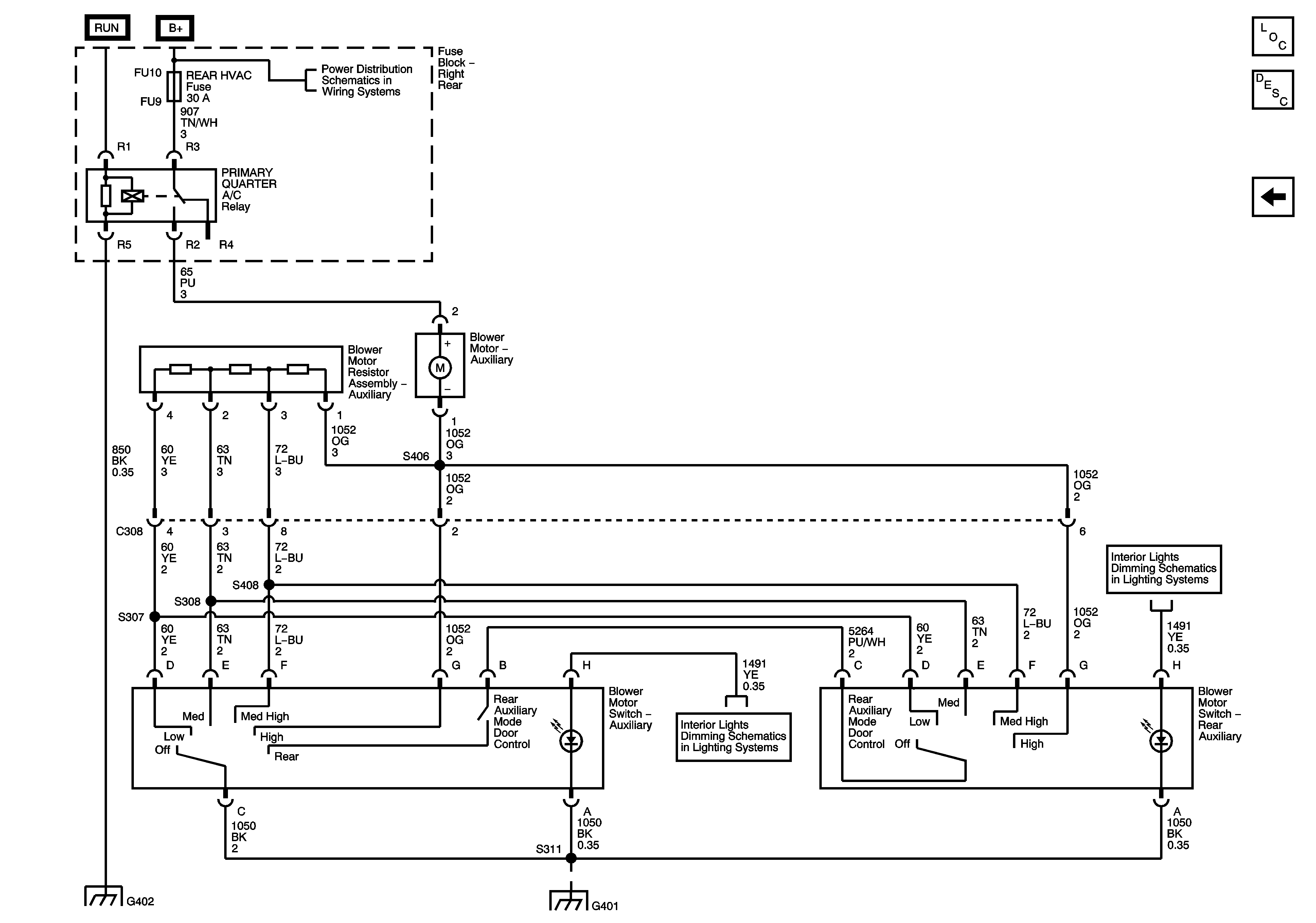
Auxiliary Blower (C57)
Serial Data and A/C Compressor Controls
Figure 4:

Auxiliary Blower Motor (C57)


Object Number: 1218394  Size: FS
Master Electrical Component List
Air Delivery Description and Operation
Air Delivery and Temperature Controls
Fuse Block - Right Rear B+ Bus
Dimming Lamps - 1 of 2
Dimming Lamps - 1 of 2
G402 - 1 of 2
G401 - 2 of 2