GM Service Manual Online
For 1990-2009 cars only
Makes
🢒
Cadillac
🢒
2004
🢒
SRX
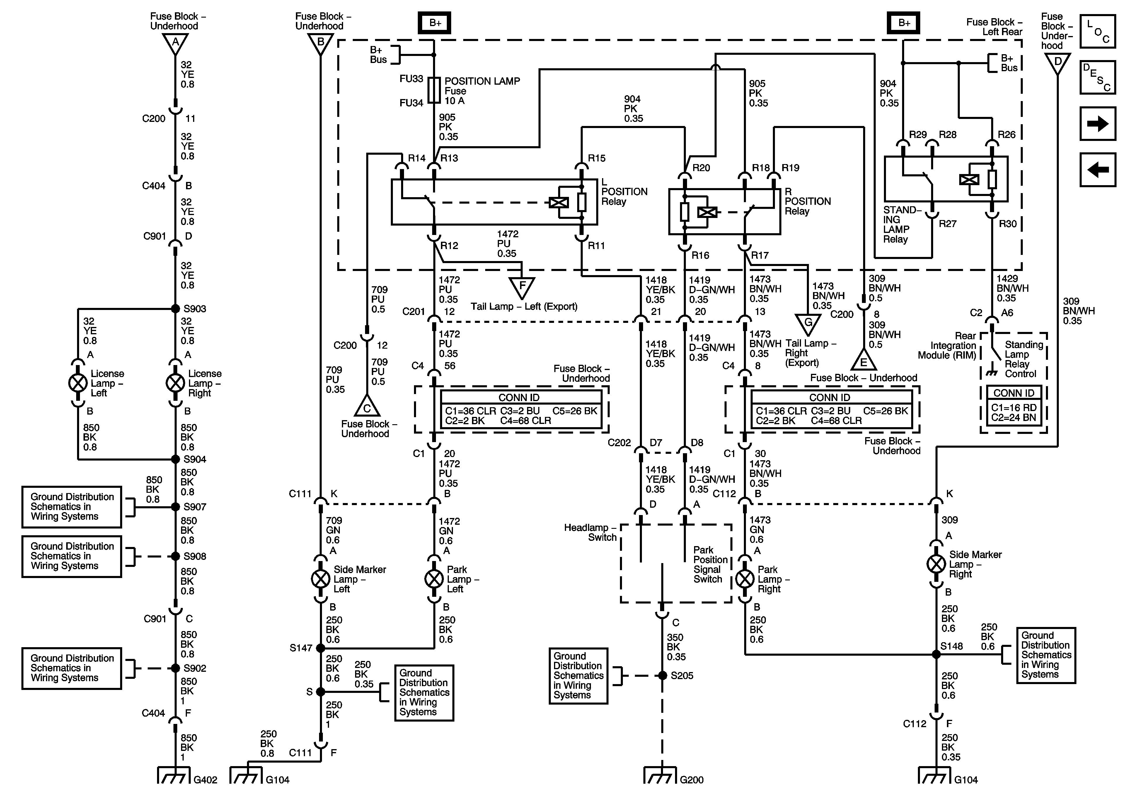
🢒 License, Park and Side Marker Lamps (Export) Schematic
License, Park and Side Marker Lamps (Export) Schematic
License, Park and Side Marker Lamps - Export
Master Electrical Component List
Exterior Lighting Systems Description and Operation
Tail Lamps (Domestic) Schematic
License, Park and Side MArker Lamp (Domestic) Schematic
Park Lamp Relay, Switch and Instrument Cluster (Dom, Exp) Schematic
Park Lamp Relay, Switch and Instrument Cluster (Dom, Exp) Schematic
Park Lamp Relay, Switch and Instrument Cluster (Dom, Exp) Schematic
Park Lamp Relay, Switch and Instrument Cluster (Dom, Exp) Schematic
Tail Lamps (Export) Schematic
Tail Lamps (Export) Schematic
Park Lamp Relay, Switch and Instrument Cluster (Dom, Exp) Schematic
G402 - 1 of 2
G402 - 1 of 2
G402 - 1 of 2
G104
G200
G104
G402 - 1 of 2
G104
G200
G104