GM Service Manual Online
For 1990-2009 cars only
Makes
🢒
Cadillac
🢒
2004
🢒
SRX
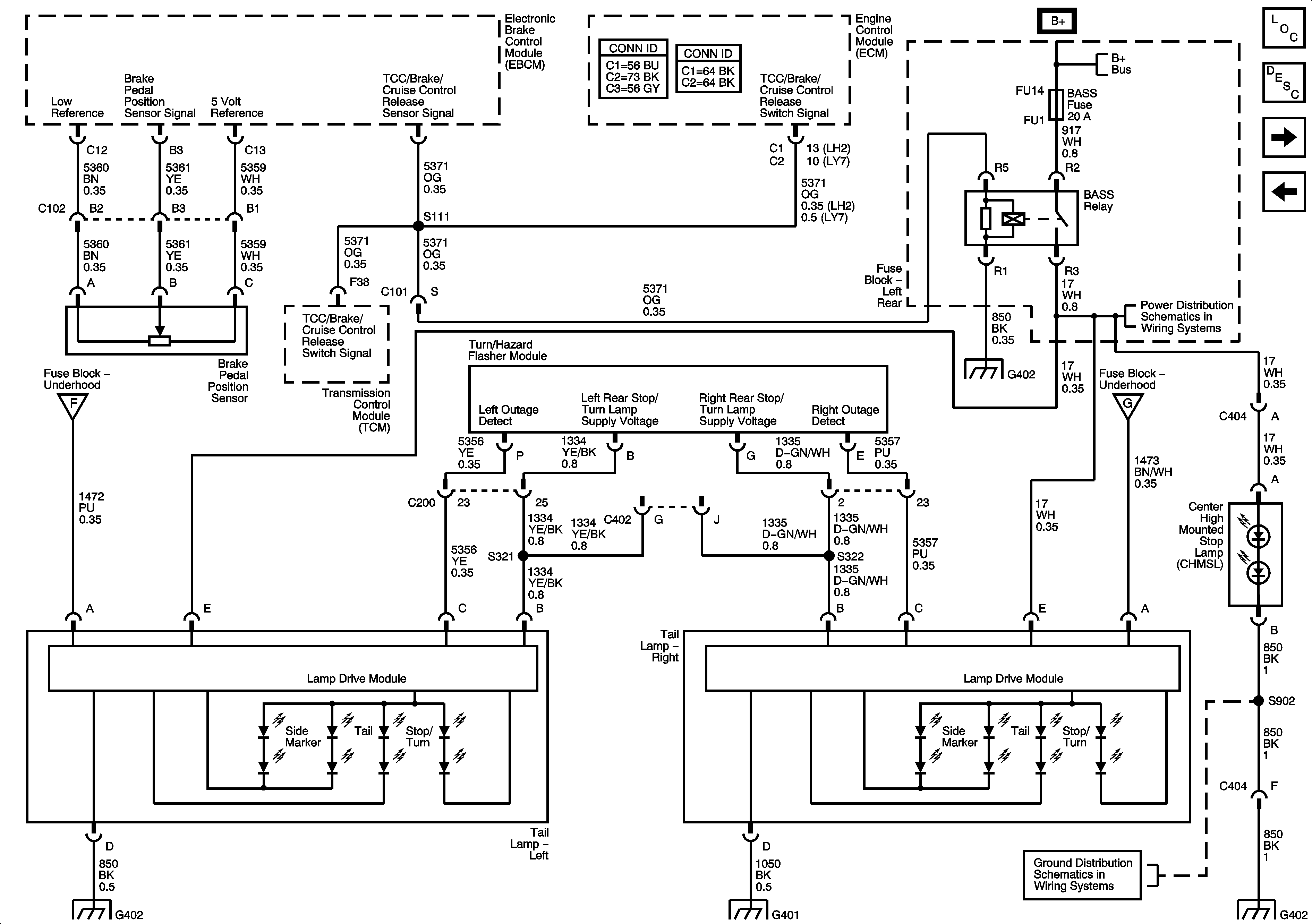
🢒 Tail Lamps (Export) Schematic
Tail Lamps (Export) Schematic
Tail Lamps - Export
Master Electrical Component List
Exterior Lighting Systems Description and Operation
Backup Lamps (Domestic, Export) Schematic
Tail Lamps (Domestic) Schematic
Park Lamp Relay, Switch and Instrument Cluster (Dom, Exp) Schematic
G402 - 1 of 2
License, Park and Side Marker Lamps (Export) Schematic
FFS SW, FFSM, BASS Fuses and BASS Relay schematic
G402 - 1 of 2
G401 - 1 of 2
G402 - 1 of 2
G402 - 1 of 2