GM Service Manual Online
For 1990-2009 cars only
Figure 1:

Headlamp Controls


Object Number: 1614299  Size: FS
Master Electrical Component List
Exterior Lighting Systems Description and Operation
Control Module References
Headlamps-Domestic
Fuse Block Underhood B+ Bus
Fuse Block Underhood B+ Bus
Class 2 Serial Data 1 of 2
Headlamps-Domestic
Park Lamp Controls and Indicators
Headlamps-Domestic
Air Delivery and Temp Controls
Air Delivery and Temp Controls
G201
Figure 2:

Headlamps - Domestic


Object Number: 1614304  Size: FS
Master Electrical Component List
Exterior Lighting Systems Description and Operation
Control Module References
Headlamps-Export
Headlamp Controls
Headlamp Controls
Headlamp Controls
Parking Lamps-Domestic
Parking Lamps-Domestic
Parking Lamps-Domestic
Parking Lamps-Domestic
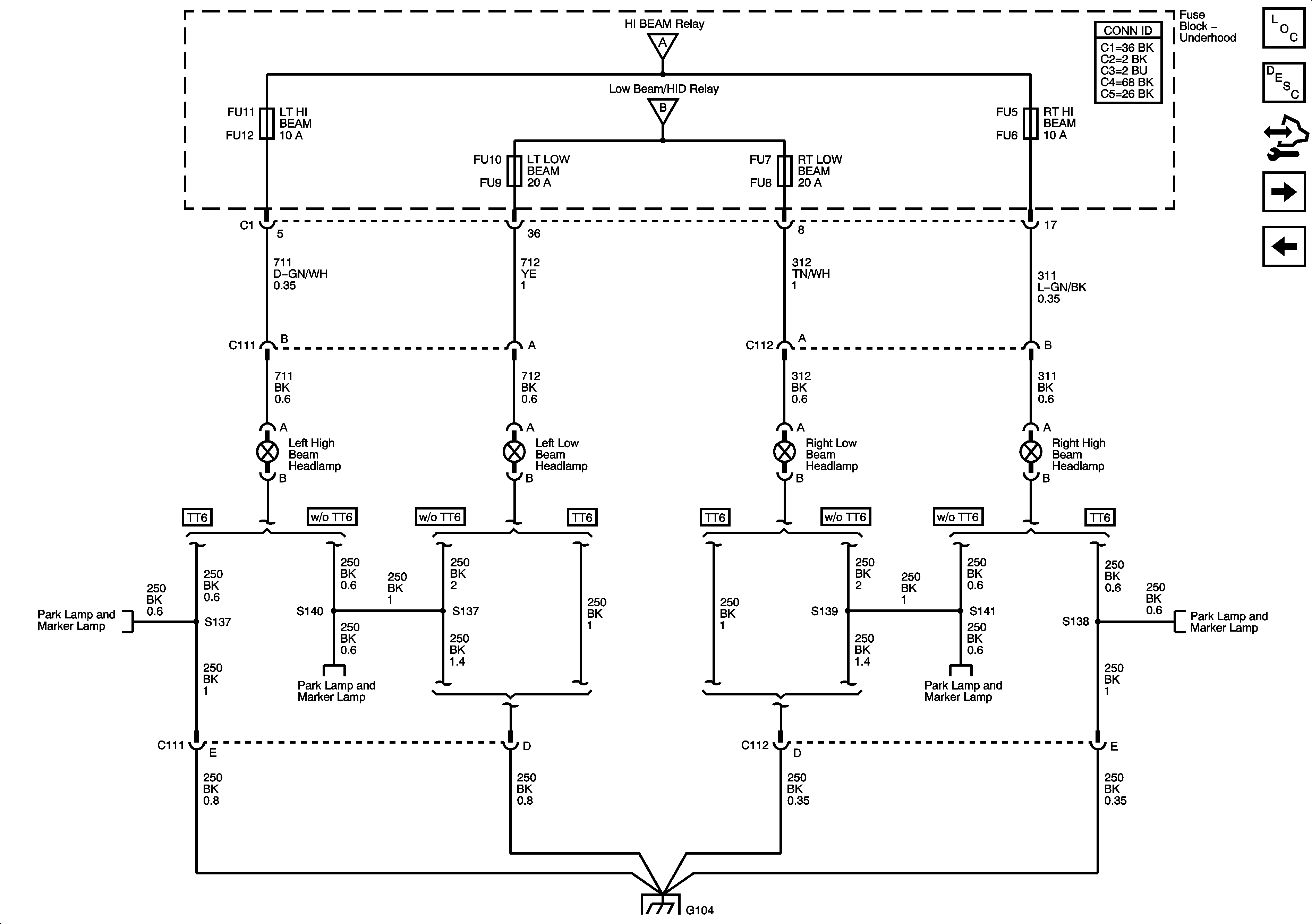
G104
Figure 3:

Headlamps - Export


Object Number: 1614306  Size: FS
Master Electrical Component List
Exterior Lighting Systems Description and Operation
Control Module References
DRL Domestic
Headlamps-Domestic
Headlamp Controls
Headlamp Controls
Parking Lamps-Export
Parking Lamps-Export
G104
Figure 4:

Daytime Running Lamps (DRL) - Domestic


Object Number: 1614307  Size: FS
Master Electrical Component List
Exterior Lighting Systems Description and Operation
Control Module References
Headlamps-Export
Fuse Block Underhood B+ Bus
Class 2 Serial Data 1 of 2
G200