GM Service Manual Online
For 1990-2009 cars only

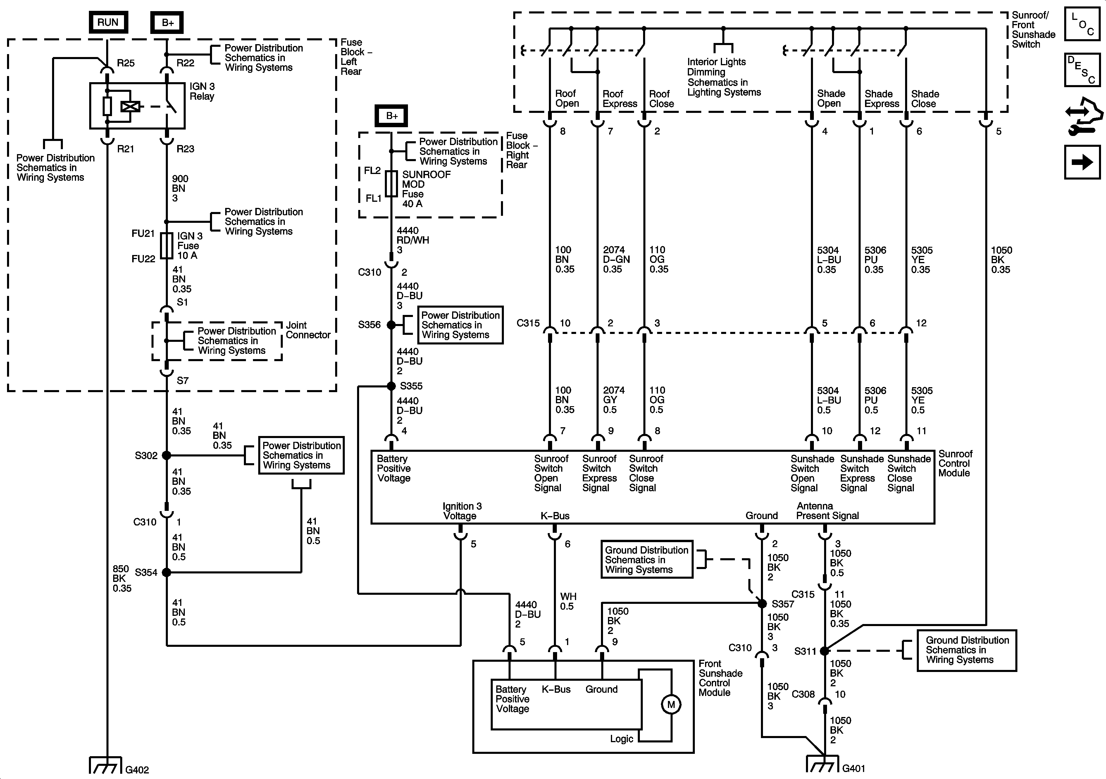
Sunroof Schematics Domestic

Figure 1:

Sunroof and Front Sunshade


Object Number: 1615384  Size: FS
Master Electrical Component List
Sunroof Description and Operation
Control Module References
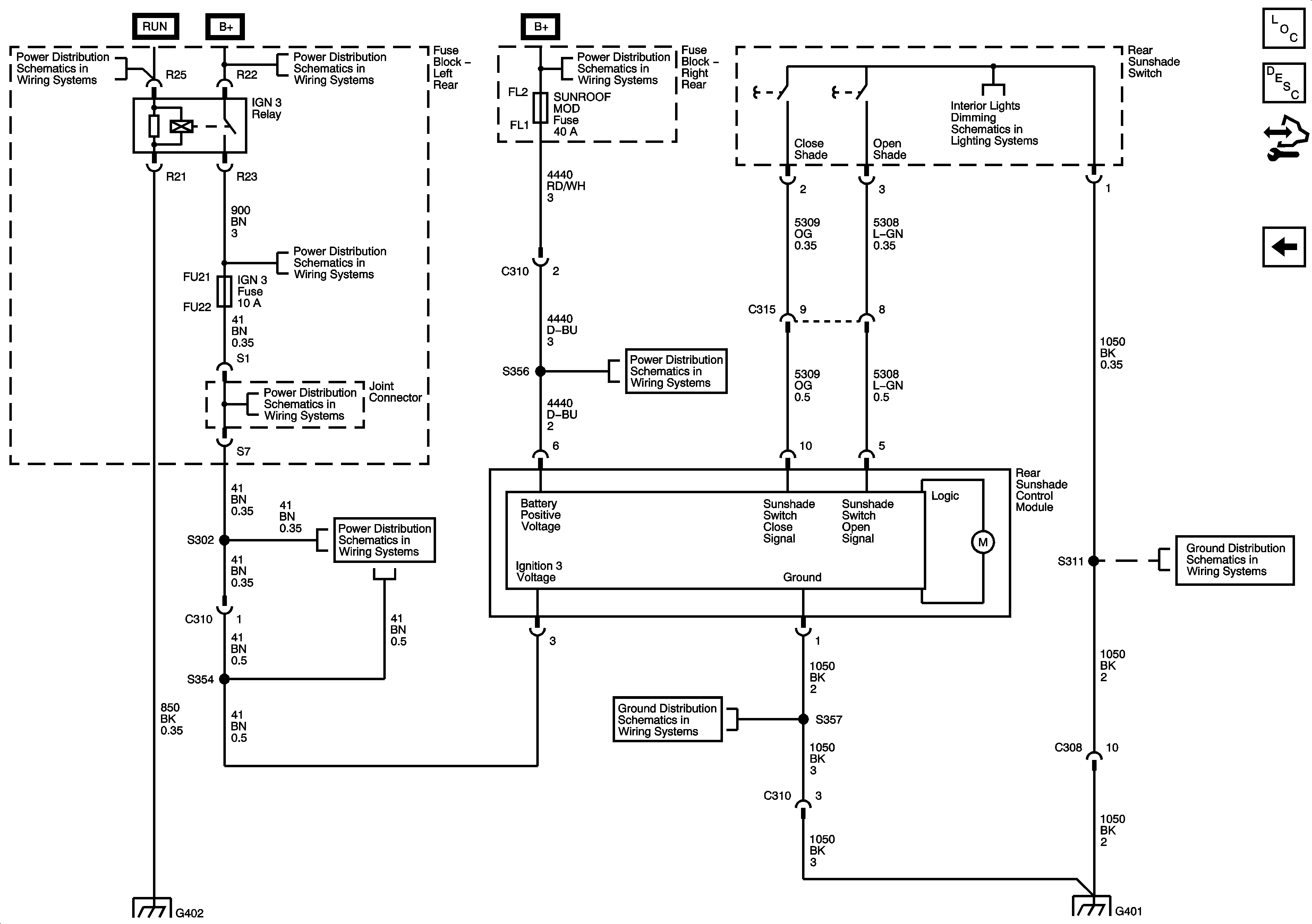
Rear Sunshade
IGN SW Fuse and Ignition Switch 1 of 2
06 ESUV-Fuse Block Left Rear B+ Bus
AIR BAG, CCP (RUN), EBCM (RUN), HDLP LEVELING, IGN 1 AND IGN 3 FUSES
AIR BAG, CCP (RUN), EBCM (RUN), HDLP LEVELING, IGN 1 AND IGN 3 FUSES
AIR BAG, CCP (RUN), EBCM (RUN), HDLP LEVELING, IGN 1 AND IGN 3 FUSES
Fuse Block Right Rear B+ Bus
CANISTER VENT, DR MOD PWR, REAR HATCH, R FRT HTD SEAT MOD, POWER LIFT GATE and SUNROOF MOD Fuses
Dimming Lamps 1 of 2
G401 1 of 2
G401 2 of 2
G402 1 of 2
G401 2 of 2
Figure 2:

Rear Sunshade


Object Number: 1615385  Size: FS
Master Electrical Component List
Sunroof Description and Operation
Control Module References
Sunroof and Front Sunshade
IGN SW Fuse and Ignition Switch 1 of 2
06 ESUV-Fuse Block Left Rear B+ Bus
AIR BAG, CCP (RUN), EBCM (RUN), HDLP LEVELING, IGN 1 AND IGN 3 FUSES
AIR BAG, CCP (RUN), EBCM (RUN), HDLP LEVELING, IGN 1 AND IGN 3 FUSES
AIR BAG, CCP (RUN), EBCM (RUN), HDLP LEVELING, IGN 1 AND IGN 3 FUSES
Fuse Block Right Rear B+ Bus
CANISTER VENT, DR MOD PWR, REAR HATCH, R FRT HTD SEAT MOD, POWER LIFT GATE and SUNROOF MOD Fuses
G401 1 of 2
Dimming Lamps 1 of 2
G401 2 of 2
G402 1 of 2
G401 2 of 2

Sunroof Schematics Export

Figure 1:

Sunroof and Front Sunshade


Object Number: 1615386  Size: FS
Master Electrical Component List
Sunroof Description and Operation
Control Module References
Rear Sunshade
Fuse Block Right Rear B+ Bus
Fuse Block Right Rear B+ Bus
Dimming Lamps 1 of 2
CANISTER VENT, DR MOD PWR, REAR HATCH, R FRT HTD SEAT MOD, POWER LIFT GATE and SUNROOF MOD Fuses
Rear Sunshade
G401 1 of 2
G401 2 of 2
G401 2 of 2
Figure 2:

Rear Sunshade


Object Number: 1615387  Size: FS
Master Electrical Component List
Sunroof Description and Operation
Control Module References
Sunroof and Front Sunshade
Fuse Block Right Rear B+ Bus
Fuse Block Right Rear B+ Bus
Dimming Lamps 1 of 2
Sunroof and Front Sunshade
CANISTER VENT, DR MOD PWR, REAR HATCH, R FRT HTD SEAT MOD, POWER LIFT GATE and SUNROOF MOD Fuses
G401 1 of 2
G401 2 of 2
G401 2 of 2