GM Service Manual Online
For 1990-2009 cars only
Makes
🢒
Cadillac
🢒
2007
🢒
SRX
🢒
Diagnostic Navigation
🢒
Vehicle Diagnostic Information
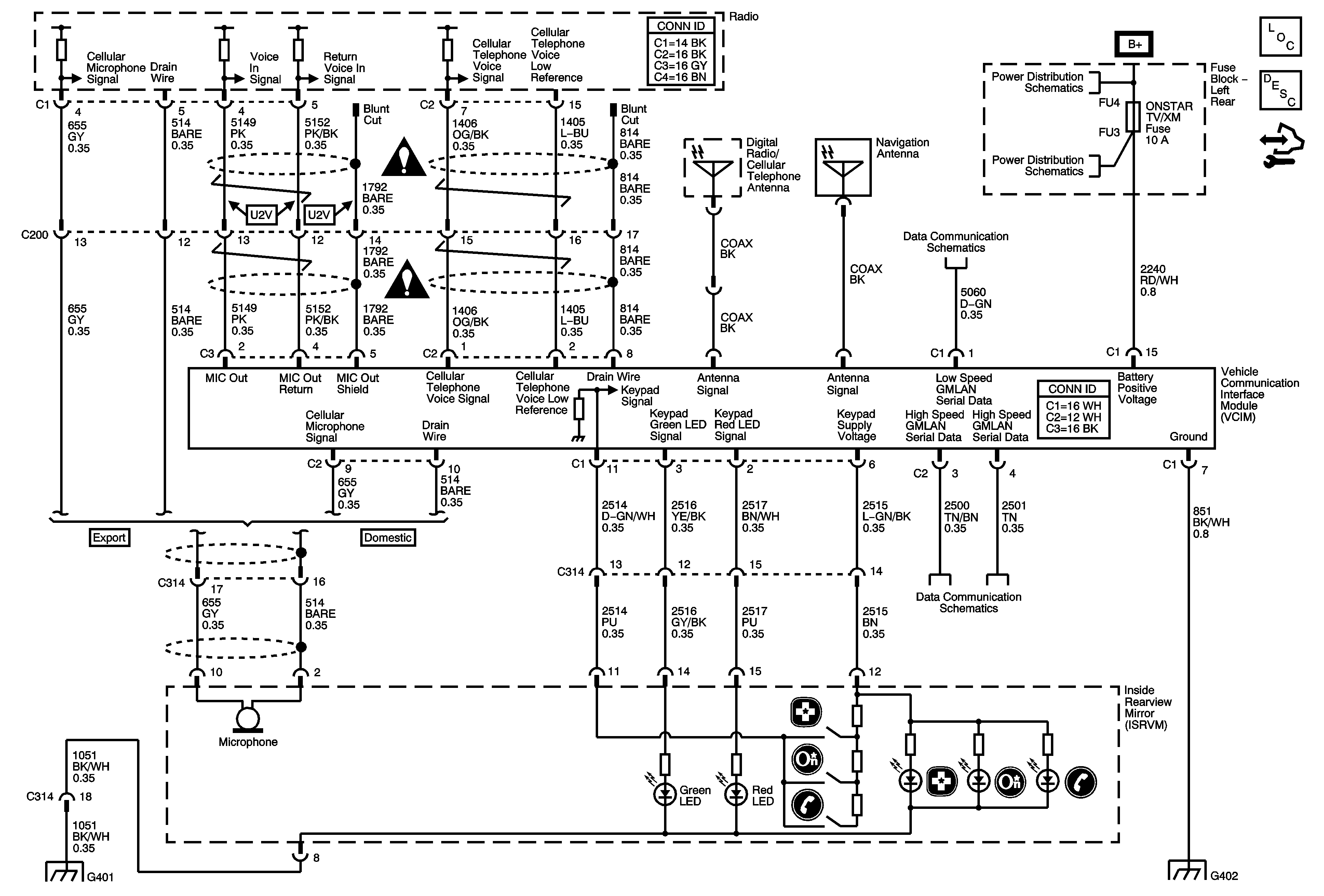
🢒 OnStar Schematics
Master Electrical Component List
OnStar Description and Operation
Control Module References
Entertainment/Communication Schematic Icons
Entertainment/Communication Schematic Icons
Left Rear Fuse Block B+ Bus
3RD ROW SW/RFA Fuse, AMP Fuse, ONSTAR TV/XM Fuse, RSA/RSE Fuse, and RSM Fuse
Low Speed GMLAN Serial Data 2 of 2
High Speed GMLAN
G401 (1 of 3)
G402 (1 of 2)