GM Service Manual Online
For 1990-2009 cars only
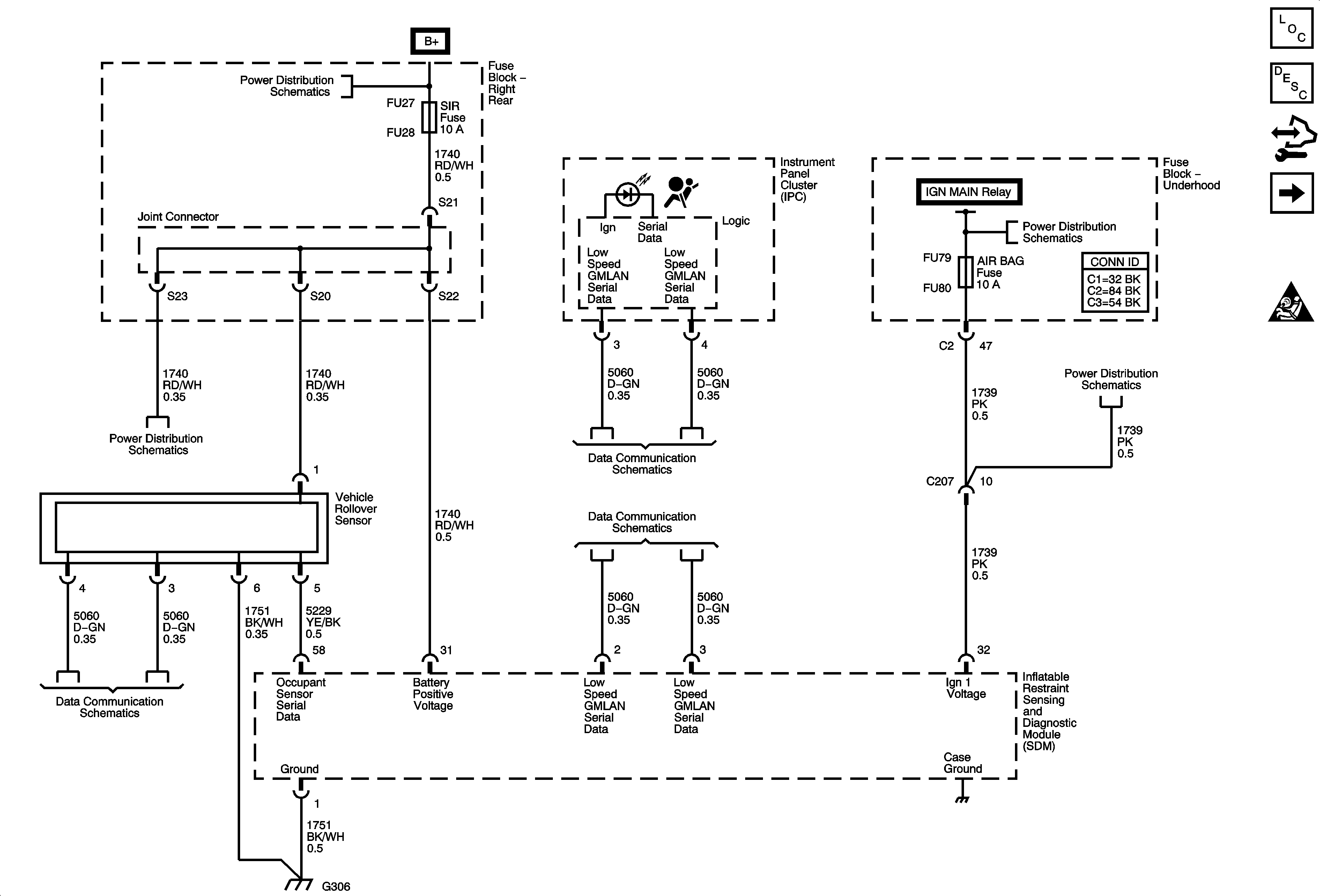
Figure 1:

Power, Ground, Serial Data, Indicator, and Rollover Sensor


Object Number: 1749436  Size: FS
Master Electrical Component List
SIR System Description and Operation
Control Module References
Passenger Presense System and Front End Sensors
SIR Schematic Icons
Right Rear Fuse Block B+ Bus
Ignition Power Modes - RUN
IGN MAIN Relay, ABS IGN Fuse, AIRBAG Fuse, ECM TCM IGN Fuse, and MISC IGN Fuse
IGN MAIN Relay, ABS IGN Fuse, AIRBAG Fuse, ECM TCM IGN Fuse, and MISC IGN Fuse
ELC Fuse, PDM Fuse, and SIR Fuse
Low Speed GMLAN Serial Data 1 of 2
Low Speed GMLAN Serial Data 1 of 2
Low Speed GMLAN Serial Data 1 of 2
G106, G111, G306
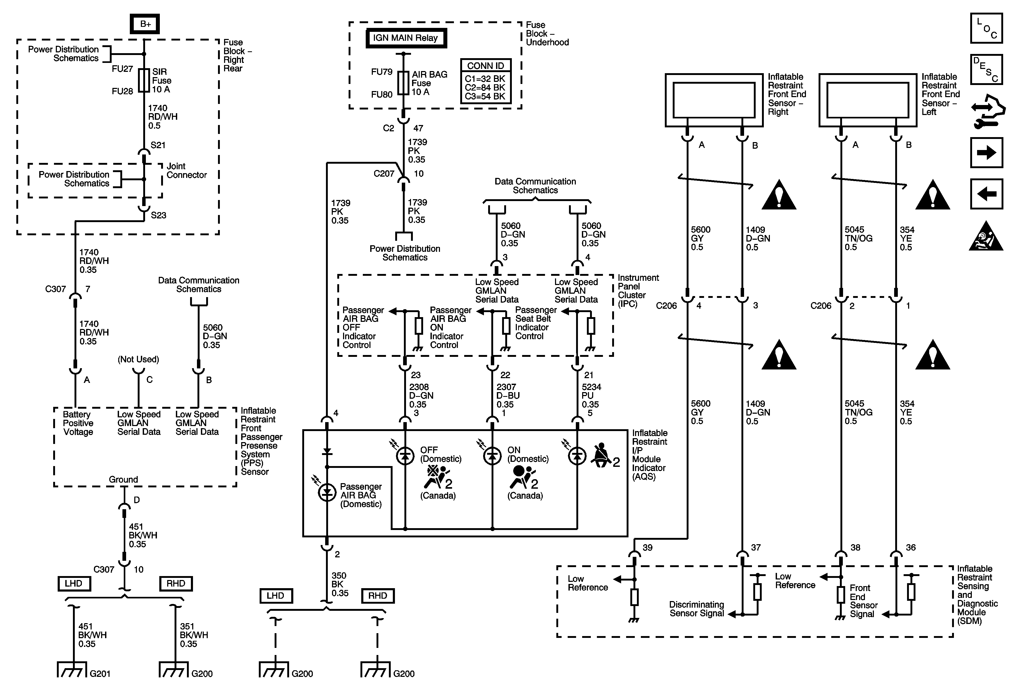
Figure 2:

Passenger Presence System and Front End Sensors


Object Number: 1836974  Size: FS
Master Electrical Component List
SIR System Description and Operation
Control Module References
Driver Side Modules and Sensors
Power, Ground, Serial Data, Indicator, and Rollover Sensor
SIR Schematic Icons
Right Rear Fuse Block B+ Bus
Ignition Power Modes - RUN
ELC Fuse, PDM Fuse, and SIR Fuse
Low Speed GMLAN Serial Data 1 of 2
SIR Schematic Icons
SIR Schematic Icons
Low Speed GMLAN Serial Data 1 of 2
IGN MAIN Relay, ABS IGN Fuse, AIRBAG Fuse, ECM TCM IGN Fuse, and MISC IGN Fuse
SIR Schematic Icons
SIR Schematic Icons
G201 (LHD)
G200 1 OF 2 (RHD)
G200 (1 of 2) LHD
G200 2 OF 2 (RHD)
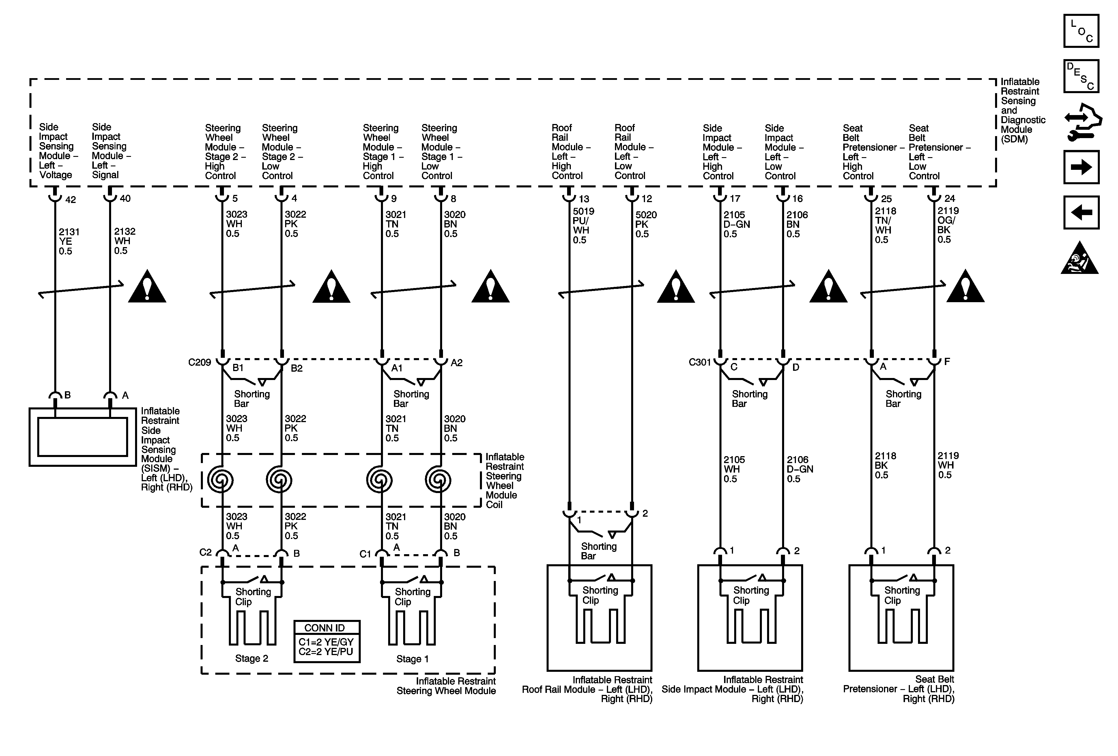
Figure 3:

Driver Side Modules and Sensors


Object Number: 1749437  Size: FS
Master Electrical Component List
SIR System Description and Operation
Control Module References
Passenger Side Module and Sensors
Passenger Presense System and Front End Sensors
SIR Schematic Icons
SIR Schematic Icons
SIR Schematic Icons
SIR Schematic Icons
SIR Schematic Icons
SIR Schematic Icons
Figure 4:

Passenger Side Modules and Sensors


Object Number: 1749438  Size: FS
Master Electrical Component List
SIR System Description and Operation
Control Module References
Driver Side Modules and Sensors
SIR Schematic Icons
SIR Schematic Icons
SIR Schematic Icons
SIR Schematic Icons
SIR Schematic Icons
SIR Schematic Icons
SIR Schematic Icons
Seat Belt Schematics