GM Service Manual Online
For 1990-2009 cars only
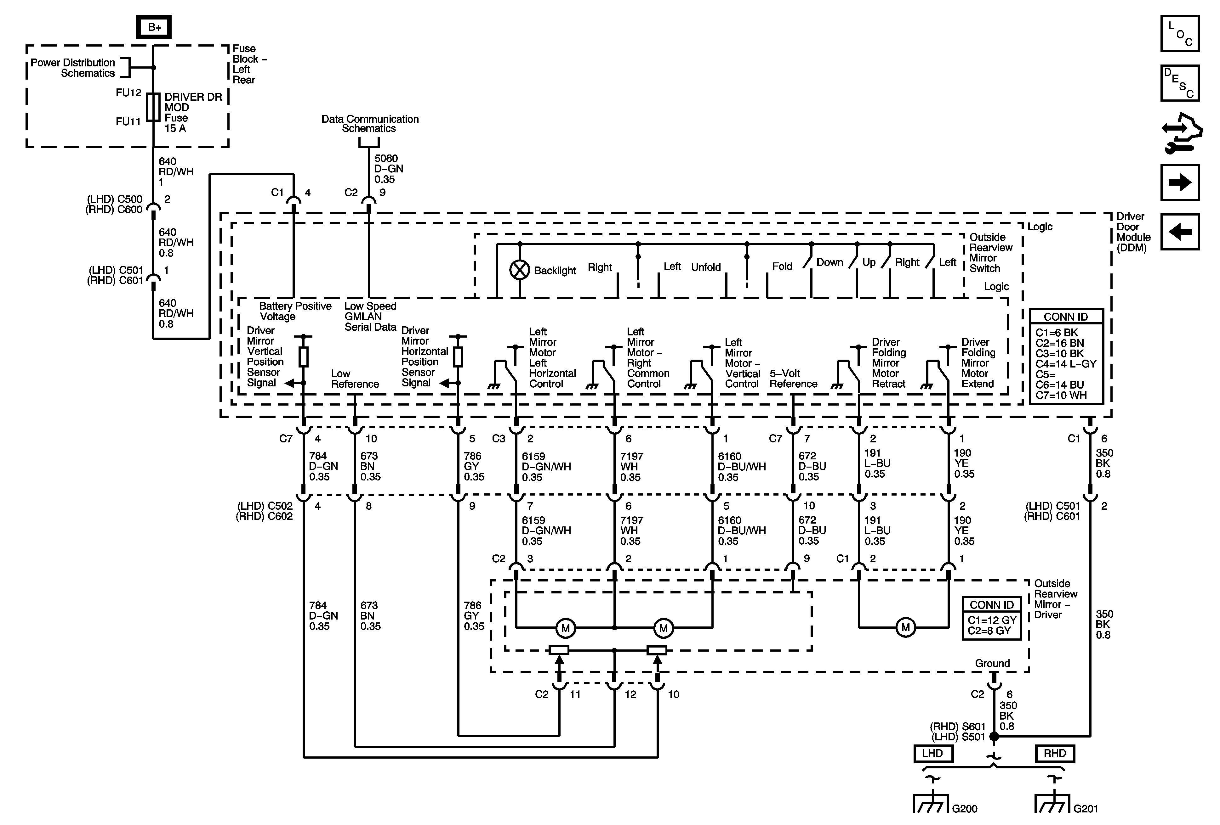
Figure 1:

Driver and Passenger Power Outside Mirrors (w/o A45)


Object Number: 1749467  Size: FS
Master Electrical Component List
Outside Mirror Description and Operation
Control Module References
Driver Power Outside Mirror A45
Left Rear Fuse Block B+ Bus
Low Speed GMLAN Serial Data 1 of 2
Low Speed GMLAN Serial Data 2 of 2
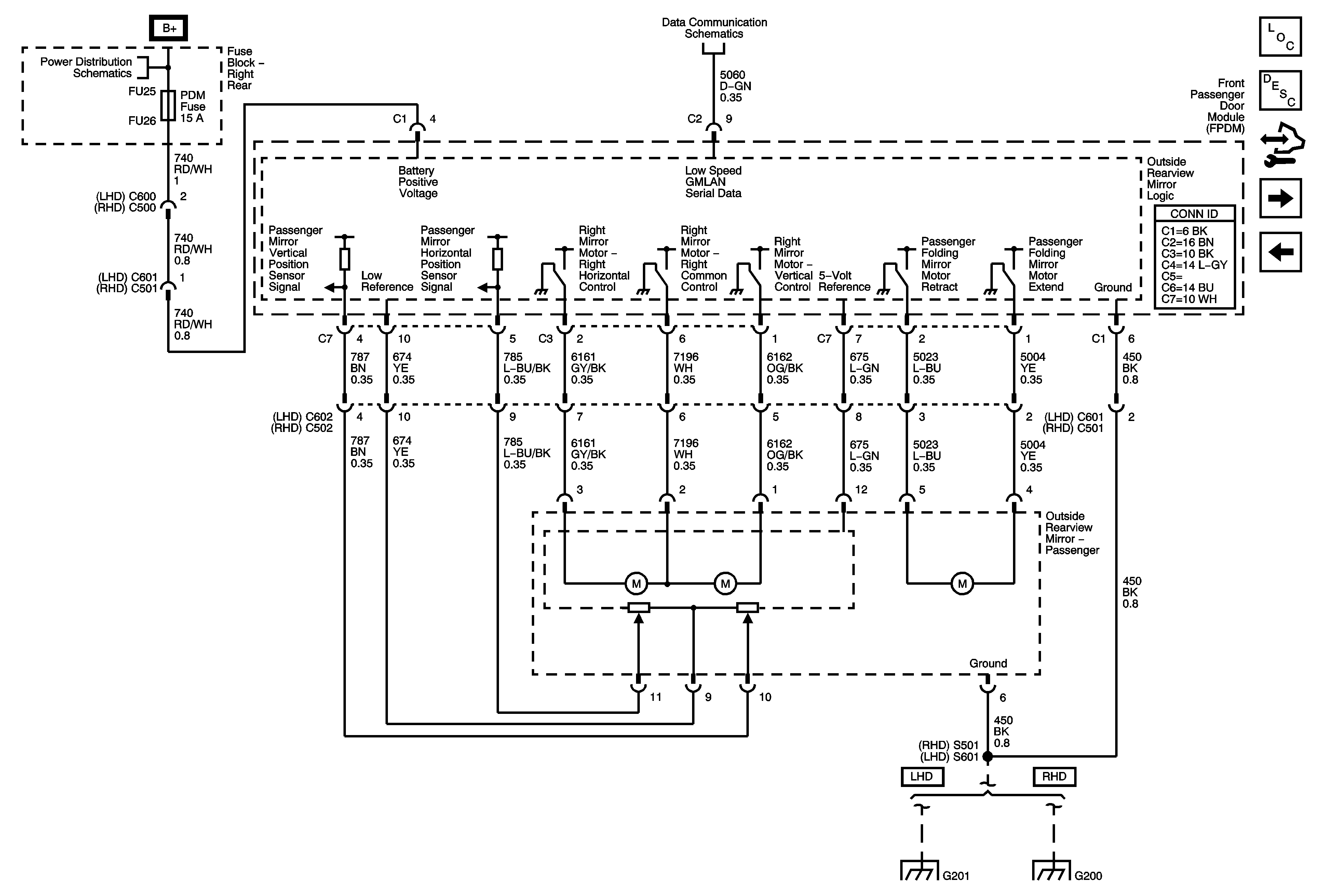
Figure 2:

Driver Power Outside Mirror A45


Object Number: 1749468  Size: FS
Master Electrical Component List
Outside Mirror Description and Operation
Control Module References
Front Passenger Power Outside Mirror (A45)
Driver Power Outside Mirror (A45)
Left Rear Fuse Block B+ Bus
Low Speed GMLAN Serial Data 1 of 2
G200 (2 of 2) LHD
G201 (RHD)
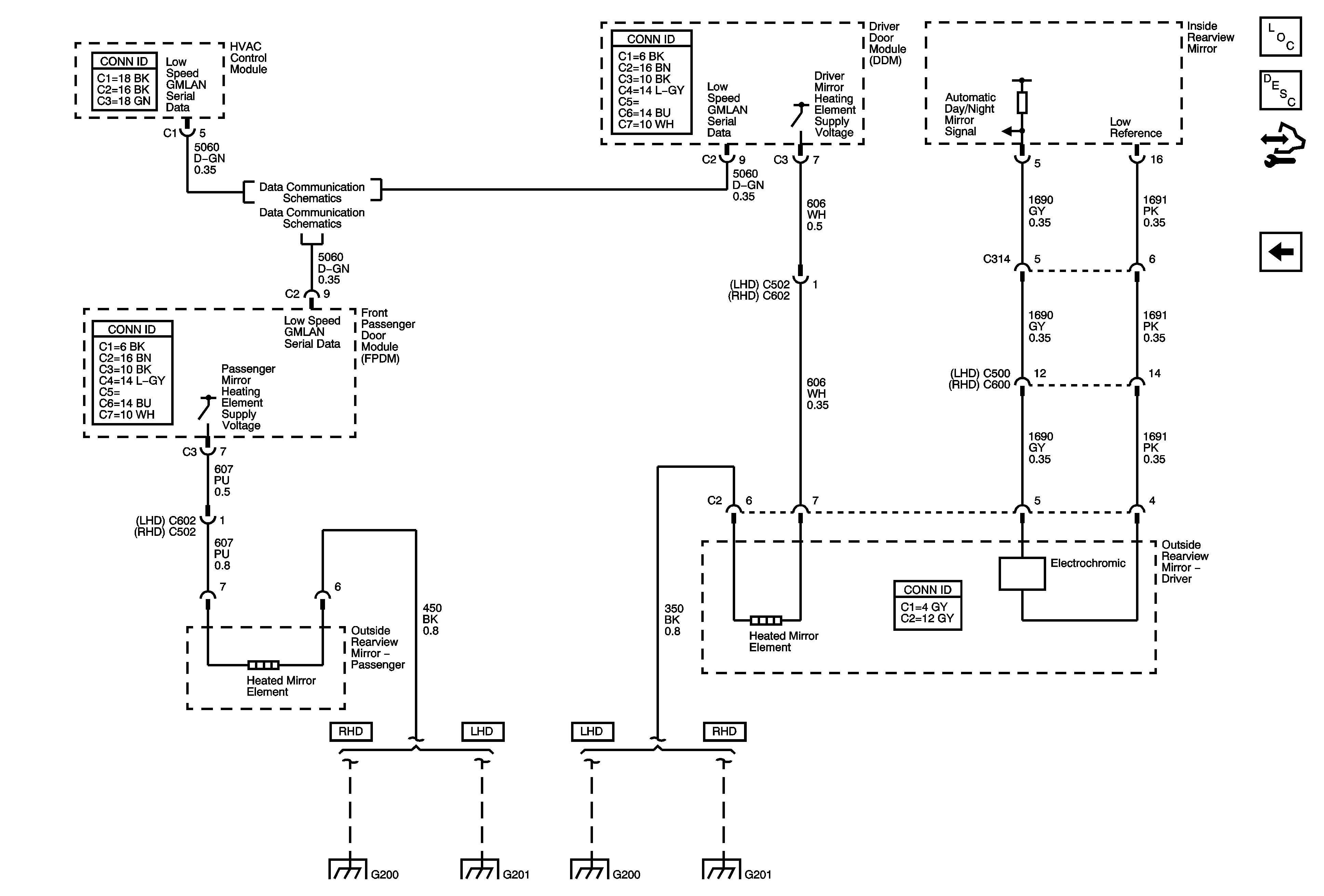
Figure 3:

Front Passenger Power Outside Mirror (A45)


Object Number: 1749469  Size: FS
Master Electrical Component List
Outside Mirror Description and Operation
Control Module References
Heated and Automatic Day/Night Outside Mirrors
Driver Power Outside Mirror A45
Right Rear Fuse Block B+ Bus
Low Speed GMLAN Serial Data 2 of 2
G201 (LHD)
G200 1 OF 2 (RHD)
Figure 4:

Heated and Automatic Day/Night Outside Mirrors


Object Number: 1749470  Size: FS
Master Electrical Component List
Automatic Day-Night Mirror Description and Operation
Control Module References
Front Passenger Power Outside Mirror (A45)
Low Speed GMLAN Serial Data 1 of 2
Low Speed GMLAN Serial Data 2 of 2
G200 1 OF 2 (RHD)
G200 (2 of 2) LHD
G201 (LHD)
G201 (RHD)