GM Service Manual Online
For 1990-2009 cars only
Makes
🢒
Cadillac
🢒
2007
🢒
SRX
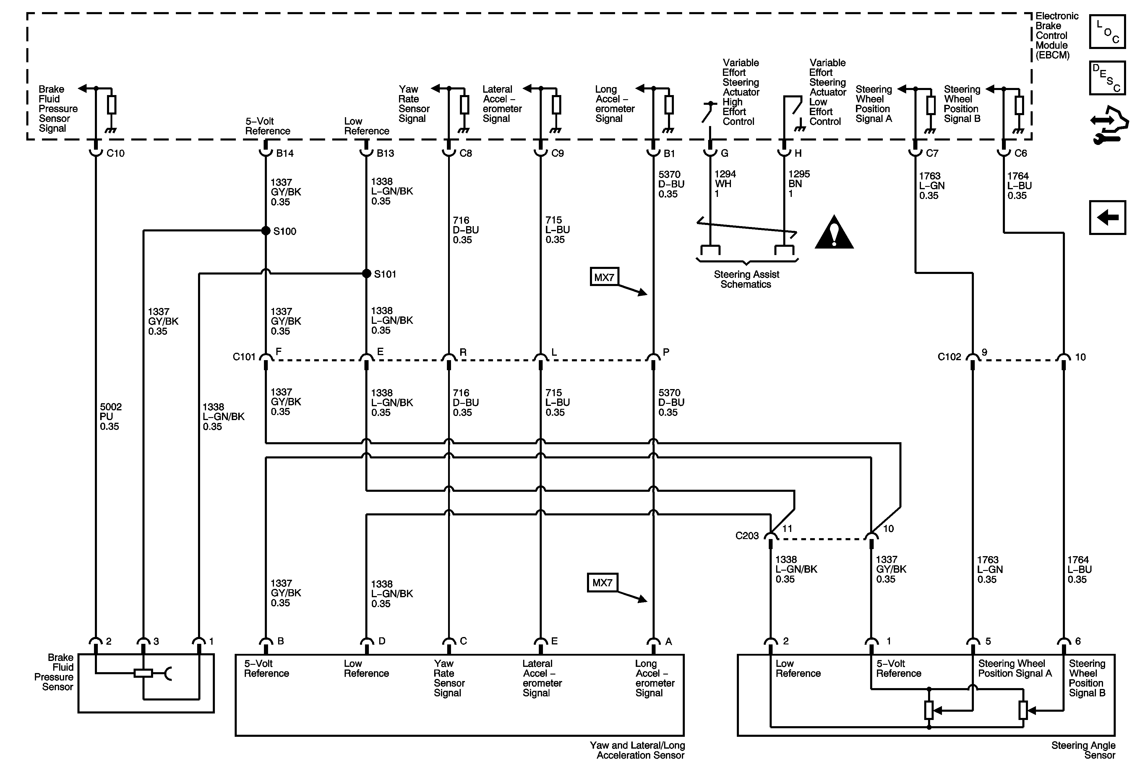
🢒 Stability Control System and Brake Fluid Pressure Sensor
Stability Control System and Brake Fluid Pressure Sensor
Stability Control System and Brake Fluid Pressure Sensor
Master Electrical Component List
ABS Description and Operation
Control Module References
Indicator, Traction Control, and Brake Pedal Position Sensor
Antilock Brake System Schematic Icons
Variable Effort Steering Schematic