GM Service Manual Online
For 1990-2009 cars only
Makes
🢒
Cadillac
🢒
2007
🢒
SRX
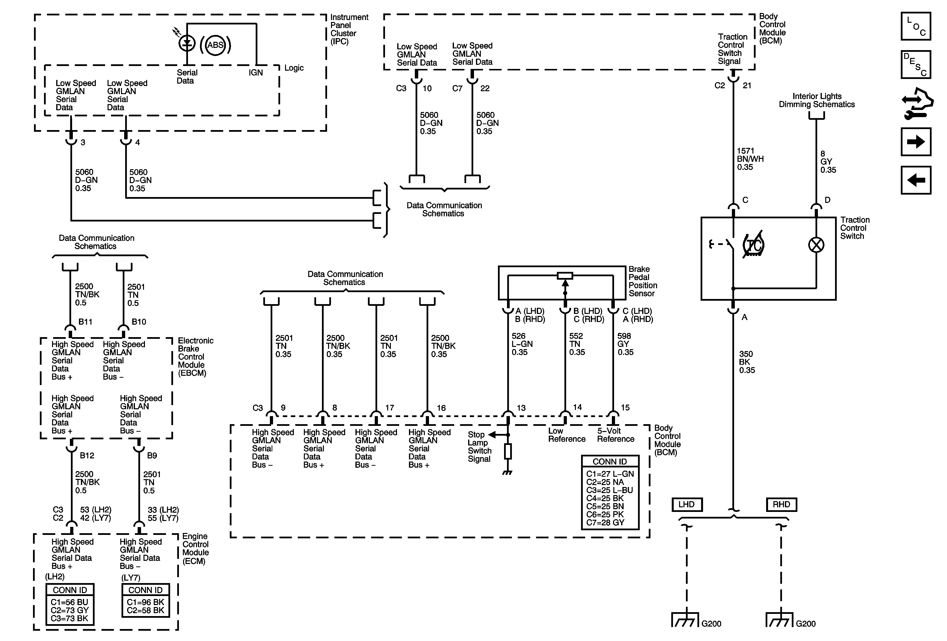
🢒 Indicator, Traction Control, and Brake Pedal Position Sensor
Indicator, Traction Control, and Brake Pedal Position Sensor
Indicator, Traction Control, and Brake Pedal Position
Master Electrical Component List
ABS Description and Operation
Control Module References
Stability Control System and Brake Fluid Pressure Sensor
Wheel Speed Sensors
Dimming Lamps (1 of 3)
High Speed GMLAN
Low Speed GMLAN Serial Data 1 of 2
High Speed GMLAN
G200 (1 of 2) LHD
G200 2 OF 2 (RHD)