GM Service Manual Online
For 1990-2009 cars only
Makes
🢒
Cadillac
🢒
2007
🢒
SRX
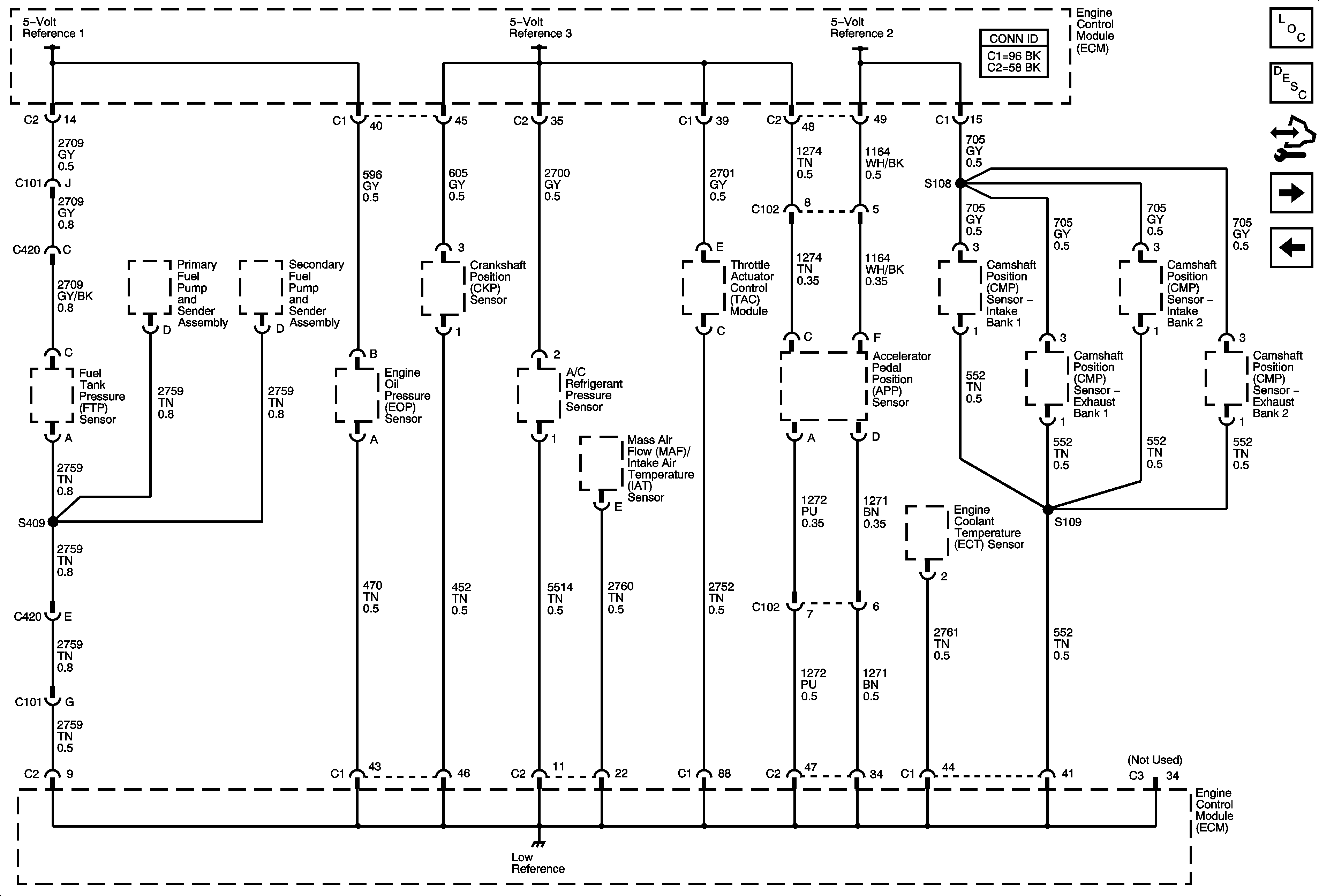
🢒 Engine Data Sensors - 5 Volt Reference
Engine Data Sensors - 5 Volt Reference
Engine Data Sensors - 5-Volt Reference
Master Electrical Component List
Engine Control Module Description
Control Module References
Engine Data Sensors - MAF and Engine Coolant Temp Sensor
Module Power, Ground, Serial Data and MIL