GM Service Manual Online
For 1990-2009 cars only
Makes
🢒
Cadillac
🢒
2007
🢒
SRX
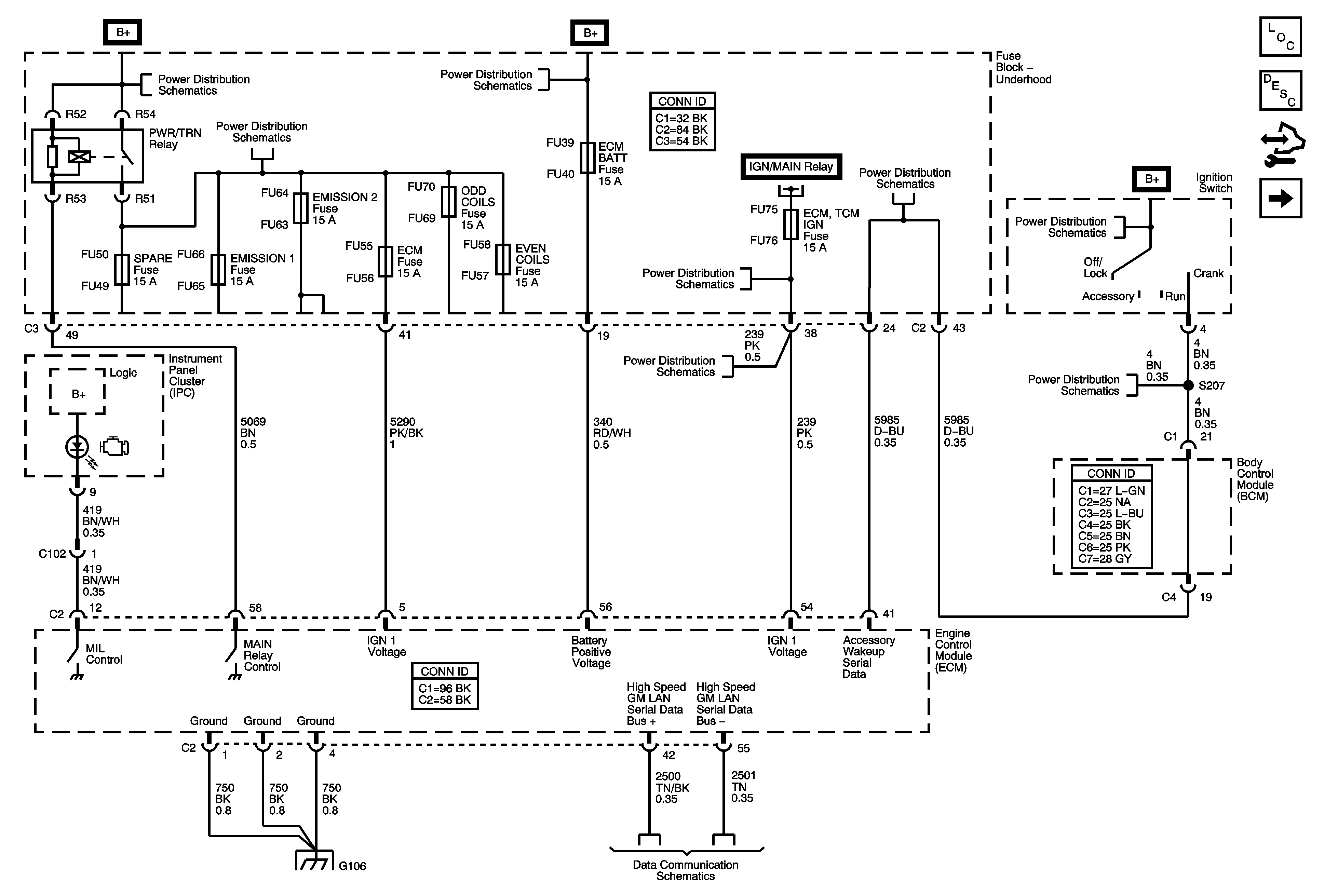
🢒 Module Power, Ground, Serial Data and MIL
Module Power, Ground, Serial Data and MIL
Module Power, Ground, Serial Data and MIL
Master Electrical Component List
Engine Control Module Description
Control Module References
Engine Data Sensors - 5 Volt Reference
Underhood Fuse Block B+ Bus - 1 of 2
Underhood Fuse Block B+ Bus - 1 of 2
Underhood Fuse Block B+ Bus - 1 of 2
Ignition Power Modes - RUN
Power Modes - ACCY and RAP
IGN SW Fuse and Ignition Switch
IGN MAIN Relay, ABS IGN Fuse, AIRBAG Fuse, ECM TCM IGN Fuse, and MISC IGN Fuse
IGN MAIN Relay, ABS IGN Fuse, AIRBAG Fuse, ECM TCM IGN Fuse, and MISC IGN Fuse
IGN SW Fuse and Ignition Switch
G106, G111, G306
High Speed GMLAN