GM Service Manual Online
For 1990-2009 cars only
Makes
🢒
Cadillac
🢒
2007
🢒
SRX
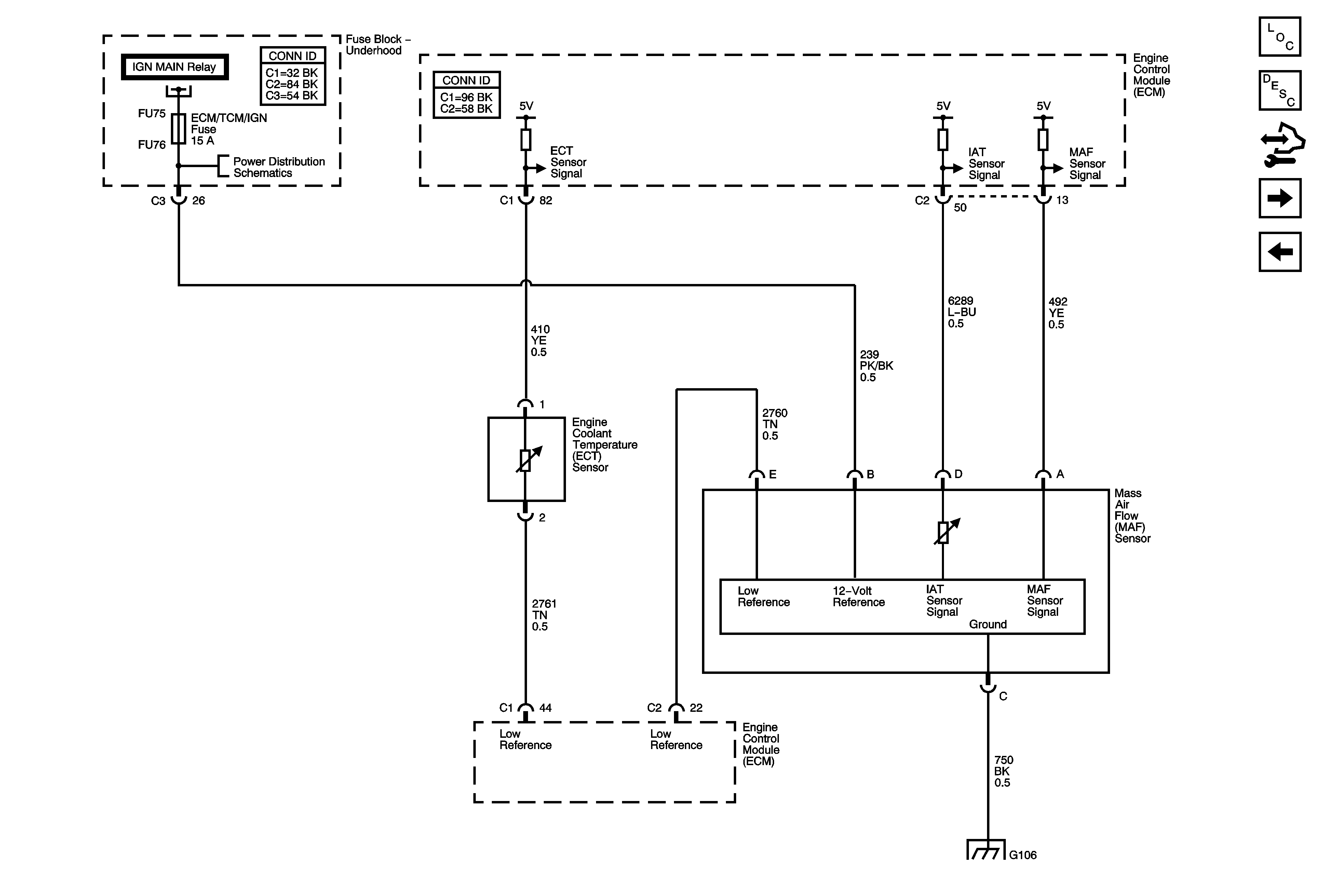
🢒 Engine Data Sensors - MAF and Engine Coolant Temp Sensor
Engine Data Sensors - MAF and Engine Coolant Temp Sensor
Engine Data Sensors - MAF and Engine Coolant Temperature Sensor
Master Electrical Component List
Engine Control Module Description
Control Module References
Engine Data Sensors - Oxygen Sensors
Engine Data Sensors - 5 Volt Reference
Ignition Power Modes - RUN
IGN MAIN Relay, ABS IGN Fuse, AIRBAG Fuse, ECM TCM IGN Fuse, and MISC IGN Fuse
G106, G111, G306