GM Service Manual Online
For 1990-2009 cars only
Makes
🢒
Cadillac
🢒
2007
🢒
SRX
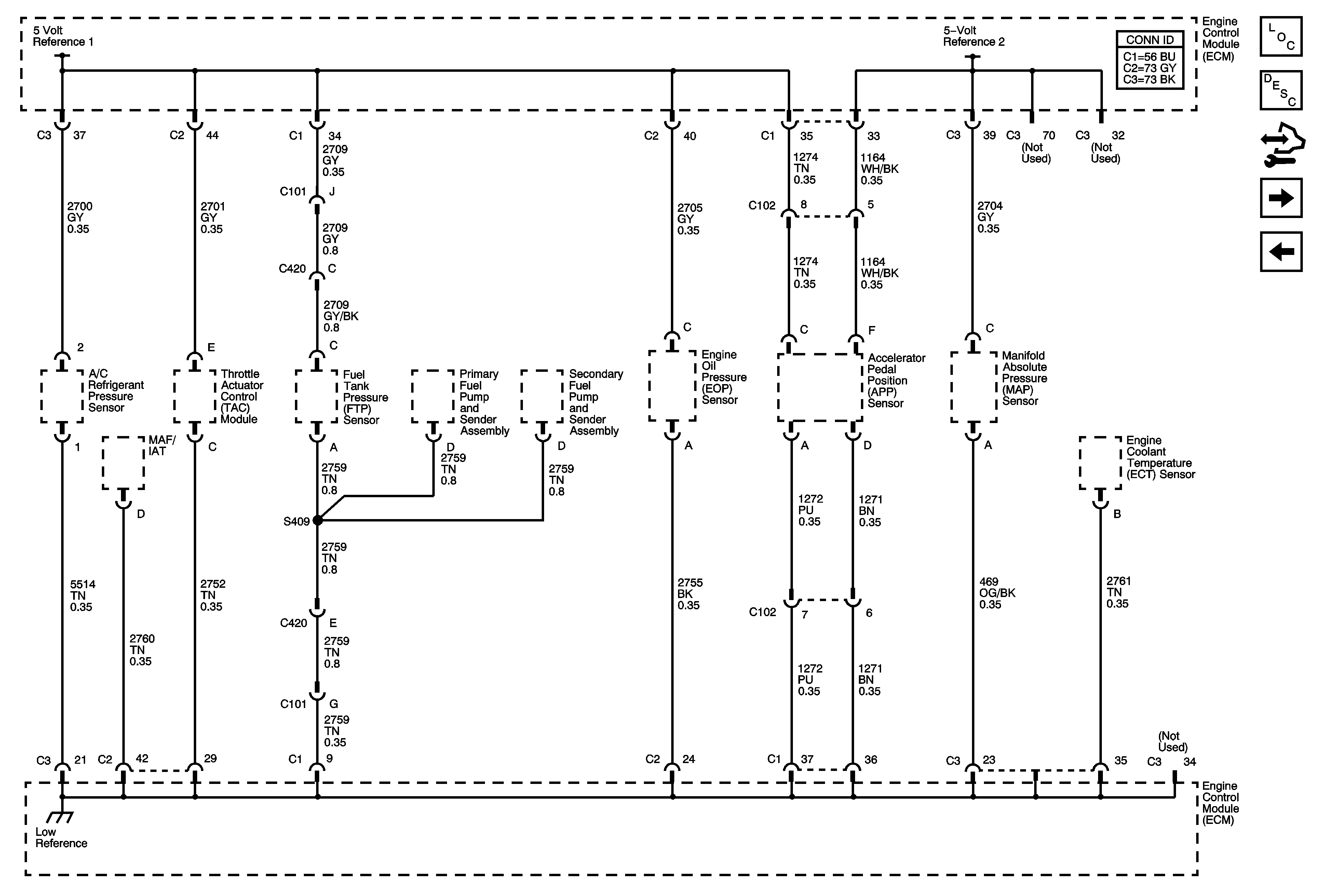
🢒 Data Sensors - 5 Volt and Low Reference
Data Sensors - 5 Volt and Low Reference
Engine Data Sensors - 5-Volt and Low References
Master Electrical Component List
Engine Control Module Description
Control Module References
Engine Data Sensors - MAF, MAP, and Engine Coolant Temp (ECT) Sensors
Power, Ground, Serial Data and MIL