GM Service Manual Online
For 1990-2009 cars only
Makes
🢒
Cadillac
🢒
2007
🢒
SRX
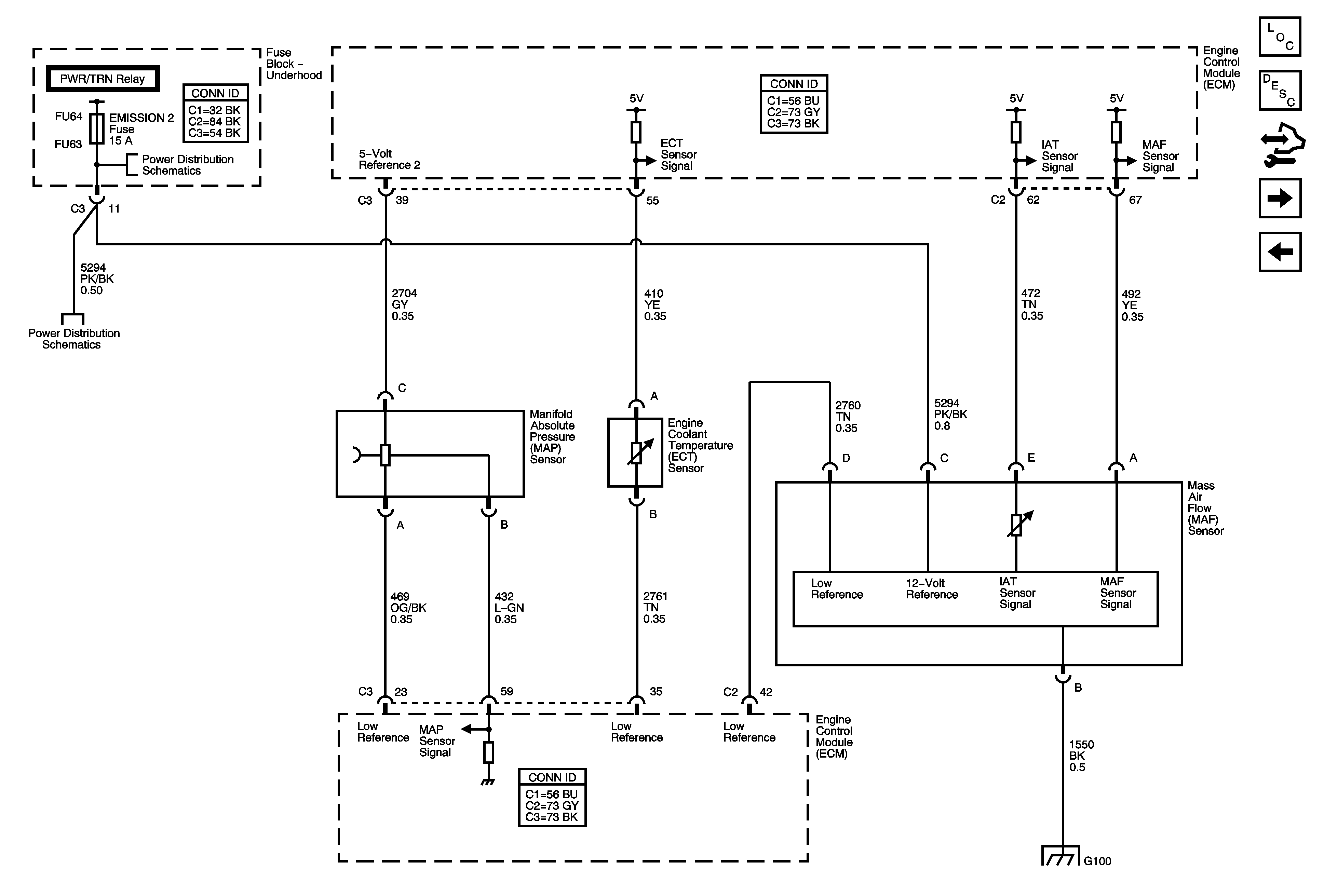
🢒 Engine Data Sensors - MAF, MAP, and Engine Coolant Temp (ECT) Sensors
Engine Data Sensors - MAF, MAP, and Engine Coolant Temp (ECT) Sensors
Engine Data Sensors - MAF, MAP and ECT Sensor
Master Electrical Component List
Engine Control Module Description
Control Module References
Engine Data Sensors - Oxygen Sensors
Data Sensors - 5 Volt and Low Reference
Power, Ground, Serial Data and MIL
ECM 1 Fuse, EMISSION 1 Fuse, EMISSION 2 Fuse, and PWR/TRN Relay (LH2)
ECM 1 Fuse, EMISSION 1 Fuse, EMISSION 2 Fuse, and PWR/TRN Relay (LH2)
G100 (LH2)